LEMON Manuals: Even more car manuals for everyone: 1960-2025
Home >> Lexus >> 2010 >> LS 460 RWD >> Repair and Diagnosis >> Electrical >> Body Electrical >> OEM System Circuits >> Vehicle Dynamics Integrated Management >> Notes
April 5, 2026: LEMON Manuals is launched! Read the announcement.

Vehicle Dynamics Integrated Management: Notes

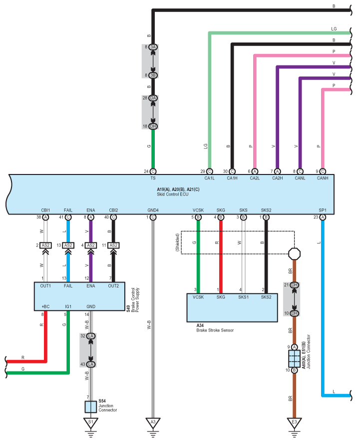
Fig 1: Vehicle Dynamics Integrated Management - Circuit Diagram (1 Of 15)
G07567899Courtesy of © TOYOTA, LICENSE AGREEMENT TMS1002
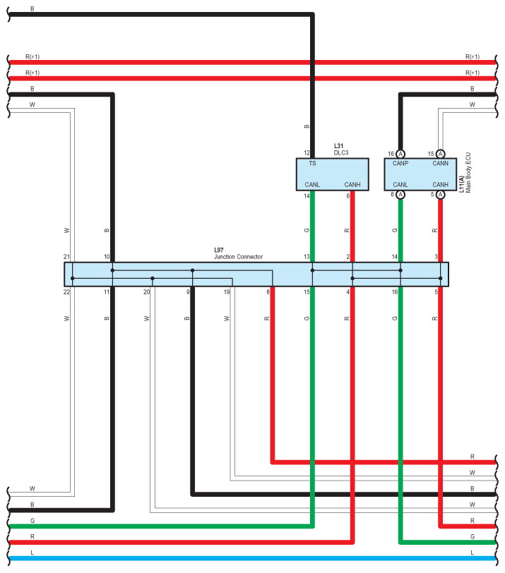
Fig 2: Vehicle Dynamics Integrated Management - Circuit Diagram (2 Of 15)
G07567900Courtesy of © TOYOTA, LICENSE AGREEMENT TMS1002
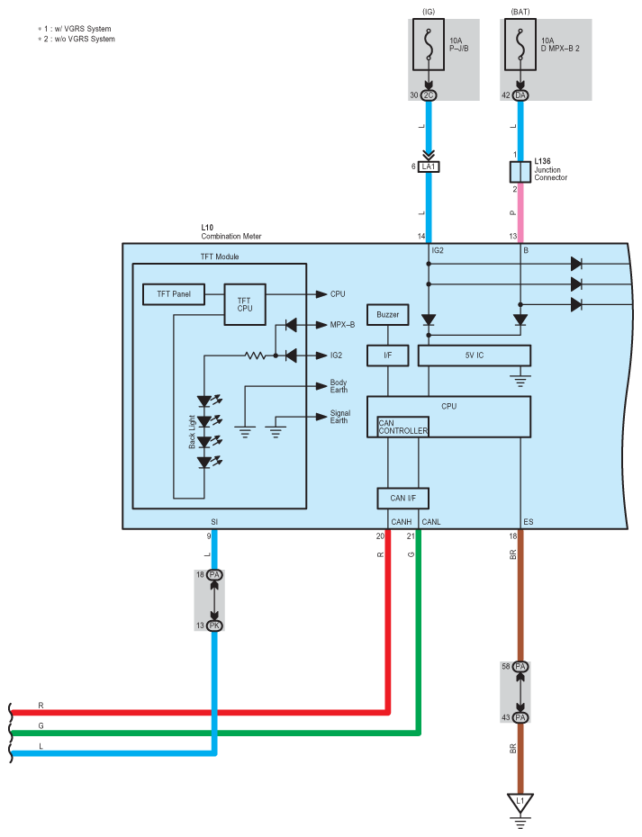
Fig 3: Vehicle Dynamics Integrated Management - Circuit Diagram (3 Of 15)
G07567901Courtesy of © TOYOTA, LICENSE AGREEMENT TMS1002
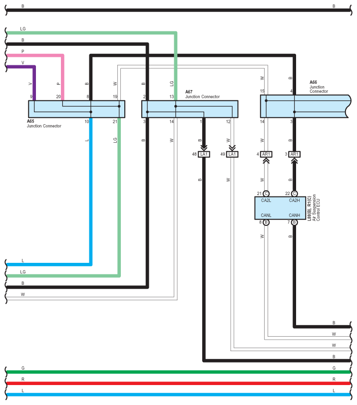
Fig 4: Vehicle Dynamics Integrated Management - Circuit Diagram (4 Of 15)
G07567902Courtesy of © TOYOTA, LICENSE AGREEMENT TMS1002
Fig 5: Vehicle Dynamics Integrated Management - Circuit Diagram (5 Of 15)
G07567903Courtesy of © TOYOTA, LICENSE AGREEMENT TMS1002
Fig 6: Vehicle Dynamics Integrated Management - Circuit Diagram (6 Of 15)
G07567904Courtesy of © TOYOTA, LICENSE AGREEMENT TMS1002
Fig 7: Vehicle Dynamics Integrated Management - Circuit Diagram (7 Of 15)
G07567905Courtesy of © TOYOTA, LICENSE AGREEMENT TMS1002
Fig 8: Vehicle Dynamics Integrated Management - Circuit Diagram (8 Of 15)
G07567906Courtesy of © TOYOTA, LICENSE AGREEMENT TMS1002
Fig 9: Vehicle Dynamics Integrated Management - Circuit Diagram (9 Of 15)
G07567907Courtesy of © TOYOTA, LICENSE AGREEMENT TMS1002
Fig 10: Vehicle Dynamics Integrated Management - Circuit Diagram (10 Of 15)
G07567908Courtesy of © TOYOTA, LICENSE AGREEMENT TMS1002
Fig 11: Vehicle Dynamics Integrated Management - Circuit Diagram (11 Of 15)
G07567909Courtesy of © TOYOTA, LICENSE AGREEMENT TMS1002
Fig 12: Vehicle Dynamics Integrated Management - Circuit Diagram (12 Of 15)
G07567910Courtesy of © TOYOTA, LICENSE AGREEMENT TMS1002
Fig 13: Vehicle Dynamics Integrated Management - Circuit Diagram (13 Of 15)
G07567911Courtesy of © TOYOTA, LICENSE AGREEMENT TMS1002
Fig 14: Vehicle Dynamics Integrated Management - Circuit Diagram (14 Of 15)
G07567912Courtesy of © TOYOTA, LICENSE AGREEMENT TMS1002
Fig 15: Vehicle Dynamics Integrated Management - Circuit Diagram (15 Of 15)
G07567913Courtesy of © TOYOTA, LICENSE AGREEMENT TMS1002