LEMON Manuals: Even more car manuals for everyone: 1960-2025
Home >> Lexus >> 2010 >> LS 460L RWD >> Repair and Diagnosis >> Electrical >> Body Electrical >> OEM System Circuits >> Adaptive Front-Lighting System >> Notes
April 5, 2026: LEMON Manuals is launched! Read the announcement.

Adaptive Front-Lighting System: Notes

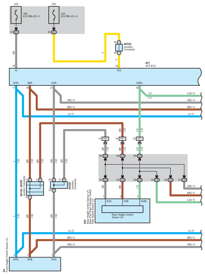
Fig 1: Adaptive Front-Lighting System - Circuit Diagram (1 Of 7)
G07567801Courtesy of © TOYOTA, LICENSE AGREEMENT TMS1002
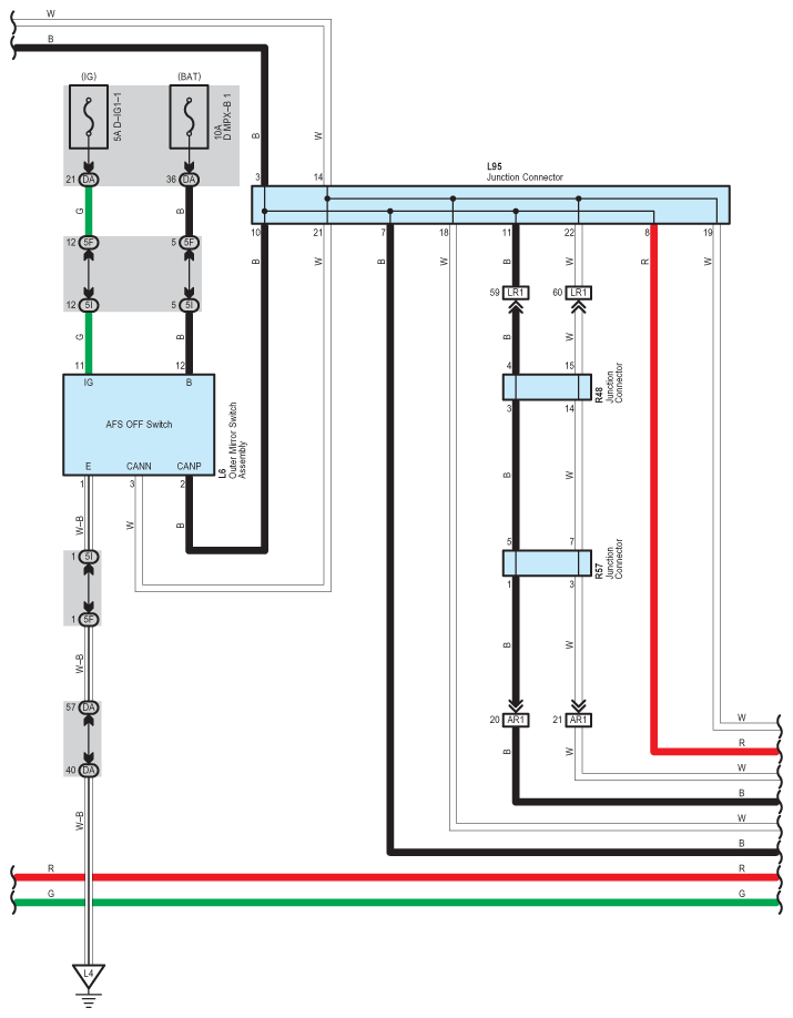
Fig 2: Adaptive Front-Lighting System - Circuit Diagram (2 Of 7)
G07567802Courtesy of © TOYOTA, LICENSE AGREEMENT TMS1002
Fig 3: Adaptive Front-Lighting System - Circuit Diagram (3 Of 7)
G07567803Courtesy of © TOYOTA, LICENSE AGREEMENT TMS1002
Fig 4: Adaptive Front-Lighting System - Circuit Diagram (4 Of 7)
G07567804Courtesy of © TOYOTA, LICENSE AGREEMENT TMS1002
Fig 5: Adaptive Front-Lighting System - Circuit Diagram (5 Of 7)
G07567805Courtesy of © TOYOTA, LICENSE AGREEMENT TMS1002
Fig 6: Adaptive Front-Lighting System - Circuit Diagram (6 Of 7)
G07567806Courtesy of © TOYOTA, LICENSE AGREEMENT TMS1002
Fig 7: Adaptive Front-Lighting System - Circuit Diagram (7 Of 7)
G07567807Courtesy of © TOYOTA, LICENSE AGREEMENT TMS1002