LEMON Manuals: Even more car manuals for everyone: 1960-2025
Home >> Lexus >> 2010 >> LS 460L RWD >> Repair and Diagnosis >> Electrical >> Body Electrical >> OEM System Circuits >> Brake Hold System >> Notes
April 5, 2026: LEMON Manuals is launched! Read the announcement.

Brake Hold System: Notes

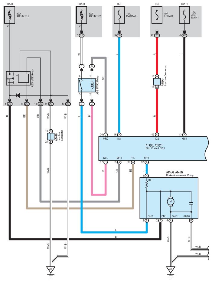
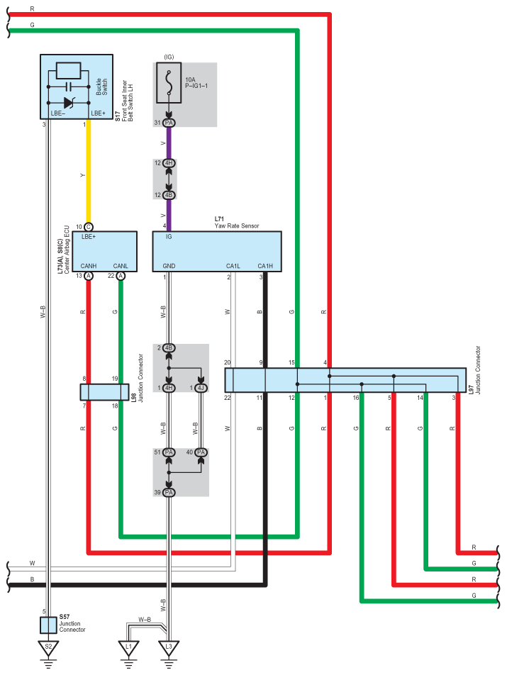
Fig 1: Brake Hold System - Circuit Diagram (1 Of 10)
G07567914Courtesy of © TOYOTA, LICENSE AGREEMENT TMS1002
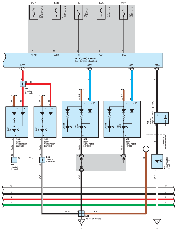
Fig 2: Brake Hold System - Circuit Diagram (2 Of 10)
G07567915Courtesy of © TOYOTA, LICENSE AGREEMENT TMS1002
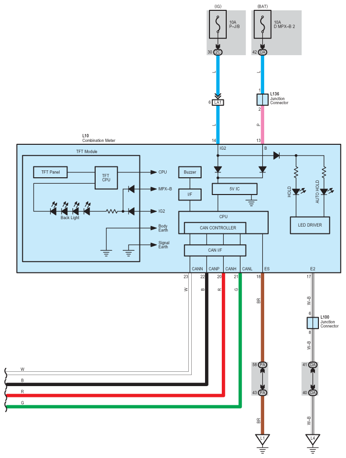
Fig 3: Brake Hold System - Circuit Diagram (3 Of 10)
G07567916Courtesy of © TOYOTA, LICENSE AGREEMENT TMS1002
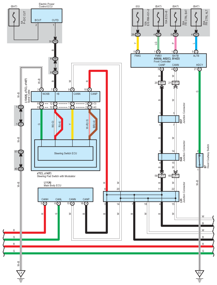
Fig 4: Brake Hold System - Circuit Diagram (4 Of 10)
G07567917Courtesy of © TOYOTA, LICENSE AGREEMENT TMS1002
Fig 5: Brake Hold System - Circuit Diagram (5 Of 10)
G07567918Courtesy of © TOYOTA, LICENSE AGREEMENT TMS1002
Fig 6: Brake Hold System - Circuit Diagram (6 Of 10)
G07567919Courtesy of © TOYOTA, LICENSE AGREEMENT TMS1002
Fig 7: Brake Hold System - Circuit Diagram (7 Of 10)
G07567920Courtesy of © TOYOTA, LICENSE AGREEMENT TMS1002
Fig 8: Brake Hold System - Circuit Diagram (8 Of 10)
G07567921Courtesy of © TOYOTA, LICENSE AGREEMENT TMS1002
Fig 9: Brake Hold System - Circuit Diagram (9 Of 10)
G07567922Courtesy of © TOYOTA, LICENSE AGREEMENT TMS1002
Fig 10: Brake Hold System - Circuit Diagram (10 Of 10)
G07567923Courtesy of © TOYOTA, LICENSE AGREEMENT TMS1002