LEMON Manuals: Even more car manuals for everyone: 1960-2025
Home >> Lexus >> 2010 >> LS 460L RWD >> Repair and Diagnosis >> Electrical >> Body Electrical >> OEM System Circuits >> Combination Meter >> Notes
April 5, 2026: LEMON Manuals is launched! Read the announcement.

Combination Meter: Notes

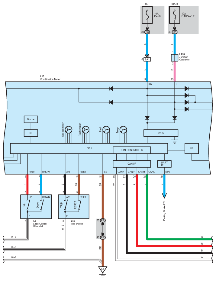
Fig 1: Combination Meter - Circuit Diagram (1 Of 12)
G07568146Courtesy of © TOYOTA, LICENSE AGREEMENT TMS1002
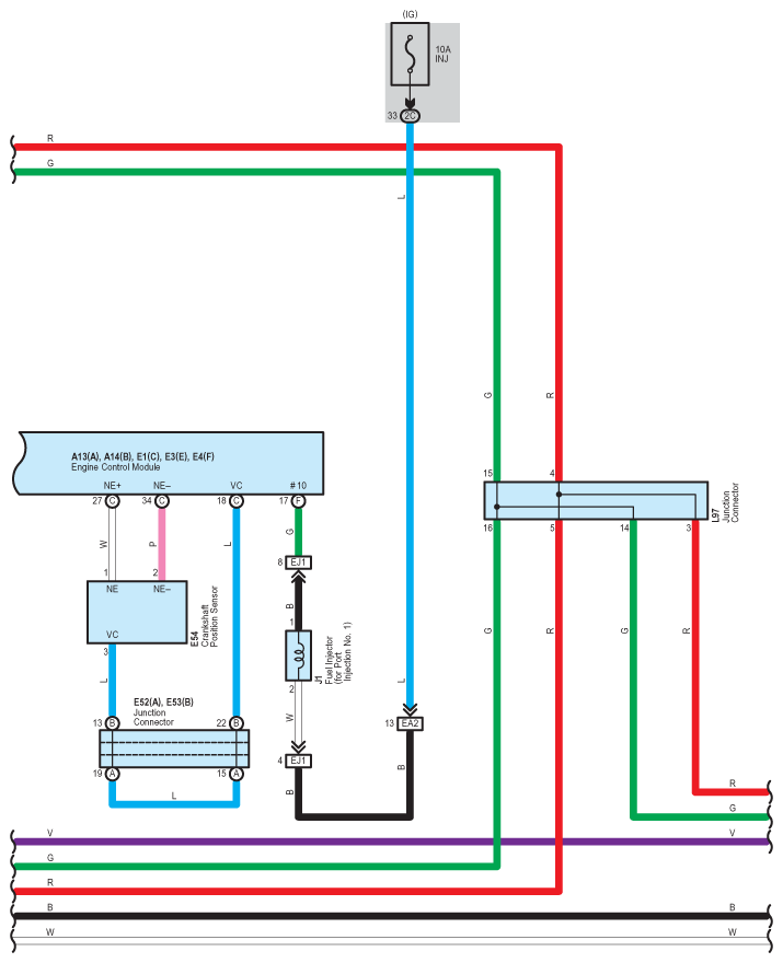
Fig 2: Combination Meter - Circuit Diagram (2 Of 12)
G07568147Courtesy of © TOYOTA, LICENSE AGREEMENT TMS1002
Fig 3: Combination Meter - Circuit Diagram (3 Of 12)
G07568148Courtesy of © TOYOTA, LICENSE AGREEMENT TMS1002
Fig 4: Combination Meter - Circuit Diagram (4 Of 12)
G07568149Courtesy of © TOYOTA, LICENSE AGREEMENT TMS1002
Fig 5: Combination Meter - Circuit Diagram (5 Of 12)
G07568150Courtesy of © TOYOTA, LICENSE AGREEMENT TMS1002
Fig 6: Combination Meter - Circuit Diagram (6 Of 12)
G07568151Courtesy of © TOYOTA, LICENSE AGREEMENT TMS1002
Fig 7: Combination Meter - Circuit Diagram (7 Of 12)
G07568152Courtesy of © TOYOTA, LICENSE AGREEMENT TMS1002
Fig 8: Combination Meter - Circuit Diagram (8 Of 12)
G07568153Courtesy of © TOYOTA, LICENSE AGREEMENT TMS1002
Fig 9: Combination Meter - Circuit Diagram (9 Of 12)
G07568154Courtesy of © TOYOTA, LICENSE AGREEMENT TMS1002
Fig 10: Combination Meter - Circuit Diagram (10 Of 12)
G07568155Courtesy of © TOYOTA, LICENSE AGREEMENT TMS1002
Fig 11: Combination Meter - Circuit Diagram (11 Of 12)
G07568156Courtesy of © TOYOTA, LICENSE AGREEMENT TMS1002
Fig 12: Combination Meter - Circuit Diagram (12 Of 12)
G07568157Courtesy of © TOYOTA, LICENSE AGREEMENT TMS1002