LEMON Manuals: Even more car manuals for everyone: 1960-2025
Home >> Lexus >> 2010 >> LS 460L RWD >> Repair and Diagnosis >> Electrical >> Body Electrical >> OEM System Circuits >> Power Window >> Notes
April 5, 2026: LEMON Manuals is launched! Read the announcement.

Power Window: Notes

Fig 1: Power Window - Circuit Diagram (1 Of 8)
G07567815Courtesy of © TOYOTA, LICENSE AGREEMENT TMS1002
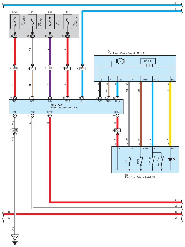
Fig 2: Power Window - Circuit Diagram (2 Of 8)
G07567816Courtesy of © TOYOTA, LICENSE AGREEMENT TMS1002
Fig 3: Power Window - Circuit Diagram (3 Of 8)
G07567817Courtesy of © TOYOTA, LICENSE AGREEMENT TMS1002
Fig 4: Power Window - Circuit Diagram (4 Of 8)
G07567818Courtesy of © TOYOTA, LICENSE AGREEMENT TMS1002
Fig 5: Power Window - Circuit Diagram (5 Of 8)
G07567819Courtesy of © TOYOTA, LICENSE AGREEMENT TMS1002
Fig 6: Power Window - Circuit Diagram (6 Of 8)
G07567820Courtesy of © TOYOTA, LICENSE AGREEMENT TMS1002
Fig 7: Power Window - Circuit Diagram (7 Of 8)
G07567821Courtesy of © TOYOTA, LICENSE AGREEMENT TMS1002
Fig 8: Power Window - Circuit Diagram (8 Of 8)
G07567822Courtesy of © TOYOTA, LICENSE AGREEMENT TMS1002