LEMON Manuals: Even more car manuals for everyone: 1960-2025
Home >> Lexus >> 2010 >> LS 460L RWD >> Repair and Diagnosis >> Electrical >> Body Electrical >> OEM System Circuits >> Pre-Collision System >> Notes
April 5, 2026: LEMON Manuals is launched! Read the announcement.

Pre-Collision System: Notes

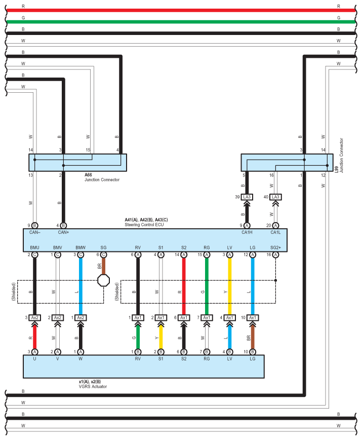
Fig 1: Pre-Collision System - Circuit Diagram (1 Of 16)
G07567957Courtesy of © TOYOTA, LICENSE AGREEMENT TMS1002
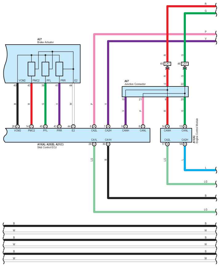
Fig 2: Pre-Collision System - Circuit Diagram (2 Of 16)
G07567958Courtesy of © TOYOTA, LICENSE AGREEMENT TMS1002
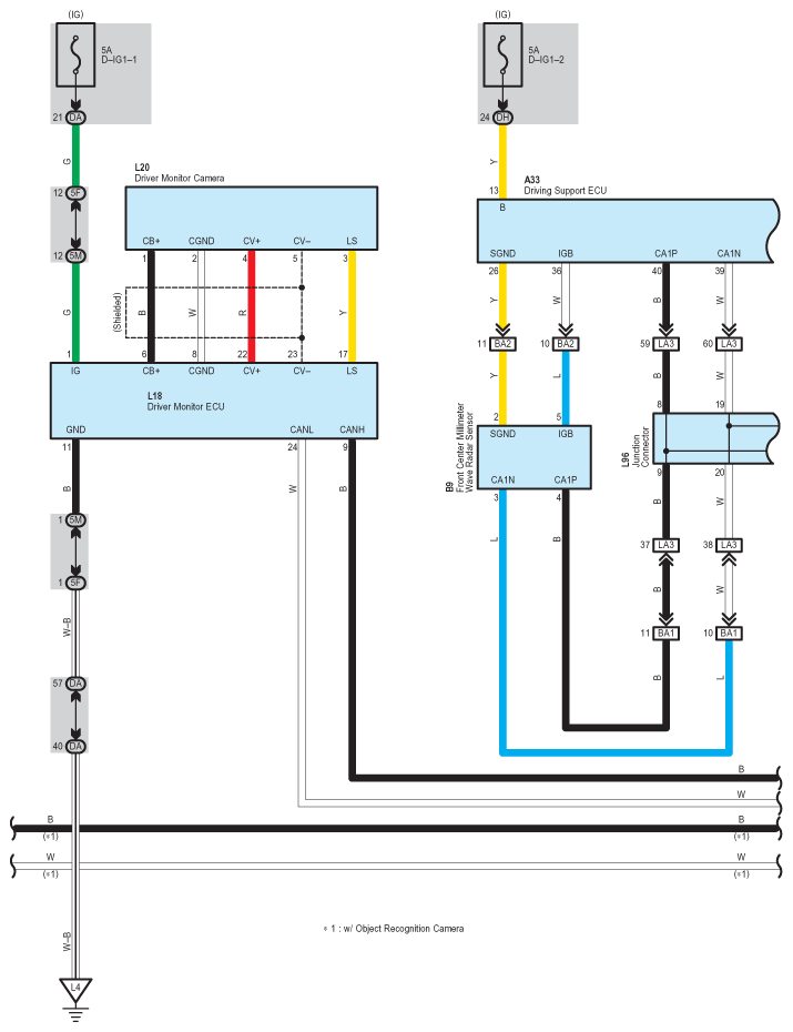
Fig 3: Pre-Collision System - Circuit Diagram (3 Of 16)
G07567959Courtesy of © TOYOTA, LICENSE AGREEMENT TMS1002
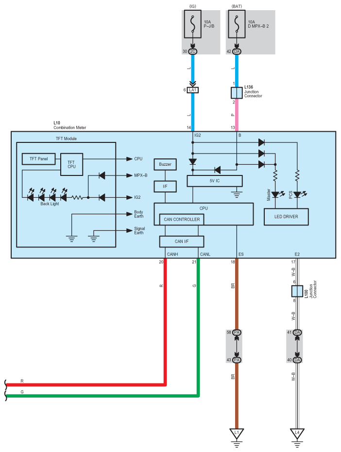
Fig 4: Pre-Collision System - Circuit Diagram (4 Of 16)
G07567960Courtesy of © TOYOTA, LICENSE AGREEMENT TMS1002
Fig 5: Pre-Collision System - Circuit Diagram (5 Of 16)
G07567961Courtesy of © TOYOTA, LICENSE AGREEMENT TMS1002
Fig 6: Pre-Collision System - Circuit Diagram (6 Of 16)
G07567962Courtesy of © TOYOTA, LICENSE AGREEMENT TMS1002
Fig 7: Pre-Collision System - Circuit Diagram (7 Of 16)
G07567963Courtesy of © TOYOTA, LICENSE AGREEMENT TMS1002
Fig 8: Pre-Collision System - Circuit Diagram (8 Of 16)
G07567964Courtesy of © TOYOTA, LICENSE AGREEMENT TMS1002
Fig 9: Pre-Collision System - Circuit Diagram (9 Of 16)
G07567965Courtesy of © TOYOTA, LICENSE AGREEMENT TMS1002
Fig 10: Pre-Collision System - Circuit Diagram (10 Of 16)
G07567966Courtesy of © TOYOTA, LICENSE AGREEMENT TMS1002
Fig 11: Pre-Collision System - Circuit Diagram (11 Of 16)
G07567967Courtesy of © TOYOTA, LICENSE AGREEMENT TMS1002
Fig 12: Pre-Collision System - Circuit Diagram (12 Of 16)
G07567968Courtesy of © TOYOTA, LICENSE AGREEMENT TMS1002
Fig 13: Pre-Collision System - Circuit Diagram (13 Of 16)
G07567969Courtesy of © TOYOTA, LICENSE AGREEMENT TMS1002
Fig 14: Pre-Collision System - Circuit Diagram (14 Of 16)
G07567970Courtesy of © TOYOTA, LICENSE AGREEMENT TMS1002
Fig 15: Pre-Collision System - Circuit Diagram (15 Of 16)
G07567971Courtesy of © TOYOTA, LICENSE AGREEMENT TMS1002
Fig 16: Pre-Collision System - Circuit Diagram (16 Of 16)
G07567972Courtesy of © TOYOTA, LICENSE AGREEMENT TMS1002