LEMON Manuals: Even more car manuals for everyone: 1960-2025
Home >> Lexus >> 2010 >> LX 570 >> Repair and Diagnosis (Single Page) >> Electrical >> Body Electrical >> OEM System Circuits >> Audio System, Multi-Display, LEXUS Navigation System and Parking Assist (Rear View Monitor) >> Notes
April 5, 2026: LEMON Manuals is launched! Read the announcement.

Audio System, Multi-Display, LEXUS Navigation System and Parking Assist (Rear View Monitor): Notes

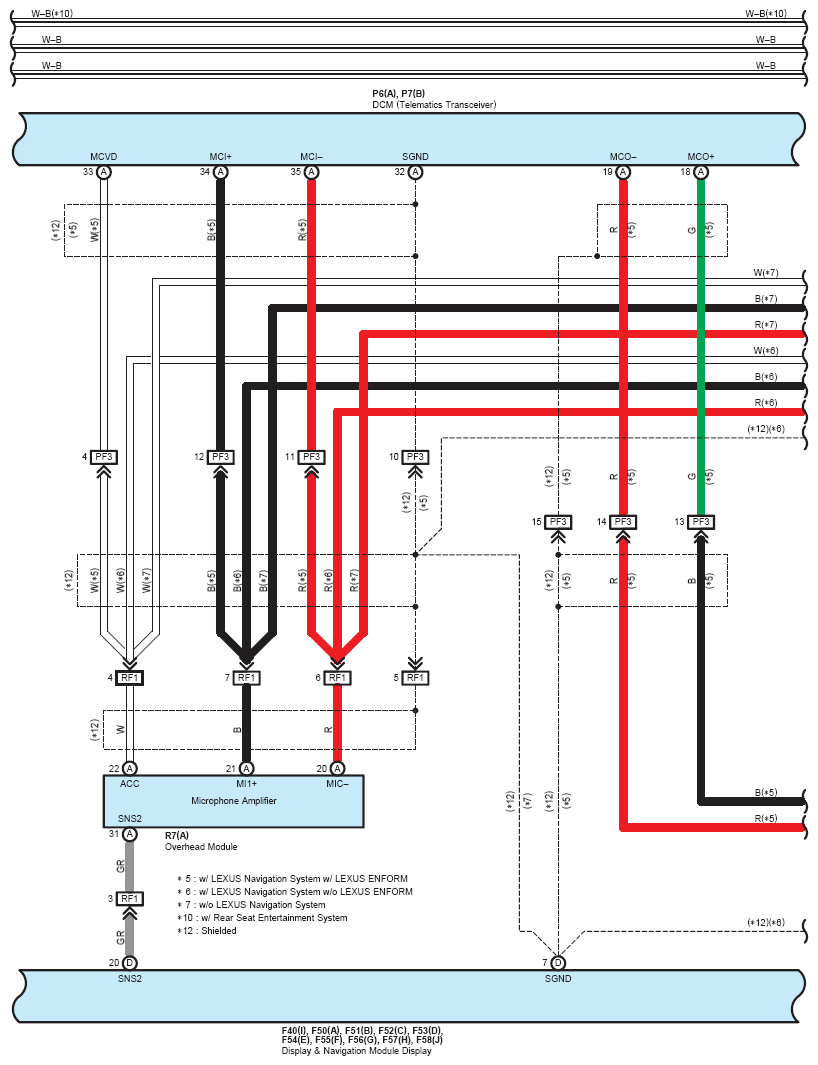
Fig 1: Audio System, Multi-Display, Lexus Navigation System And Parking Assist (Rear View Monitor) - Circuit Diagram (1 Of 20)
G07562300Courtesy of © TOYOTA, LICENSE AGREEMENT TMS1002
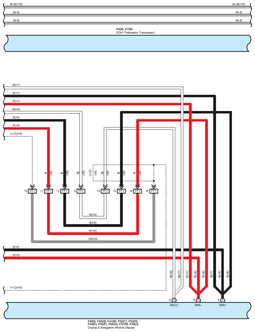
Fig 2: Audio System, Multi-Display, Lexus Navigation System And Parking Assist (Rear View Monitor) - Circuit Diagram (2 Of 20)
G07562301Courtesy of © TOYOTA, LICENSE AGREEMENT TMS1002
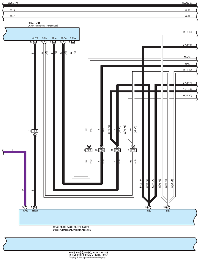
Fig 3: Audio System, Multi-Display, Lexus Navigation System And Parking Assist (Rear View Monitor) - Circuit Diagram (3 Of 20)
G07562302Courtesy of © TOYOTA, LICENSE AGREEMENT TMS1002
Fig 4: Audio System, Multi-Display, Lexus Navigation System And Parking Assist (Rear View Monitor) - Circuit Diagram (4 Of 20)
G07562303Courtesy of © TOYOTA, LICENSE AGREEMENT TMS1002
Fig 5: Audio System, Multi-Display, Lexus Navigation System And Parking Assist (Rear View Monitor) - Circuit Diagram (5 Of 20)
G07562304Courtesy of © TOYOTA, LICENSE AGREEMENT TMS1002
Fig 6: Audio System, Multi-Display, Lexus Navigation System And Parking Assist (Rear View Monitor) - Circuit Diagram (6 Of 20)
G07562305Courtesy of © TOYOTA, LICENSE AGREEMENT TMS1002
Fig 7: Audio System, Multi-Display, Lexus Navigation System And Parking Assist (Rear View Monitor) - Circuit Diagram (7 Of 20)
G07562306Courtesy of © TOYOTA, LICENSE AGREEMENT TMS1002
Fig 8: Audio System, Multi-Display, Lexus Navigation System And Parking Assist (Rear View Monitor) - Circuit Diagram (8 Of 20)
G07562307Courtesy of © TOYOTA, LICENSE AGREEMENT TMS1002
Fig 9: Audio System, Multi-Display, Lexus Navigation System And Parking Assist (Rear View Monitor) - Circuit Diagram (9 Of 20)
G07562308Courtesy of © TOYOTA, LICENSE AGREEMENT TMS1002
Fig 10: Audio System, Multi-Display, Lexus Navigation System And Parking Assist (Rear View Monitor) - Circuit Diagram (10 Of 20)
G07562309Courtesy of © TOYOTA, LICENSE AGREEMENT TMS1002
Fig 11: Audio System, Multi-Display, Lexus Navigation System And Parking Assist (Rear View Monitor) - Circuit Diagram (11 Of 20)
G07562310Courtesy of © TOYOTA, LICENSE AGREEMENT TMS1002
Fig 12: Audio System, Multi-Display, Lexus Navigation System And Parking Assist (Rear View Monitor) - Circuit Diagram (12 Of 20)
G07562311Courtesy of © TOYOTA, LICENSE AGREEMENT TMS1002
Fig 13: Audio System, Multi-Display, Lexus Navigation System And Parking Assist (Rear View Monitor) - Circuit Diagram (13 Of 20)
G07562312Courtesy of © TOYOTA, LICENSE AGREEMENT TMS1002
Fig 14: Audio System, Multi-Display, Lexus Navigation System And Parking Assist (Rear View Monitor) - Circuit Diagram (14 Of 20)
G07562313Courtesy of © TOYOTA, LICENSE AGREEMENT TMS1002
Fig 15: Audio System, Multi-Display, Lexus Navigation System And Parking Assist (Rear View Monitor) - Circuit Diagram (15 Of 20)
G07562314Courtesy of © TOYOTA, LICENSE AGREEMENT TMS1002
Fig 16: Audio System, Multi-Display, Lexus Navigation System And Parking Assist (Rear View Monitor) - Circuit Diagram (16 Of 20)
G07562315Courtesy of © TOYOTA, LICENSE AGREEMENT TMS1002
Fig 17: Audio System, Multi-Display, Lexus Navigation System And Parking Assist (Rear View Monitor) - Circuit Diagram (17 Of 20)
G07562316Courtesy of © TOYOTA, LICENSE AGREEMENT TMS1002
Fig 18: Audio System, Multi-Display, Lexus Navigation System And Parking Assist (Rear View Monitor) - Circuit Diagram (18 Of 20)
G07562317Courtesy of © TOYOTA, LICENSE AGREEMENT TMS1002
Fig 19: Audio System, Multi-Display, Lexus Navigation System And Parking Assist (Rear View Monitor) - Circuit Diagram (19 Of 20)
G07562318Courtesy of © TOYOTA, LICENSE AGREEMENT TMS1002
Fig 20: Audio System, Multi-Display, Lexus Navigation System And Parking Assist (Rear View Monitor) - Circuit Diagram (20 Of 20)
G07562319Courtesy of © TOYOTA, LICENSE AGREEMENT TMS1002