LEMON Manuals: Even more car manuals for everyone: 1960-2025
Home >> Lexus >> 2011 >> CT 200h >> Repair and Diagnosis >> Electrical >> Body Electrical >> OEM System Circuits >> Front Fog Light >> Notes
April 5, 2026: LEMON Manuals is launched! Read the announcement.

Front Fog Light: Notes

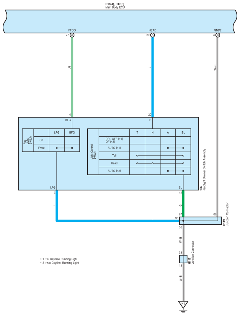
Fig 1: Front Fog Light - Wiring Diagram (1 Of 4)
G07777020Courtesy of © TOYOTA, LICENSE AGREEMENT TMS1002
Fig 2: Front Fog Light - Wiring Diagram (2 Of 4)
G07777021Courtesy of © TOYOTA, LICENSE AGREEMENT TMS1002
Fig 3: Front Fog Light - Wiring Diagram (3 Of 4)
G07777022Courtesy of © TOYOTA, LICENSE AGREEMENT TMS1002
Fig 4: Front Fog Light - Wiring Diagram (4 Of 4)
G07777023Courtesy of © TOYOTA, LICENSE AGREEMENT TMS1002