LEMON Manuals: Even more car manuals for everyone: 1960-2025
Home >> Lexus >> 2011 >> CT 200h >> Repair and Diagnosis >> Electrical >> Body Electrical >> OEM System Circuits >> Power Window >> Notes
April 5, 2026: LEMON Manuals is launched! Read the announcement.

Power Window: Notes

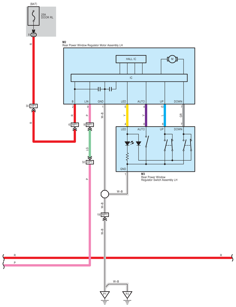
Fig 1: Power Window - Wiring Diagram (1 Of 6)
G07777102Courtesy of © TOYOTA, LICENSE AGREEMENT TMS1002
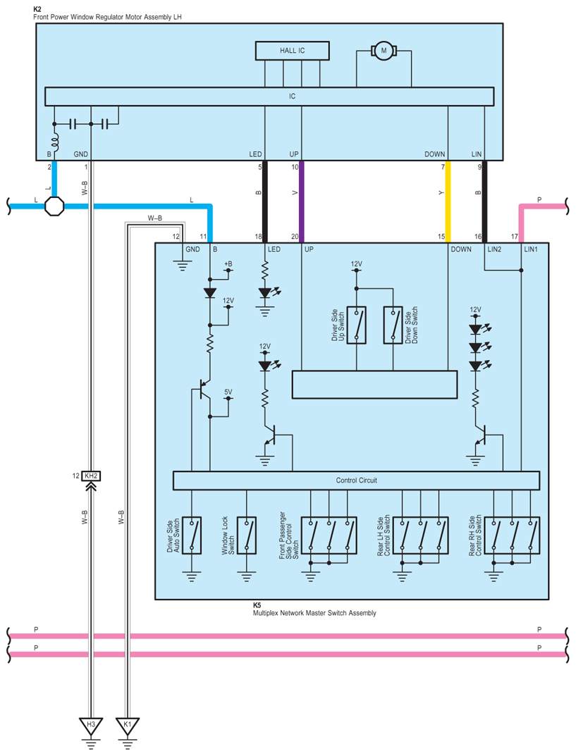
Fig 2: Power Window - Wiring Diagram (2 Of 6)
G07777103Courtesy of © TOYOTA, LICENSE AGREEMENT TMS1002
Fig 3: Power Window - Wiring Diagram (3 Of 6)
G07777104Courtesy of © TOYOTA, LICENSE AGREEMENT TMS1002
Fig 4: Power Window - Wiring Diagram (4 Of 6)
G07777105Courtesy of © TOYOTA, LICENSE AGREEMENT TMS1002
Fig 5: Power Window - Wiring Diagram (5 Of 6)
G07777106Courtesy of © TOYOTA, LICENSE AGREEMENT TMS1002
Fig 6: Power Window - Wiring Diagram (6 Of 6)
G07777107Courtesy of © TOYOTA, LICENSE AGREEMENT TMS1002