LEMON Manuals: Even more car manuals for everyone: 1960-2025
Home >> Lexus >> 2011 >> GS 350 AWD >> Repair and Diagnosis >> Electrical >> Body Electrical >> OEM System Circuits >> Cruise Control (2GR-FSE) >> Notes
April 5, 2026: LEMON Manuals is launched! Read the announcement.

Cruise Control (2GR-FSE): Notes

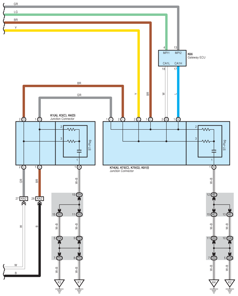
Fig 1: Cruise Control (2GR-FSE) - Circuit Diagram (1 Of 8)
G07573247Courtesy of © TOYOTA, LICENSE AGREEMENT TMS1002
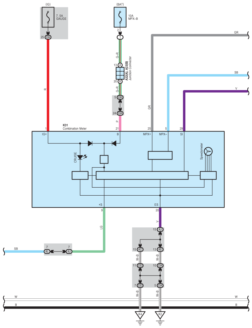
Fig 2: Cruise Control (2GR-FSE) - Circuit Diagram (2 Of 8)
G07573248Courtesy of © TOYOTA, LICENSE AGREEMENT TMS1002
Fig 3: Cruise Control (2GR-FSE) - Circuit Diagram (3 Of 8)
G07573249Courtesy of © TOYOTA, LICENSE AGREEMENT TMS1002
Fig 4: Cruise Control (2GR-FSE) - Circuit Diagram (4 Of 8)
G07573250Courtesy of © TOYOTA, LICENSE AGREEMENT TMS1002
Fig 5: Cruise Control (2GR-FSE) - Circuit Diagram (5 Of 8)
G07573251Courtesy of © TOYOTA, LICENSE AGREEMENT TMS1002
Fig 6: Cruise Control (2GR-FSE) - Circuit Diagram (6 Of 8)
G07573252Courtesy of © TOYOTA, LICENSE AGREEMENT TMS1002
Fig 7: Cruise Control (2GR-FSE) - Circuit Diagram (7 Of 8)
G07573253Courtesy of © TOYOTA, LICENSE AGREEMENT TMS1002
Fig 8: Cruise Control (2GR-FSE) - Circuit Diagram (8 Of 8)
G07573254Courtesy of © TOYOTA, LICENSE AGREEMENT TMS1002