LEMON Manuals: Even more car manuals for everyone: 1960-2025
Home >> Lexus >> 2011 >> GS 350 AWD >> Repair and Diagnosis >> Electrical >> Body Electrical >> OEM System Circuits >> VGRS System >> Notes
April 5, 2026: LEMON Manuals is launched! Read the announcement.

VGRS System: Notes

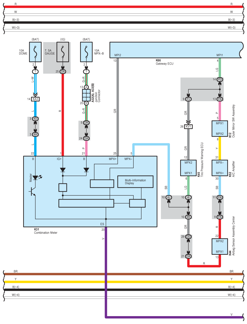
Fig 1: VGRS System - Circuit Diagram (1 Of 6)
G07573286Courtesy of © TOYOTA, LICENSE AGREEMENT TMS1002
Fig 2: VGRS System - Circuit Diagram (2 Of 6)
G07573287Courtesy of © TOYOTA, LICENSE AGREEMENT TMS1002
Fig 3: VGRS System - Circuit Diagram (3 Of 6)
G07573288Courtesy of © TOYOTA, LICENSE AGREEMENT TMS1002
Fig 4: VGRS System - Circuit Diagram (4 Of 6)
G07573289Courtesy of © TOYOTA, LICENSE AGREEMENT TMS1002
Fig 5: VGRS System - Circuit Diagram (5 Of 6)
G07573290Courtesy of © TOYOTA, LICENSE AGREEMENT TMS1002
Fig 6: VGRS System - Circuit Diagram (6 Of 6)
G07573291Courtesy of © TOYOTA, LICENSE AGREEMENT TMS1002