LEMON Manuals: Even more car manuals for everyone: 1960-2025
Home >> Lexus >> 2011 >> GS 350 RWD >> Repair and Diagnosis >> Electrical >> Body Electrical >> OEM System Circuits >> Audio System, LEXUS Navigation System, Parking Assist (Rear View Monitor) and Multi Display >> Notes
April 5, 2026: LEMON Manuals is launched! Read the announcement.

Audio System, LEXUS Navigation System, Parking Assist (Rear View Monitor) and Multi Display: Notes

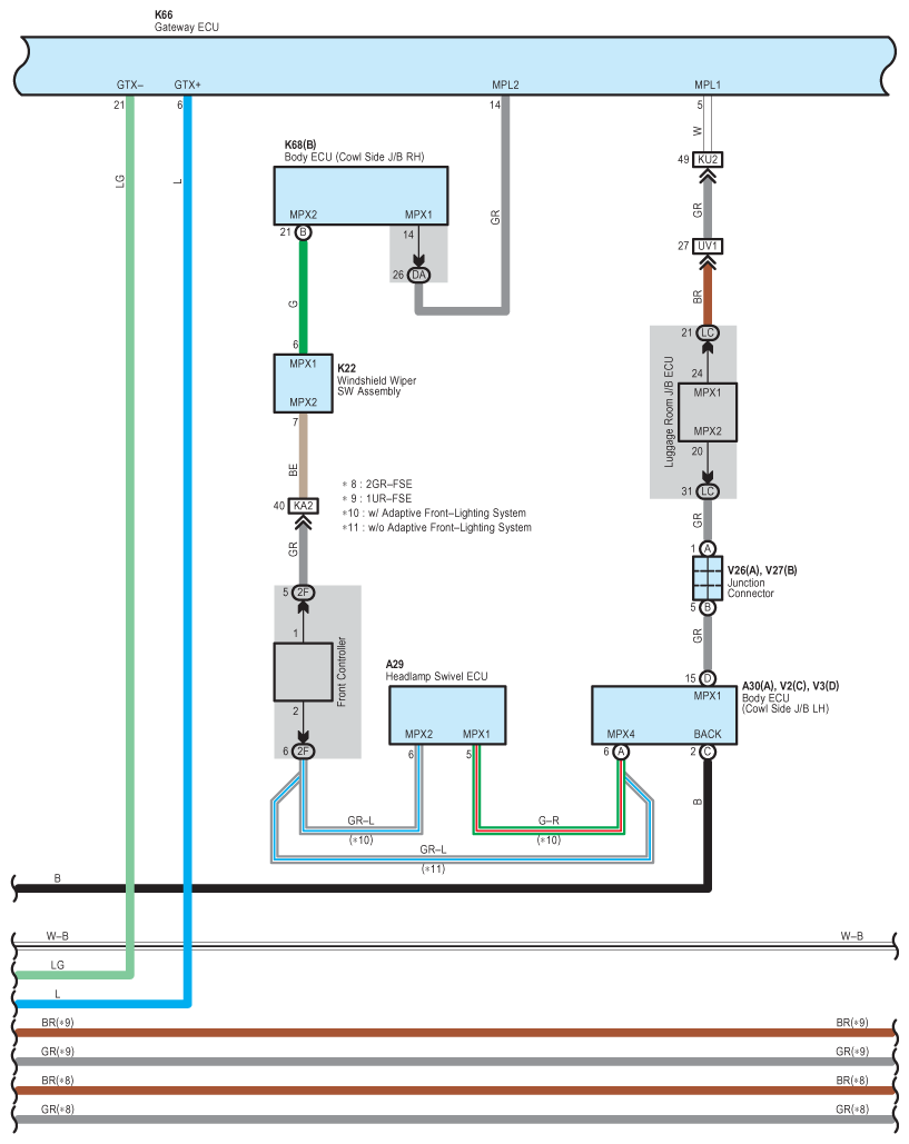
Fig 1: Audio System, Lexus Navigation System, Parking Assist (Rear View Monitor) And Multi Display - Circuit Diagram (1 Of 16)
G07573406Courtesy of © TOYOTA, LICENSE AGREEMENT TMS1002
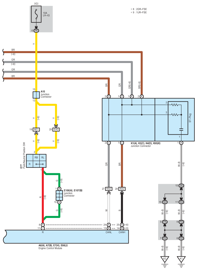
Fig 2: Audio System, Lexus Navigation System, Parking Assist (Rear View Monitor) And Multi Display - Circuit Diagram (2 Of 16)
G07573407Courtesy of © TOYOTA, LICENSE AGREEMENT TMS1002
Fig 3: Audio System, Lexus Navigation System, Parking Assist (Rear View Monitor) And Multi Display - Circuit Diagram (3 Of 16)
G07573408Courtesy of © TOYOTA, LICENSE AGREEMENT TMS1002
Fig 4: Audio System, Lexus Navigation System, Parking Assist (Rear View Monitor) And Multi Display - Circuit Diagram (4 Of 16)
G07573409Courtesy of © TOYOTA, LICENSE AGREEMENT TMS1002
Fig 5: Audio System, Lexus Navigation System, Parking Assist (Rear View Monitor) And Multi Display - Circuit Diagram (5 Of 16)
G07573410Courtesy of © TOYOTA, LICENSE AGREEMENT TMS1002
Fig 6: Audio System, Lexus Navigation System, Parking Assist (Rear View Monitor) And Multi Display - Circuit Diagram (6 Of 16)
G07573411Courtesy of © TOYOTA, LICENSE AGREEMENT TMS1002
Fig 7: Audio System, Lexus Navigation System, Parking Assist (Rear View Monitor) And Multi Display - Circuit Diagram (7 Of 16)
G07573412Courtesy of © TOYOTA, LICENSE AGREEMENT TMS1002
Fig 8: Audio System, Lexus Navigation System, Parking Assist (Rear View Monitor) And Multi Display - Circuit Diagram (8 Of 16)
G07573413Courtesy of © TOYOTA, LICENSE AGREEMENT TMS1002
Fig 9: Audio System, Lexus Navigation System, Parking Assist (Rear View Monitor) And Multi Display - Circuit Diagram (9 Of 16)
G07573414Courtesy of © TOYOTA, LICENSE AGREEMENT TMS1002
Fig 10: Audio System, Lexus Navigation System, Parking Assist (Rear View Monitor) And Multi Display - Circuit Diagram (10 Of 16)
G07573415Courtesy of © TOYOTA, LICENSE AGREEMENT TMS1002
Fig 11: Audio System, Lexus Navigation System, Parking Assist (Rear View Monitor) And Multi Display - Circuit Diagram (11 Of 16)
G07573416Courtesy of © TOYOTA, LICENSE AGREEMENT TMS1002
Fig 12: Audio System, Lexus Navigation System, Parking Assist (Rear View Monitor) And Multi Display - Circuit Diagram (12 Of 16)
G07573417Courtesy of © TOYOTA, LICENSE AGREEMENT TMS1002
Fig 13: Audio System, Lexus Navigation System, Parking Assist (Rear View Monitor) And Multi Display - Circuit Diagram (13 Of 16)
G07573418Courtesy of © TOYOTA, LICENSE AGREEMENT TMS1002
Fig 14: Audio System, Lexus Navigation System, Parking Assist (Rear View Monitor) And Multi Display - Circuit Diagram (14 Of 16)
G07573419Courtesy of © TOYOTA, LICENSE AGREEMENT TMS1002
Fig 15: Audio System, Lexus Navigation System, Parking Assist (Rear View Monitor) And Multi Display - Circuit Diagram (15 Of 16)
G07573420Courtesy of © TOYOTA, LICENSE AGREEMENT TMS1002
Fig 16: Audio System, Lexus Navigation System, Parking Assist (Rear View Monitor) And Multi Display - Circuit Diagram (16 Of 16)
G07573421Courtesy of © TOYOTA, LICENSE AGREEMENT TMS1002