LEMON Manuals: Even more car manuals for everyone: 1960-2025
Home >> Lexus >> 2011 >> GS 450h >> Repair and Diagnosis >> Electrical >> Body Electrical >> OEM System Circuits >> Cruise Control >> Notes
April 5, 2026: LEMON Manuals is launched! Read the announcement.

Cruise Control: Notes

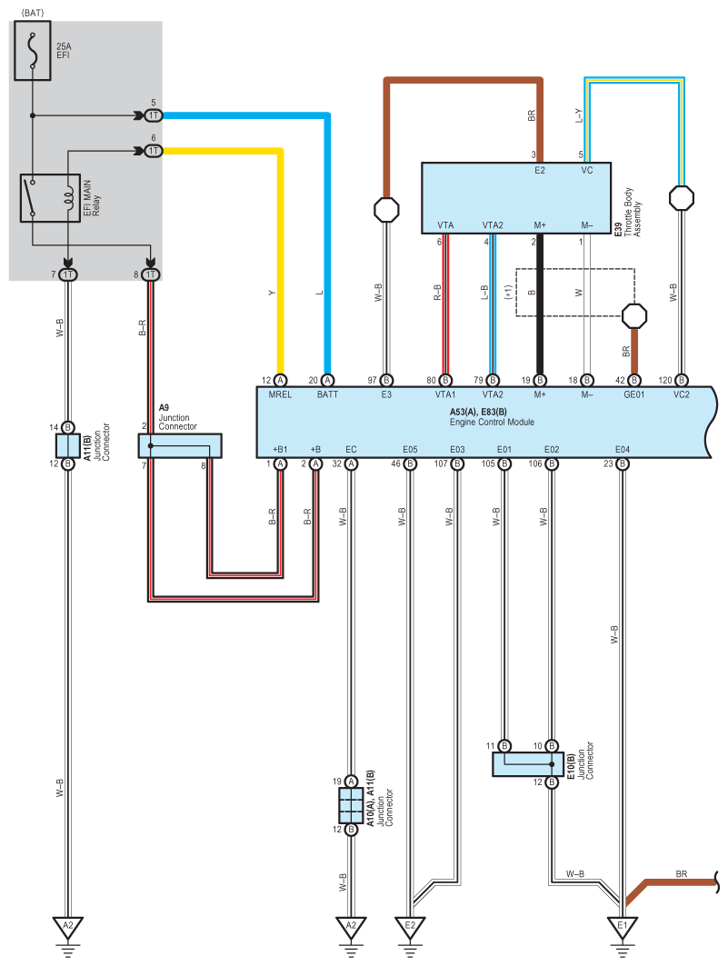
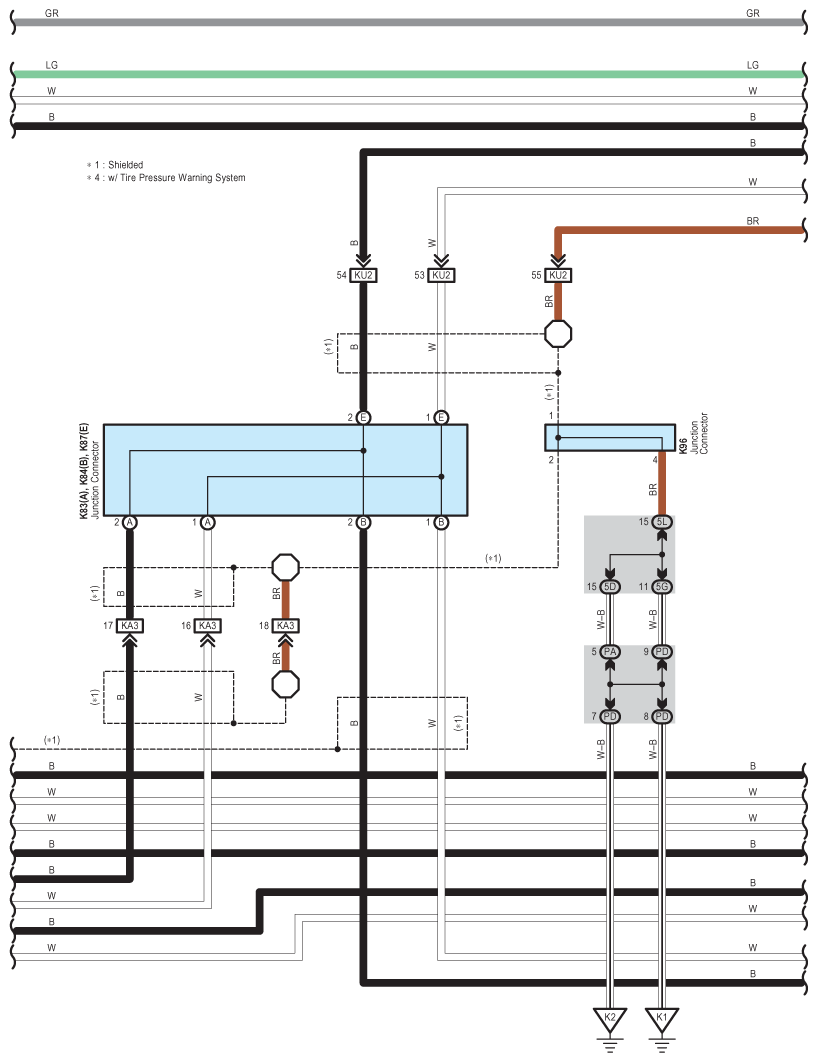
Fig 1: Cruise Control - Circuit Diagram (1 Of 16)
G07570196Courtesy of © TOYOTA, LICENSE AGREEMENT TMS1002
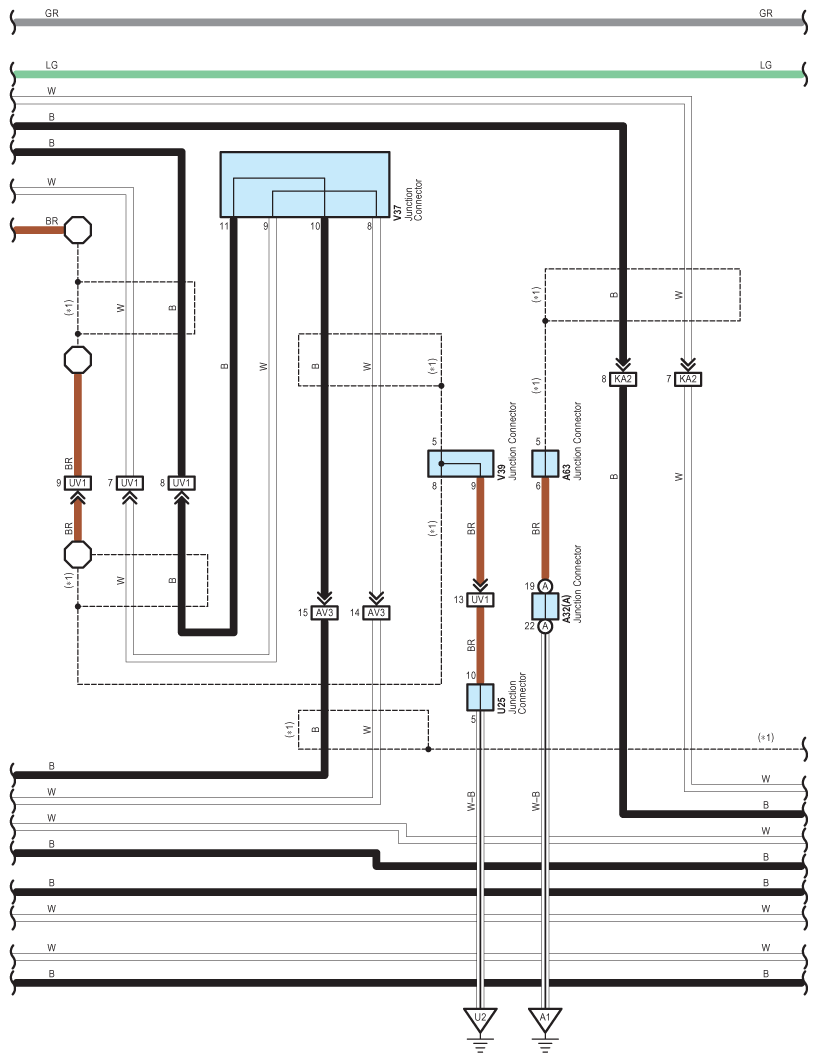
Fig 2: Cruise Control - Circuit Diagram (2 Of 16)
G07570197Courtesy of © TOYOTA, LICENSE AGREEMENT TMS1002
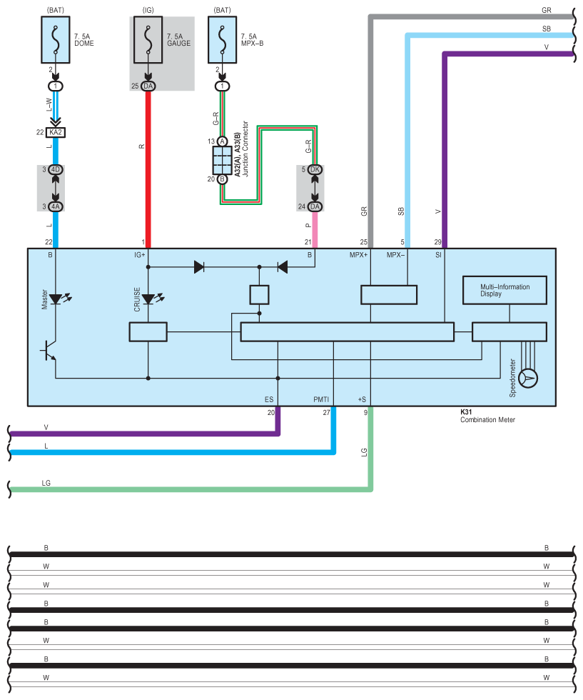
Fig 3: Cruise Control - Circuit Diagram (3 Of 16)
G07570198Courtesy of © TOYOTA, LICENSE AGREEMENT TMS1002
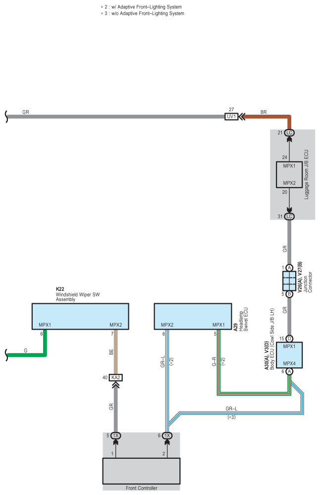
Fig 4: Cruise Control - Circuit Diagram (4 Of 16)
G07570199Courtesy of © TOYOTA, LICENSE AGREEMENT TMS1002
Fig 5: Cruise Control - Circuit Diagram (5 Of 16)
G07570200Courtesy of © TOYOTA, LICENSE AGREEMENT TMS1002
Fig 6: Cruise Control - Circuit Diagram (6 Of 16)
G07570201Courtesy of © TOYOTA, LICENSE AGREEMENT TMS1002
Fig 7: Cruise Control - Circuit Diagram (7 Of 16)
G07570202Courtesy of © TOYOTA, LICENSE AGREEMENT TMS1002
Fig 8: Cruise Control - Circuit Diagram (8 Of 16)
G07570203Courtesy of © TOYOTA, LICENSE AGREEMENT TMS1002
Fig 9: Cruise Control - Circuit Diagram (9 Of 16)
G07570204Courtesy of © TOYOTA, LICENSE AGREEMENT TMS1002
Fig 10: Cruise Control - Circuit Diagram (10 Of 16)
G07570205Courtesy of © TOYOTA, LICENSE AGREEMENT TMS1002
Fig 11: Cruise Control - Circuit Diagram (11 Of 16)
G07570206Courtesy of © TOYOTA, LICENSE AGREEMENT TMS1002
Fig 12: Cruise Control - Circuit Diagram (12 Of 16)
G07570207Courtesy of © TOYOTA, LICENSE AGREEMENT TMS1002
Fig 13: Cruise Control - Circuit Diagram (13 Of 16)
G07570208Courtesy of © TOYOTA, LICENSE AGREEMENT TMS1002
Fig 14: Cruise Control - Circuit Diagram (14 Of 16)
G07570209Courtesy of © TOYOTA, LICENSE AGREEMENT TMS1002
Fig 15: Cruise Control - Circuit Diagram (15 Of 16)
G07570210Courtesy of © TOYOTA, LICENSE AGREEMENT TMS1002
Fig 16: Cruise Control - Circuit Diagram (16 Of 16)
G07570211Courtesy of © TOYOTA, LICENSE AGREEMENT TMS1002