LEMON Manuals: Even more car manuals for everyone: 1960-2025
Home >> Lexus >> 2011 >> GS 450h >> Repair and Diagnosis >> Electrical >> Body Electrical >> OEM System Circuits >> Door Lock Control >> Notes
April 5, 2026: LEMON Manuals is launched! Read the announcement.

Door Lock Control: Notes

Fig 1: Door Lock Control - Circuit Diagram (1 Of 9)
G07570153Courtesy of © TOYOTA, LICENSE AGREEMENT TMS1002
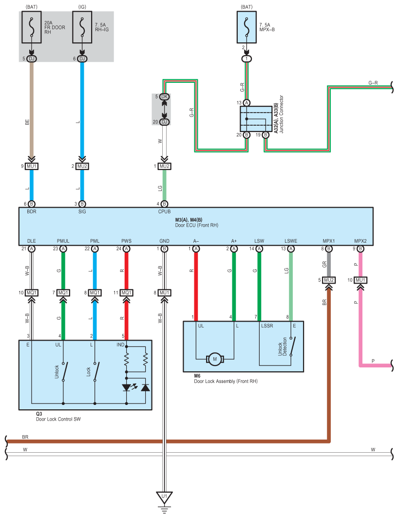
Fig 2: Door Lock Control - Circuit Diagram (2 Of 9)
G07570154Courtesy of © TOYOTA, LICENSE AGREEMENT TMS1002
Fig 3: Door Lock Control - Circuit Diagram (3 Of 9)
G07570155Courtesy of © TOYOTA, LICENSE AGREEMENT TMS1002
Fig 4: Door Lock Control - Circuit Diagram (4 Of 9)
G07570156Courtesy of © TOYOTA, LICENSE AGREEMENT TMS1002
Fig 5: Door Lock Control - Circuit Diagram (5 Of 9)
G07570157Courtesy of © TOYOTA, LICENSE AGREEMENT TMS1002
Fig 6: Door Lock Control - Circuit Diagram (6 Of 9)
G07570158Courtesy of © TOYOTA, LICENSE AGREEMENT TMS1002
Fig 7: Door Lock Control - Circuit Diagram (7 Of 9)
G07570159Courtesy of © TOYOTA, LICENSE AGREEMENT TMS1002
Fig 8: Door Lock Control - Circuit Diagram (8 Of 9)
G07570160Courtesy of © TOYOTA, LICENSE AGREEMENT TMS1002
Fig 9: Door Lock Control - Circuit Diagram (9 Of 9)
G07570161Courtesy of © TOYOTA, LICENSE AGREEMENT TMS1002