LEMON Manuals: Even more car manuals for everyone: 1960-2025
Home >> Lexus >> 2011 >> GS 450h >> Repair and Diagnosis >> Electrical >> Body Electrical >> OEM System Circuits >> Engine Control >> Notes
April 5, 2026: LEMON Manuals is launched! Read the announcement.

Engine Control: Notes

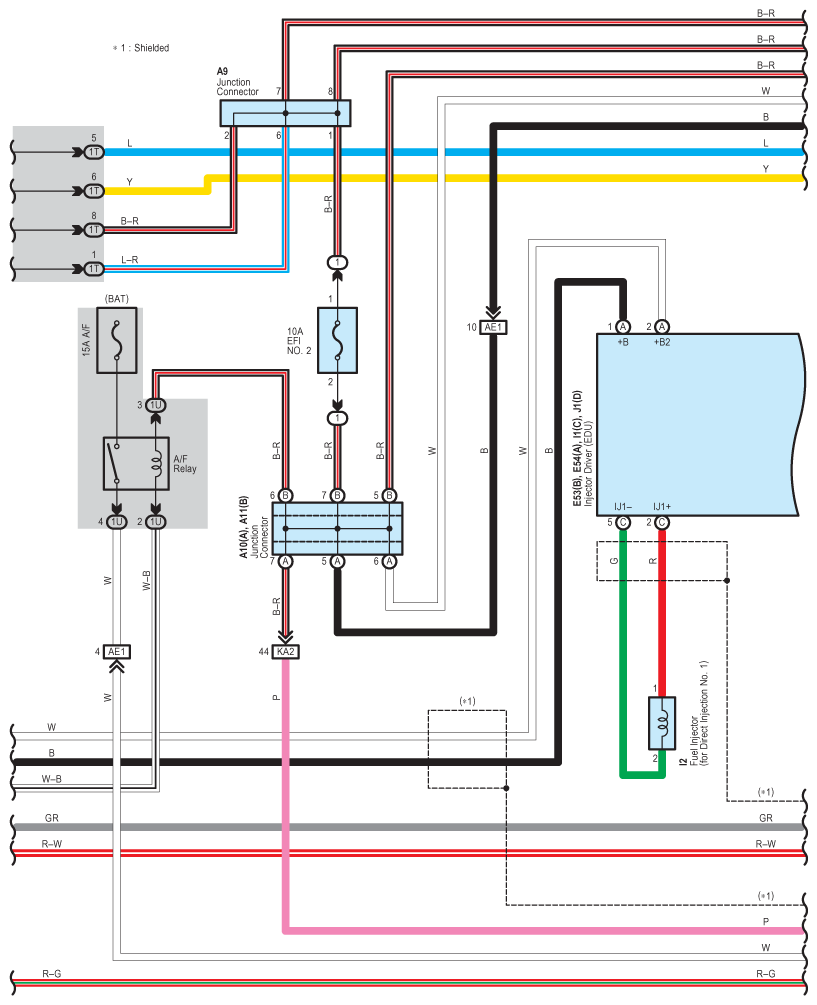
Fig 1: Engine Control - Circuit Diagram (1 Of 17)
G07570038Courtesy of © TOYOTA, LICENSE AGREEMENT TMS1002
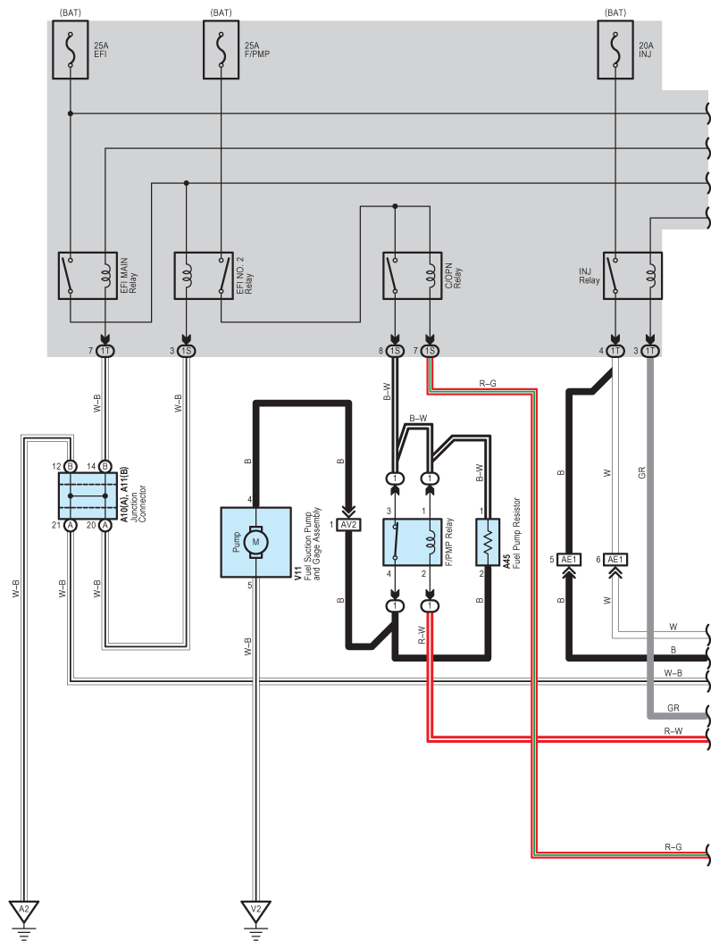
Fig 2: Engine Control - Circuit Diagram (2 Of 17)
G07570039Courtesy of © TOYOTA, LICENSE AGREEMENT TMS1002
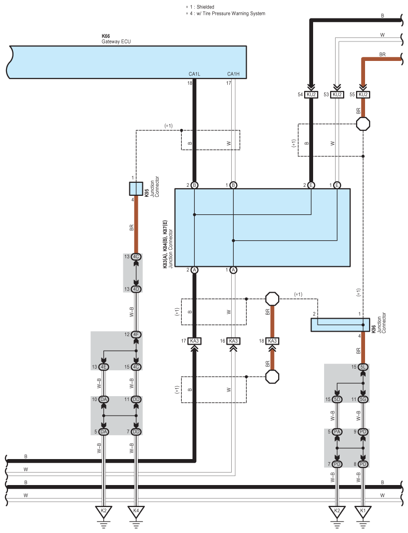
Fig 3: Engine Control - Circuit Diagram (3 Of 17)
G07570040Courtesy of © TOYOTA, LICENSE AGREEMENT TMS1002
Fig 4: Engine Control - Circuit Diagram (4 Of 17)
G07570041Courtesy of © TOYOTA, LICENSE AGREEMENT TMS1002
Fig 5: Engine Control - Circuit Diagram (5 Of 17)
G07570042Courtesy of © TOYOTA, LICENSE AGREEMENT TMS1002
Fig 6: Engine Control - Circuit Diagram (6 Of 17)
G07570043Courtesy of © TOYOTA, LICENSE AGREEMENT TMS1002
Fig 7: Engine Control - Circuit Diagram (7 Of 17)
G07570044Courtesy of © TOYOTA, LICENSE AGREEMENT TMS1002
Fig 8: Engine Control - Circuit Diagram (8 Of 17)
G07570045Courtesy of © TOYOTA, LICENSE AGREEMENT TMS1002
Fig 9: Engine Control - Circuit Diagram (9 Of 17)
G07570046Courtesy of © TOYOTA, LICENSE AGREEMENT TMS1002
Fig 10: Engine Control - Circuit Diagram (10 Of 17)
G07570047Courtesy of © TOYOTA, LICENSE AGREEMENT TMS1002
Fig 11: Engine Control - Circuit Diagram (11 Of 17)
G07570048Courtesy of © TOYOTA, LICENSE AGREEMENT TMS1002
Fig 12: Engine Control - Circuit Diagram (12 Of 17)
G07570049Courtesy of © TOYOTA, LICENSE AGREEMENT TMS1002
Fig 13: Engine Control - Circuit Diagram (13 Of 17)
G07570050Courtesy of © TOYOTA, LICENSE AGREEMENT TMS1002
Fig 14: Engine Control - Circuit Diagram (14 Of 17)
G07570051Courtesy of © TOYOTA, LICENSE AGREEMENT TMS1002
Fig 15: Engine Control - Circuit Diagram (15 Of 17)
G07570052Courtesy of © TOYOTA, LICENSE AGREEMENT TMS1002
Fig 16: Engine Control - Circuit Diagram (16 Of 17)
G07570053Courtesy of © TOYOTA, LICENSE AGREEMENT TMS1002
Fig 17: Engine Control - Circuit Diagram (17 Of 17)
G07570054Courtesy of © TOYOTA, LICENSE AGREEMENT TMS1002