LEMON Manuals: Even more car manuals for everyone: 1960-2025
Home >> Lexus >> 2011 >> GS 450h >> Repair and Diagnosis >> External Pages >> Different car >> Section 110 (OEM System Circuits) >> Cruise Control >> Notes
April 5, 2026: LEMON Manuals is launched! Read the announcement.

Cruise Control: Notes

WARNING: This page is about a different car, the 2010 Lexus GS 450h. However, it is still accessible from the selected car via links, so may be relevant.
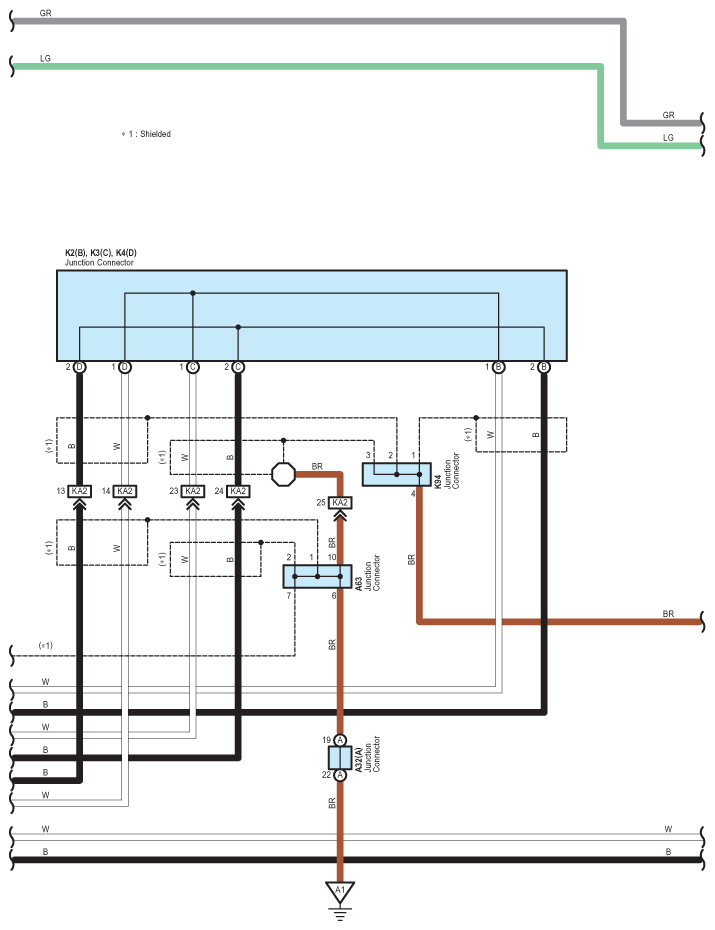
Fig 1: Cruise Control - Wiring Diagram (1 Of 16)
G07557922Courtesy of © TOYOTA, LICENSE AGREEMENT TMS1002
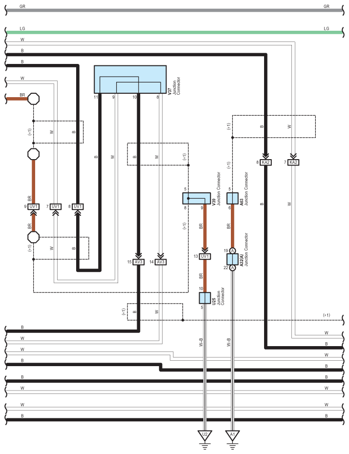
Fig 2: Cruise Control - Wiring Diagram (2 Of 16)
G07557923Courtesy of © TOYOTA, LICENSE AGREEMENT TMS1002
Fig 3: Cruise Control - Wiring Diagram (3 Of 16)
G07557924Courtesy of © TOYOTA, LICENSE AGREEMENT TMS1002
Fig 4: Cruise Control - Wiring Diagram (4 Of 16)
G07557925Courtesy of © TOYOTA, LICENSE AGREEMENT TMS1002
Fig 5: Cruise Control - Wiring Diagram (5 Of 16)
G07557926Courtesy of © TOYOTA, LICENSE AGREEMENT TMS1002
Fig 6: Cruise Control - Wiring Diagram (6 Of 16)
G07557927Courtesy of © TOYOTA, LICENSE AGREEMENT TMS1002
Fig 7: Cruise Control - Wiring Diagram (7 Of 16)
G07557928Courtesy of © TOYOTA, LICENSE AGREEMENT TMS1002
Fig 8: Cruise Control - Wiring Diagram (8 Of 16)
G07557929Courtesy of © TOYOTA, LICENSE AGREEMENT TMS1002
Fig 9: Cruise Control - Wiring Diagram (9 Of 16)
G07557930Courtesy of © TOYOTA, LICENSE AGREEMENT TMS1002
Fig 10: Cruise Control - Wiring Diagram (10 Of 16)
G07557931Courtesy of © TOYOTA, LICENSE AGREEMENT TMS1002
Fig 11: Cruise Control - Wiring Diagram (11 Of 16)
G07557932Courtesy of © TOYOTA, LICENSE AGREEMENT TMS1002
Fig 12: Cruise Control - Wiring Diagram (12 Of 16)
G07557933Courtesy of © TOYOTA, LICENSE AGREEMENT TMS1002
Fig 13: Cruise Control - Wiring Diagram (13 Of 16)
G07557934Courtesy of © TOYOTA, LICENSE AGREEMENT TMS1002
Fig 14: Cruise Control - Wiring Diagram (14 Of 16)
G07557935Courtesy of © TOYOTA, LICENSE AGREEMENT TMS1002
Fig 15: Cruise Control - Wiring Diagram (15 Of 16)
G07557936Courtesy of © TOYOTA, LICENSE AGREEMENT TMS1002
Fig 16: Cruise Control - Wiring Diagram (16 Of 16)
G07557937Courtesy of © TOYOTA, LICENSE AGREEMENT TMS1002