LEMON Manuals: Even more car manuals for everyone: 1960-2025
Home >> Lexus >> 2011 >> GS 450h >> Repair and Diagnosis >> External Pages >> Different car >> Section 110 (OEM System Circuits) >> Dynamic Radar Cruise Control >> Notes
April 5, 2026: LEMON Manuals is launched! Read the announcement.

Dynamic Radar Cruise Control: Notes

WARNING: This page is about a different car, the 2010 Lexus GS 450h. However, it is still accessible from the selected car via links, so may be relevant.
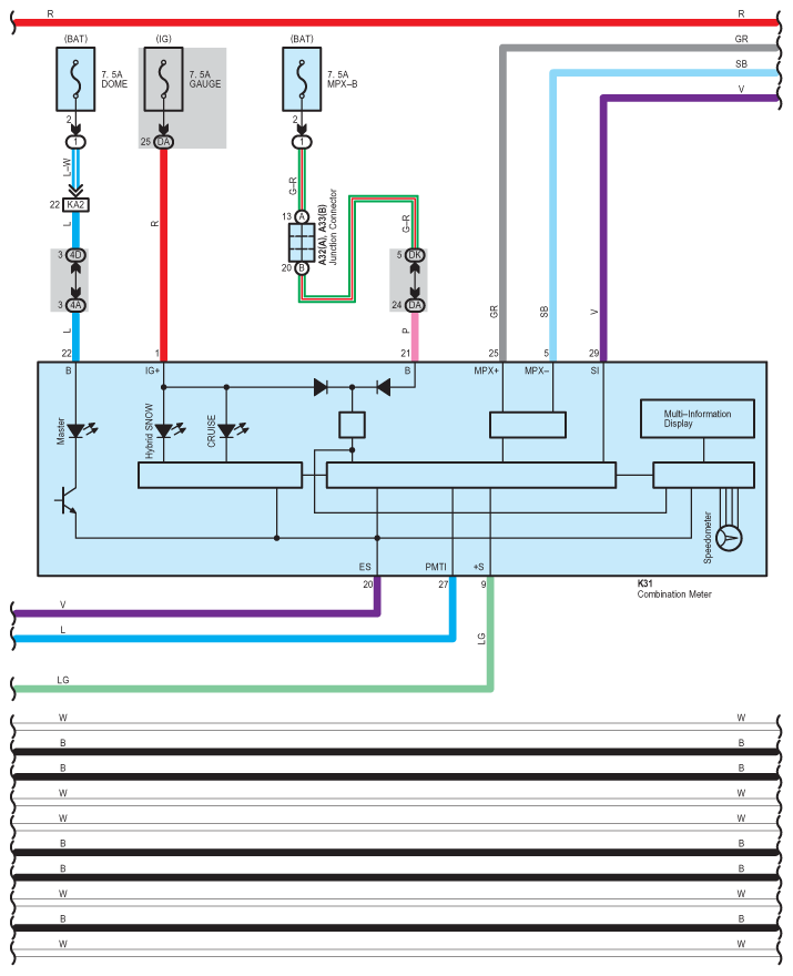
Fig 1: Dynamic Radar Cruise Control - Wiring Diagram (1 Of 23)
G07557899Courtesy of © TOYOTA, LICENSE AGREEMENT TMS1002
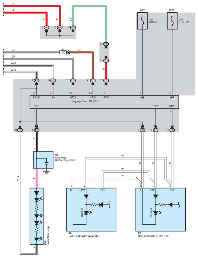
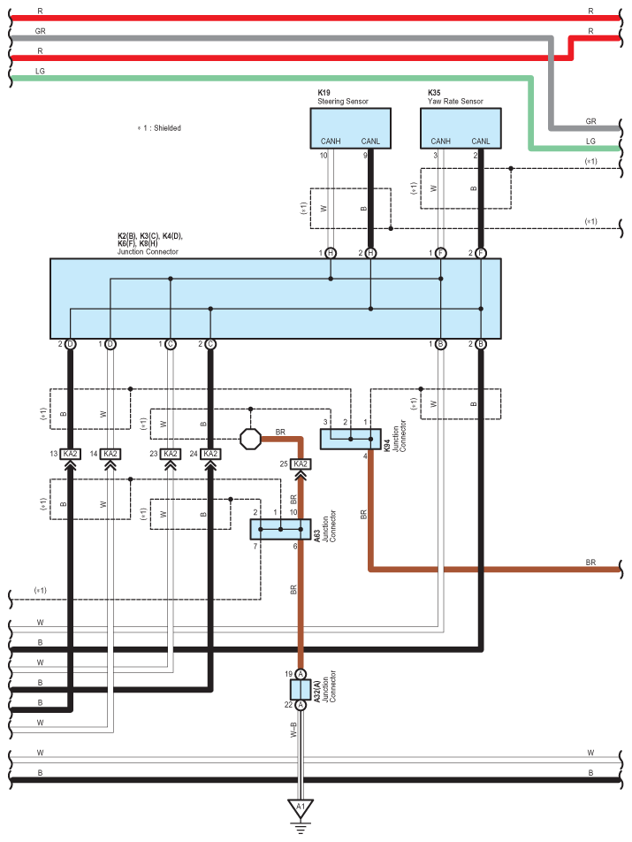
Fig 2: Dynamic Radar Cruise Control - Wiring Diagram (2 Of 23)
G07557900Courtesy of © TOYOTA, LICENSE AGREEMENT TMS1002
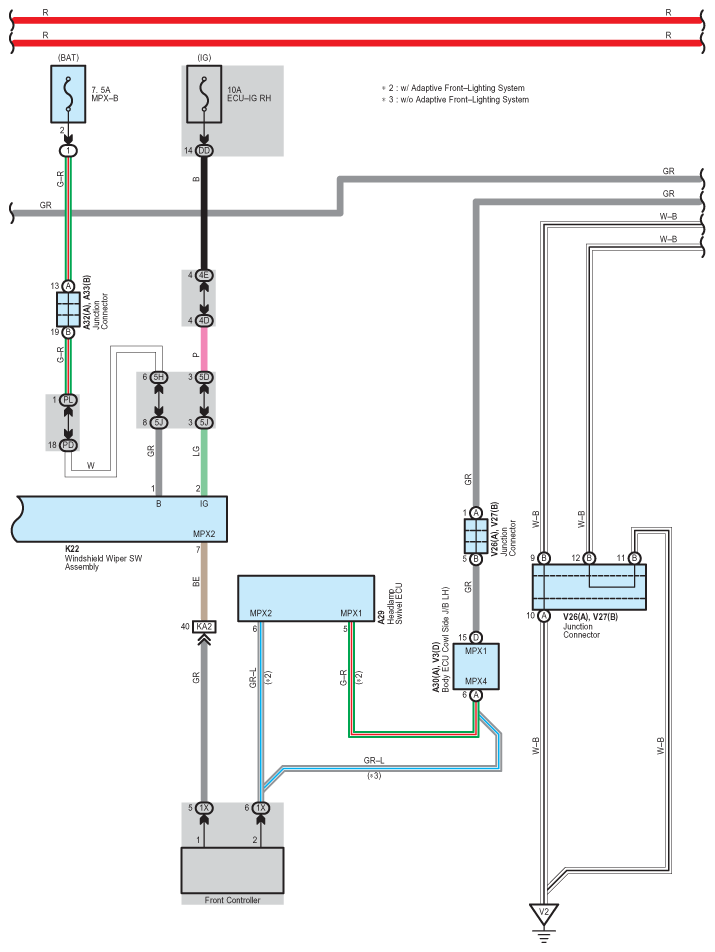
Fig 3: Dynamic Radar Cruise Control - Wiring Diagram (3 Of 23)
G07557901Courtesy of © TOYOTA, LICENSE AGREEMENT TMS1002
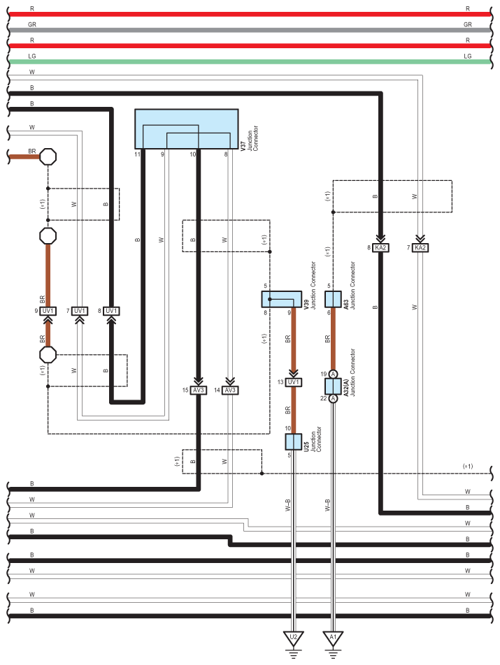
Fig 4: Dynamic Radar Cruise Control - Wiring Diagram (4 Of 23)
G07557902Courtesy of © TOYOTA, LICENSE AGREEMENT TMS1002
Fig 5: Dynamic Radar Cruise Control - Wiring Diagram (5 Of 23)
G07557903Courtesy of © TOYOTA, LICENSE AGREEMENT TMS1002
Fig 6: Dynamic Radar Cruise Control - Wiring Diagram (6 Of 23)
G07557904Courtesy of © TOYOTA, LICENSE AGREEMENT TMS1002
Fig 7: Dynamic Radar Cruise Control - Wiring Diagram (7 Of 23)
G07557905Courtesy of © TOYOTA, LICENSE AGREEMENT TMS1002
Fig 8: Dynamic Radar Cruise Control - Wiring Diagram (8 Of 23)
G07557906Courtesy of © TOYOTA, LICENSE AGREEMENT TMS1002
Fig 9: Dynamic Radar Cruise Control - Wiring Diagram (9 Of 23)
G07557907Courtesy of © TOYOTA, LICENSE AGREEMENT TMS1002
Fig 10: Dynamic Radar Cruise Control - Wiring Diagram (10 Of 23)
G07557908Courtesy of © TOYOTA, LICENSE AGREEMENT TMS1002
Fig 11: Dynamic Radar Cruise Control - Wiring Diagram (11 Of 23)
G07557909Courtesy of © TOYOTA, LICENSE AGREEMENT TMS1002
Fig 12: Dynamic Radar Cruise Control - Wiring Diagram (12 Of 23)
G07557910Courtesy of © TOYOTA, LICENSE AGREEMENT TMS1002
Fig 13: Dynamic Radar Cruise Control - Wiring Diagram (13 Of 23)
G07557911Courtesy of © TOYOTA, LICENSE AGREEMENT TMS1002
Fig 14: Dynamic Radar Cruise Control - Wiring Diagram (14 Of 23)
G07557912Courtesy of © TOYOTA, LICENSE AGREEMENT TMS1002
Fig 15: Dynamic Radar Cruise Control - Wiring Diagram (15 Of 23)
G07557913Courtesy of © TOYOTA, LICENSE AGREEMENT TMS1002
Fig 16: Dynamic Radar Cruise Control - Wiring Diagram (16 Of 23)
G07557914Courtesy of © TOYOTA, LICENSE AGREEMENT TMS1002
Fig 17: Dynamic Radar Cruise Control - Wiring Diagram (17 Of 23)
G07557915Courtesy of © TOYOTA, LICENSE AGREEMENT TMS1002
Fig 18: Dynamic Radar Cruise Control - Wiring Diagram (18 Of 23)
G07557916Courtesy of © TOYOTA, LICENSE AGREEMENT TMS1002
Fig 19: Dynamic Radar Cruise Control - Wiring Diagram (19 Of 23)
G07557917Courtesy of © TOYOTA, LICENSE AGREEMENT TMS1002
Fig 20: Dynamic Radar Cruise Control - Wiring Diagram (20 Of 23)
G07557918Courtesy of © TOYOTA, LICENSE AGREEMENT TMS1002
Fig 21: Dynamic Radar Cruise Control - Wiring Diagram (21 Of 23)
G07557919Courtesy of © TOYOTA, LICENSE AGREEMENT TMS1002
Fig 22: Dynamic Radar Cruise Control - Wiring Diagram (22 Of 23)
G07557920Courtesy of © TOYOTA, LICENSE AGREEMENT TMS1002
Fig 23: Dynamic Radar Cruise Control - Wiring Diagram (23 Of 23)
G07557921Courtesy of © TOYOTA, LICENSE AGREEMENT TMS1002