LEMON Manuals: Even more car manuals for everyone: 1960-2025
Home >> Lexus >> 2011 >> GS 450h >> Repair and Diagnosis >> External Pages >> Different car >> Section 110 (OEM System Circuits) >> EPS >> Notes
April 5, 2026: LEMON Manuals is launched! Read the announcement.

Section 110 (OEM System Circuits): EPS: Notes

WARNING: This page is about a different car, the 2010 Lexus GS 450h. However, it is still accessible from the selected car via links, so may be relevant.
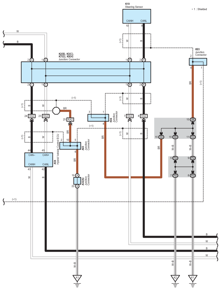
Fig 1: EPS - Wiring Diagram (1 Of 7)
G07557953Courtesy of © TOYOTA, LICENSE AGREEMENT TMS1002
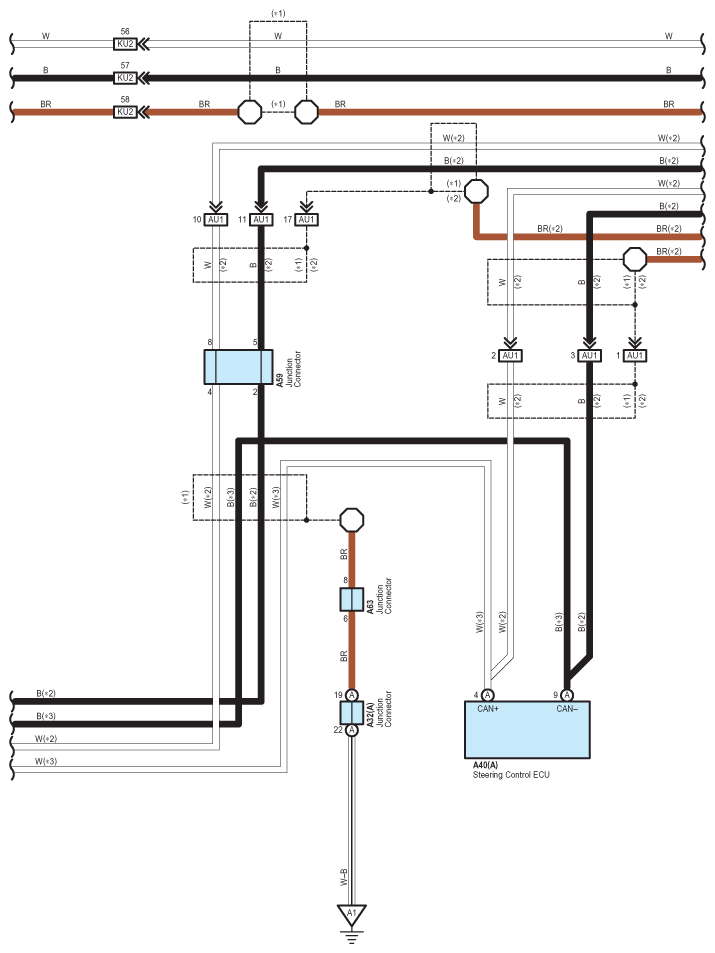
Fig 2: EPS - Wiring Diagram (2 Of 7)
G07557954Courtesy of © TOYOTA, LICENSE AGREEMENT TMS1002
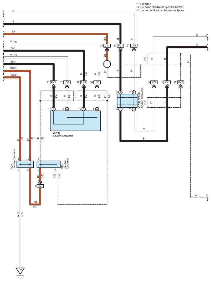
Fig 3: EPS - Wiring Diagram (3 Of 7)
G07557955Courtesy of © TOYOTA, LICENSE AGREEMENT TMS1002
Fig 4: EPS - Wiring Diagram (4 Of 7)
G07557956Courtesy of © TOYOTA, LICENSE AGREEMENT TMS1002
Fig 5: EPS - Wiring Diagram (5 Of 7)
G07557957Courtesy of © TOYOTA, LICENSE AGREEMENT TMS1002
Fig 6: EPS - Wiring Diagram (6 Of 7)
G07557958Courtesy of © TOYOTA, LICENSE AGREEMENT TMS1002
Fig 7: EPS - Wiring Diagram (7 Of 7)
G07557959Courtesy of © TOYOTA, LICENSE AGREEMENT TMS1002