LEMON Manuals: Even more car manuals for everyone: 1960-2025
Home >> Lexus >> 2011 >> GS 450h >> Repair and Diagnosis >> External Pages >> Different car >> Section 110 (OEM System Circuits) >> Hybrid System and Shift Control System >> Notes
April 5, 2026: LEMON Manuals is launched! Read the announcement.

Hybrid System and Shift Control System: Notes

WARNING: This page is about a different car, the 2010 Lexus GS 450h. However, it is still accessible from the selected car via links, so may be relevant.
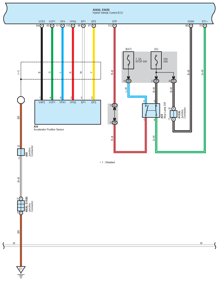
Fig 1: Hybrid System And Shift Control System - Wiring Diagram (1 Of 23)
G07557741Courtesy of © TOYOTA, LICENSE AGREEMENT TMS1002
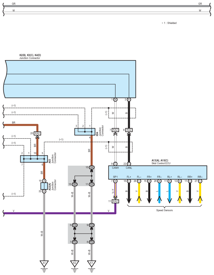
Fig 2: Hybrid System And Shift Control System - Wiring Diagram (2 Of 23)
G07557742Courtesy of © TOYOTA, LICENSE AGREEMENT TMS1002
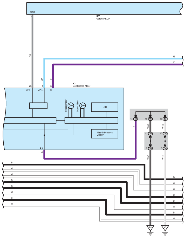
Fig 3: Hybrid System And Shift Control System - Wiring Diagram (3 Of 23)
G07557743Courtesy of © TOYOTA, LICENSE AGREEMENT TMS1002
Fig 4: Hybrid System And Shift Control System - Wiring Diagram (4 Of 23)
G07557744Courtesy of © TOYOTA, LICENSE AGREEMENT TMS1002
Fig 5: Hybrid System And Shift Control System - Wiring Diagram (5 Of 23)
G07557745Courtesy of © TOYOTA, LICENSE AGREEMENT TMS1002
Fig 6: Hybrid System And Shift Control System - Wiring Diagram (6 Of 23)
G07557746Courtesy of © TOYOTA, LICENSE AGREEMENT TMS1002
Fig 7: Hybrid System And Shift Control System - Wiring Diagram (7 Of 23)
G07557747Courtesy of © TOYOTA, LICENSE AGREEMENT TMS1002
Fig 8: Hybrid System And Shift Control System - Wiring Diagram (8 Of 23)
G07557748Courtesy of © TOYOTA, LICENSE AGREEMENT TMS1002
Fig 9: Hybrid System And Shift Control System - Wiring Diagram (9 Of 23)
G07557749Courtesy of © TOYOTA, LICENSE AGREEMENT TMS1002
Fig 10: Hybrid System And Shift Control System - Wiring Diagram (10 Of 23)
G07557750Courtesy of © TOYOTA, LICENSE AGREEMENT TMS1002
Fig 11: Hybrid System And Shift Control System - Wiring Diagram (11 Of 23)
G07557751Courtesy of © TOYOTA, LICENSE AGREEMENT TMS1002
Fig 12: Hybrid System And Shift Control System - Wiring Diagram (12 Of 23)
G07557752Courtesy of © TOYOTA, LICENSE AGREEMENT TMS1002
Fig 13: Hybrid System And Shift Control System - Wiring Diagram (13 Of 23)
G07557753Courtesy of © TOYOTA, LICENSE AGREEMENT TMS1002
Fig 14: Hybrid System And Shift Control System - Wiring Diagram (14 Of 23)
G07557754Courtesy of © TOYOTA, LICENSE AGREEMENT TMS1002
Fig 15: Hybrid System And Shift Control System - Wiring Diagram (15 Of 23)
G07557755Courtesy of © TOYOTA, LICENSE AGREEMENT TMS1002
Fig 16: Hybrid System And Shift Control System - Wiring Diagram (16 Of 23)
G07557756Courtesy of © TOYOTA, LICENSE AGREEMENT TMS1002
Fig 17: Hybrid System And Shift Control System - Wiring Diagram (17 Of 23)
G07557757Courtesy of © TOYOTA, LICENSE AGREEMENT TMS1002
Fig 18: Hybrid System And Shift Control System - Wiring Diagram (18 Of 23)
G07557758Courtesy of © TOYOTA, LICENSE AGREEMENT TMS1002
Fig 19: Hybrid System And Shift Control System - Wiring Diagram (19 Of 23)
G07557759Courtesy of © TOYOTA, LICENSE AGREEMENT TMS1002
Fig 20: Hybrid System And Shift Control System - Wiring Diagram (20 Of 23)
G07557760Courtesy of © TOYOTA, LICENSE AGREEMENT TMS1002
Fig 21: Hybrid System And Shift Control System - Wiring Diagram (21 Of 23)
G07557761Courtesy of © TOYOTA, LICENSE AGREEMENT TMS1002
Fig 22: Hybrid System And Shift Control System - Wiring Diagram (22 Of 23)
G07557762Courtesy of © TOYOTA, LICENSE AGREEMENT TMS1002
Fig 23: Hybrid System And Shift Control System - Wiring Diagram (23 Of 23)
G07557763Courtesy of © TOYOTA, LICENSE AGREEMENT TMS1002