LEMON Manuals: Even more car manuals for everyone: 1960-2025
Home >> Lexus >> 2011 >> GS 450h >> Repair and Diagnosis >> External Pages >> Different car >> Section 110 (OEM System Circuits) >> Power Window >> Notes
April 5, 2026: LEMON Manuals is launched! Read the announcement.

Power Window: Notes

WARNING: This page is about a different car, the 2010 Lexus GS 450h. However, it is still accessible from the selected car via links, so may be relevant.
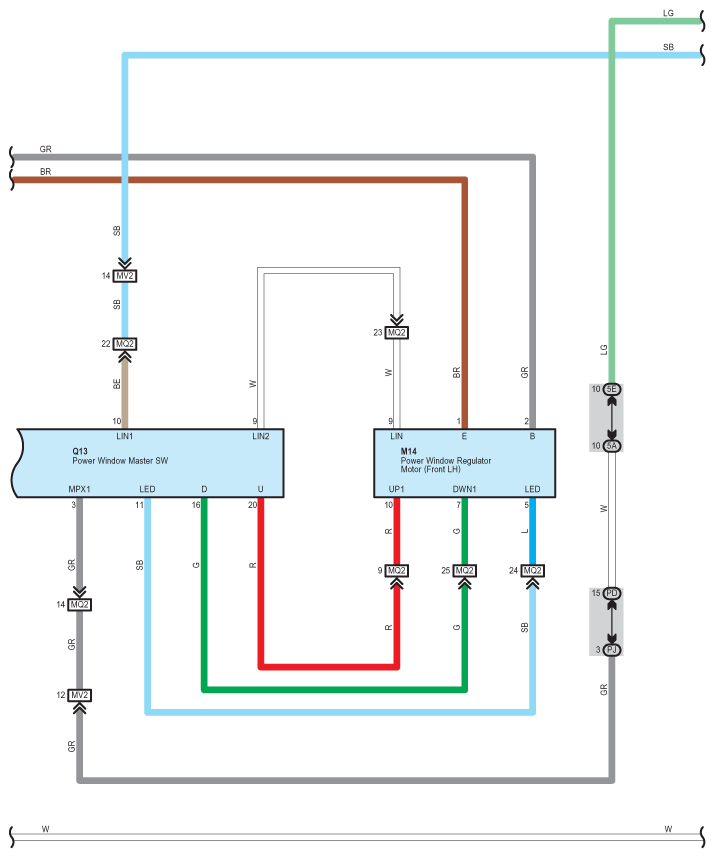
Fig 1: Power Window - Wiring Diagram (1 Of 8)
G07557871Courtesy of © TOYOTA, LICENSE AGREEMENT TMS1002
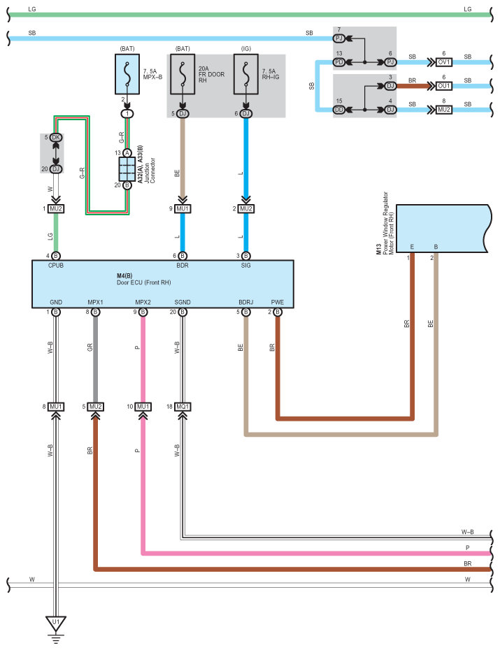
Fig 2: Power Window - Wiring Diagram (2 Of 8)
G07557872Courtesy of © TOYOTA, LICENSE AGREEMENT TMS1002
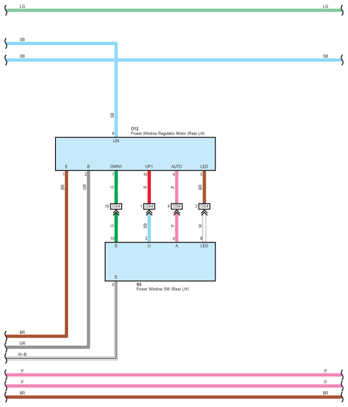
Fig 3: Power Window - Wiring Diagram (3 Of 8)
G07557873Courtesy of © TOYOTA, LICENSE AGREEMENT TMS1002
Fig 4: Power Window - Wiring Diagram (4 Of 8)
G07557874Courtesy of © TOYOTA, LICENSE AGREEMENT TMS1002
Fig 5: Power Window - Wiring Diagram (5 Of 8)
G07557875Courtesy of © TOYOTA, LICENSE AGREEMENT TMS1002
Fig 6: Power Window - Wiring Diagram (6 Of 8)
G07557876Courtesy of © TOYOTA, LICENSE AGREEMENT TMS1002
Fig 7: Power Window - Wiring Diagram (7 Of 8)
G07557877Courtesy of © TOYOTA, LICENSE AGREEMENT TMS1002
Fig 8: Power Window - Wiring Diagram (8 Of 8)
G07557878Courtesy of © TOYOTA, LICENSE AGREEMENT TMS1002