LEMON Manuals: Even more car manuals for everyone: 1960-2025
Home >> Lexus >> 2011 >> GS 450h >> Repair and Diagnosis >> External Pages >> Different car >> Section 110 (OEM System Circuits) >> Remote Control Mirror >> Notes
April 5, 2026: LEMON Manuals is launched! Read the announcement.

Remote Control Mirror: Notes

WARNING: This page is about a different car, the 2010 Lexus GS 450h. However, it is still accessible from the selected car via links, so may be relevant.
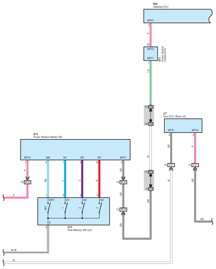
Fig 1: Remote Control Mirror - Wiring Diagram (1 Of 5)
G07558065Courtesy of © TOYOTA, LICENSE AGREEMENT TMS1002
Fig 2: Remote Control Mirror - Wiring Diagram (2 Of 5)
G07558066Courtesy of © TOYOTA, LICENSE AGREEMENT TMS1002
Fig 3: Remote Control Mirror - Wiring Diagram (3 Of 5)
G07558067Courtesy of © TOYOTA, LICENSE AGREEMENT TMS1002
Fig 4: Remote Control Mirror - Wiring Diagram (4 Of 5)
G07558068Courtesy of © TOYOTA, LICENSE AGREEMENT TMS1002
Fig 5: Remote Control Mirror - Wiring Diagram (5 Of 5)
G07558069Courtesy of © TOYOTA, LICENSE AGREEMENT TMS1002