LEMON Manuals: Even more car manuals for everyone: 1960-2025
Home >> Lexus >> 2011 >> GS 460 >> Repair and Diagnosis (Single Page) >> Electrical >> Starter >> Smart Access System (Keyless Start) (Diagnostics - Introduction) >> Smart Access System With Push-Button Start >> System Diagram >> System Diagram
April 5, 2026: LEMON Manuals is launched! Read the announcement.

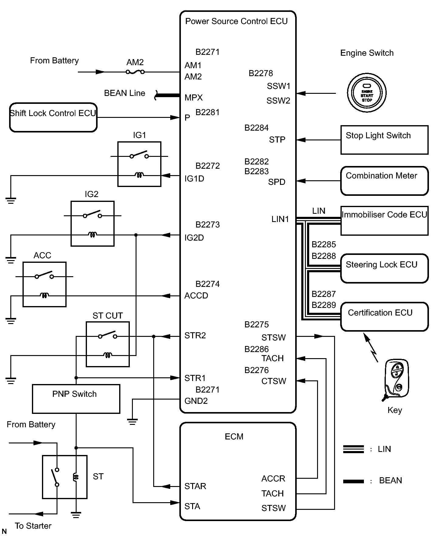
System Diagram

Fig 1: Smart Access System With Push-Button Start System Diagram
GTY101674Courtesy of © TOYOTA, LICENSE AGREEMENT TMS1002
COMMUNICATION TABLE:

Sender Receiver Signal Line
ECM Power source control ECU Engine rotation signal CAN/BEAN
Meter ECU Power source control ECU Vehicle speed signal BEAN/Local communication
Steering lock ECU Power source control ECU Steering lock/unlock signal LIN/Local communication
Shift lock control ECU Power source control ECU Shift position signal BEAN/Local communication
Certification ECU Power source control ECU LIN master signal LIN
Power source control ECU Immobilizer code ECU ID required signal LIN
Power source control ECU Certification ECU Key existence condition signal BEAN