LEMON Manuals: Even more car manuals for everyone: 1960-2025
Home >> Lexus >> 2011 >> GX 460 >> Repair and Diagnosis >> External Pages >> Different car >> Section 107 (OEM System Circuits) >> Air Conditioning >> Notes
April 5, 2026: LEMON Manuals is launched! Read the announcement.

Air Conditioning: Notes

WARNING: This page is about a different car, the 2010 Lexus GX 460. However, it is still accessible from the selected car via links, so may be relevant.
Fig 1: Air Conditioning - Circuit Diagram (1 Of 10)
G07579644Courtesy of © TOYOTA, LICENSE AGREEMENT TMS1002
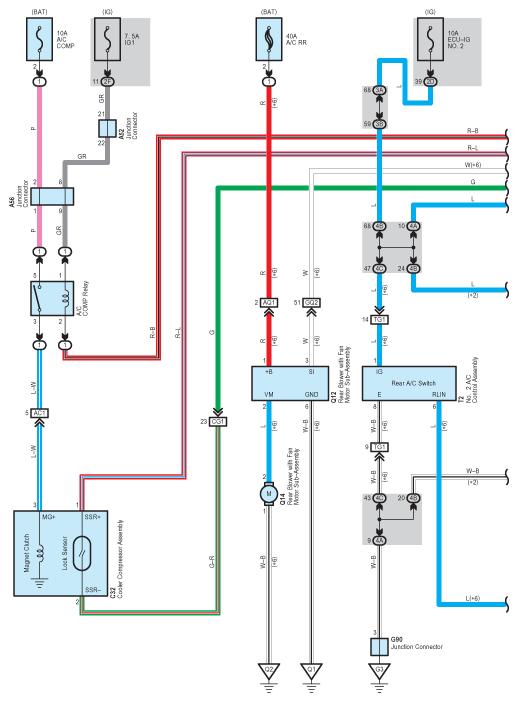
Fig 2: Air Conditioning - Circuit Diagram (2 Of 10)
G07579645Courtesy of © TOYOTA, LICENSE AGREEMENT TMS1002
Fig 3: Air Conditioning - Circuit Diagram (3 Of 10)
G07579646Courtesy of © TOYOTA, LICENSE AGREEMENT TMS1002
Fig 4: Air Conditioning - Circuit Diagram (4 Of 10)
G07579647Courtesy of © TOYOTA, LICENSE AGREEMENT TMS1002
Fig 5: Air Conditioning - Circuit Diagram (5 Of 10)
G07579648Courtesy of © TOYOTA, LICENSE AGREEMENT TMS1002
Fig 6: Air Conditioning - Circuit Diagram (6 Of 10)
G07579649Courtesy of © TOYOTA, LICENSE AGREEMENT TMS1002
Fig 7: Air Conditioning - Circuit Diagram (7 Of 10)
G07579650Courtesy of © TOYOTA, LICENSE AGREEMENT TMS1002
Fig 8: Air Conditioning - Circuit Diagram (8 Of 10)
G07579651Courtesy of © TOYOTA, LICENSE AGREEMENT TMS1002
Fig 9: Air Conditioning - Circuit Diagram (9 Of 10)
G07579652Courtesy of © TOYOTA, LICENSE AGREEMENT TMS1002
Fig 10: Air Conditioning - Circuit Diagram (10 Of 10)
G07579653Courtesy of © TOYOTA, LICENSE AGREEMENT TMS1002