LEMON Manuals: Even more car manuals for everyone: 1960-2025
Home >> Lexus >> 2011 >> GX 460 >> Repair and Diagnosis >> External Pages >> Different car >> Section 107 (OEM System Circuits) >> Shift Lock >> Notes
April 5, 2026: LEMON Manuals is launched! Read the announcement.

Shift Lock: Notes

WARNING: This page is about a different car, the 2010 Lexus GX 460. However, it is still accessible from the selected car via links, so may be relevant.
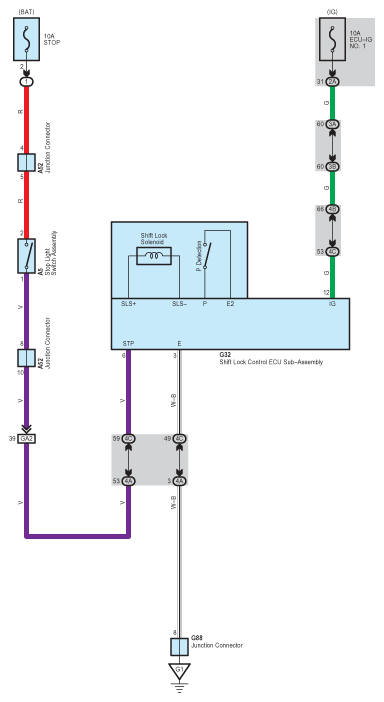
Fig 1: Shift Lock - Circuit Diagram
G07579434Courtesy of © TOYOTA, LICENSE AGREEMENT TMS1002