LEMON Manuals: Even more car manuals for everyone: 1960-2025
Home >> Lexus >> 2011 >> IS 250 Base, AWD >> Repair and Diagnosis >> External Pages >> Different car >> Section 107 (OEM System Circuits) >> Cruise Control (4GR-FSE) >> Notes
April 5, 2026: LEMON Manuals is launched! Read the announcement.

Cruise Control (4GR-FSE): Notes

WARNING: This page is about a different car, the 2010 Lexus IS 350 and 2010 Lexus IS 250. However, it is still accessible from the selected car via links, so may be relevant.
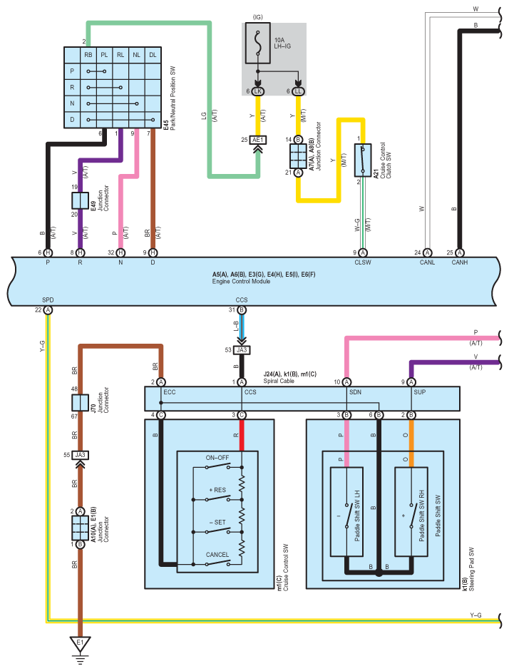
Fig 1: Cruise Control (4GR-FSE) - Circuit Diagram (1 Of 7)
G07559155Courtesy of © TOYOTA, LICENSE AGREEMENT TMS1002
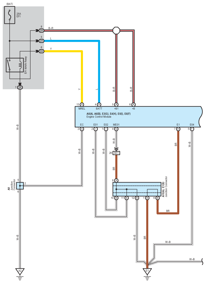
Fig 2: Cruise Control (4GR-FSE) - Circuit Diagram (2 Of 7)
G07559156Courtesy of © TOYOTA, LICENSE AGREEMENT TMS1002
Fig 3: Cruise Control (4GR-FSE) - Circuit Diagram (3 Of 7)
G07559157Courtesy of © TOYOTA, LICENSE AGREEMENT TMS1002
Fig 4: Cruise Control (4GR-FSE) - Circuit Diagram (4 Of 7)
G07559158Courtesy of © TOYOTA, LICENSE AGREEMENT TMS1002
Fig 5: Cruise Control (4GR-FSE) - Circuit Diagram (5 Of 7)
G07559159Courtesy of © TOYOTA, LICENSE AGREEMENT TMS1002
Fig 6: Cruise Control (4GR-FSE) - Circuit Diagram (6 Of 7)
G07559160Courtesy of © TOYOTA, LICENSE AGREEMENT TMS1002
Fig 7: Cruise Control (4GR-FSE) - Circuit Diagram (7 Of 7)
G07559161Courtesy of © TOYOTA, LICENSE AGREEMENT TMS1002