LEMON Manuals: Even more car manuals for everyone: 1960-2025
Home >> Lexus >> 2011 >> IS 350C >> Repair and Diagnosis >> External Pages >> Different car >> Section 107 (OEM System Circuits) >> Remote Control Mirror (w/o Seat Position Memory) >> Notes
April 5, 2026: LEMON Manuals is launched! Read the announcement.

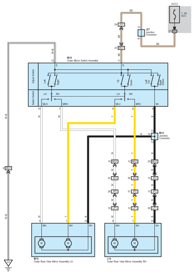
Remote Control Mirror (w/o Seat Position Memory): Notes

WARNING: This page is about a different car, the 2010 Lexus IS 350C and 2010 Lexus IS 250C. However, it is still accessible from the selected car via links, so may be relevant.
Fig 1: Remote Control Mirror (W/O Seat Position Memory) - Circuit Diagram
G07567357Courtesy of © TOYOTA, LICENSE AGREEMENT TMS1002