LEMON Manuals: Even more car manuals for everyone: 1960-2025
Home >> Lexus >> 2011 >> IS F >> Repair and Diagnosis >> Electrical >> Body Electrical >> OEM System Circuits >> Headlight >> Notes
April 5, 2026: LEMON Manuals is launched! Read the announcement.

OEM System Circuits: Headlight: Notes

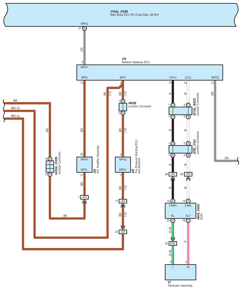
Fig 1: Headlight - Circuit Diagram (1 Of 7)
G07579997Courtesy of © TOYOTA, LICENSE AGREEMENT TMS1002
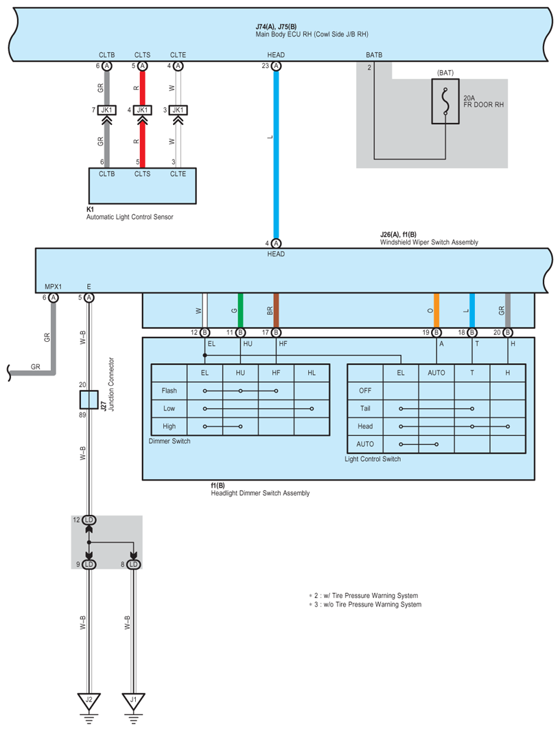
Fig 2: Headlight - Circuit Diagram (2 Of 7)
G07579998Courtesy of © TOYOTA, LICENSE AGREEMENT TMS1002
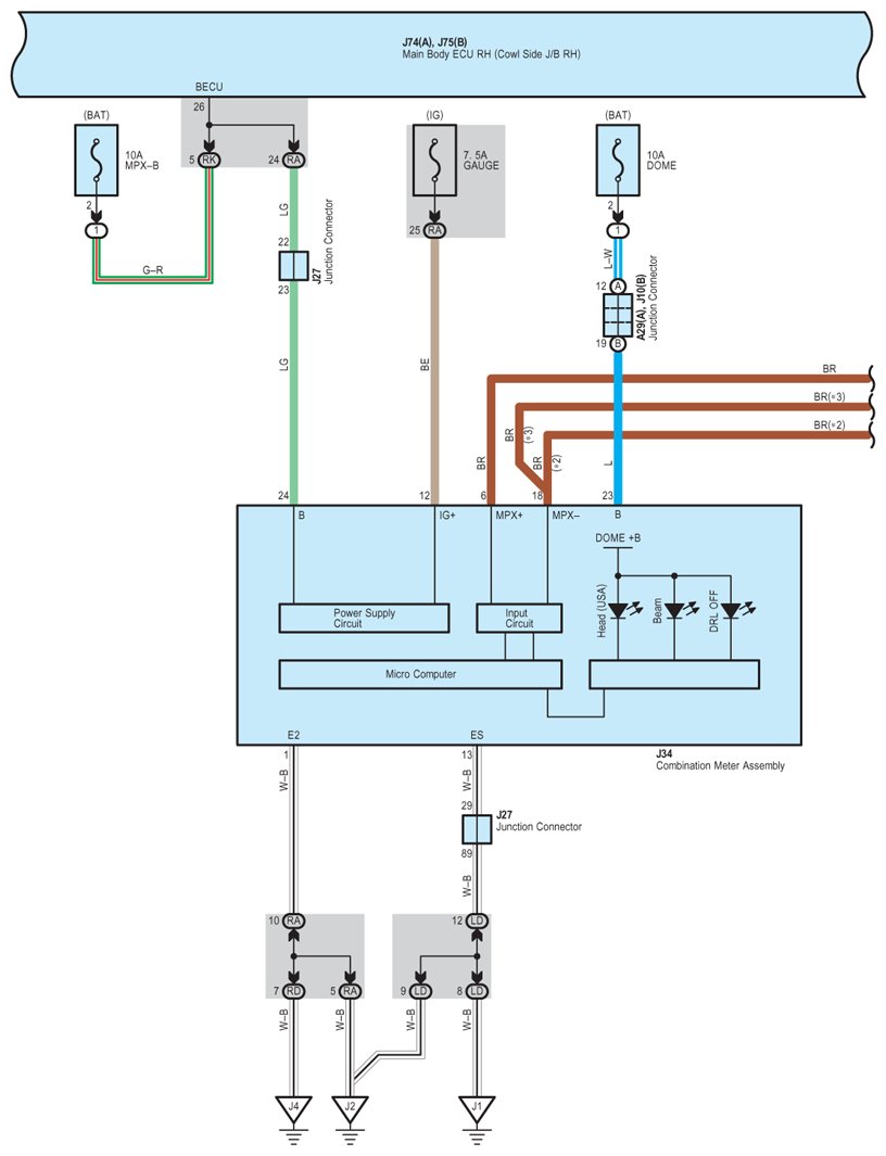
Fig 3: Headlight - Circuit Diagram (3 Of 7)
G07579999Courtesy of © TOYOTA, LICENSE AGREEMENT TMS1002
Fig 4: Headlight - Circuit Diagram (4 Of 7)
G07580000Courtesy of © TOYOTA, LICENSE AGREEMENT TMS1002
Fig 5: Headlight - Circuit Diagram (5 Of 7)
G07580001Courtesy of © TOYOTA, LICENSE AGREEMENT TMS1002
Fig 6: Headlight - Circuit Diagram (6 Of 7)
G07580002Courtesy of © TOYOTA, LICENSE AGREEMENT TMS1002
Fig 7: Headlight - Circuit Diagram (7 Of 7)
G07580003Courtesy of © TOYOTA, LICENSE AGREEMENT TMS1002