LEMON Manuals: Even more car manuals for everyone: 1960-2025
Home >> Lexus >> 2011 >> LS 600hL >> Repair and Diagnosis >> Electrical >> Body Electrical >> OEM System Circuits >> Brake Hold System >> Notes
April 5, 2026: LEMON Manuals is launched! Read the announcement.

Brake Hold System: Notes

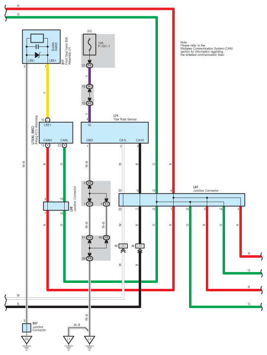
Fig 1: Brake Hold System - Circuit Diagram (1 Of 11)
G07566108Courtesy of © TOYOTA, LICENSE AGREEMENT TMS1002
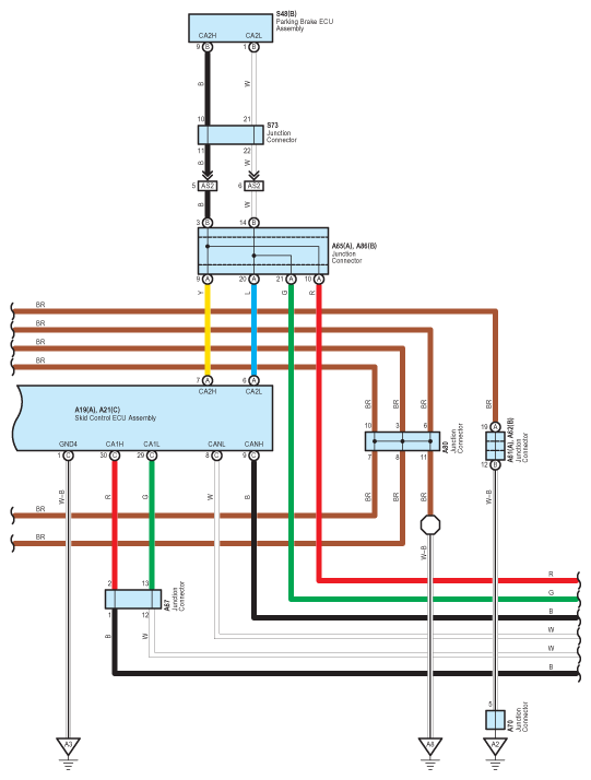
Fig 2: Brake Hold System - Circuit Diagram (2 Of 11)
G07566109Courtesy of © TOYOTA, LICENSE AGREEMENT TMS1002
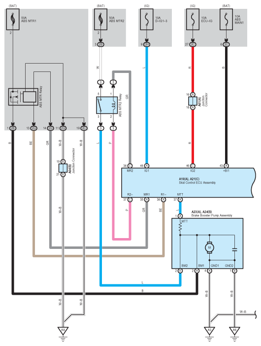
Fig 3: Brake Hold System - Circuit Diagram (3 Of 11)
G07566110Courtesy of © TOYOTA, LICENSE AGREEMENT TMS1002
Fig 4: Brake Hold System - Circuit Diagram (4 Of 11)
G07566111Courtesy of © TOYOTA, LICENSE AGREEMENT TMS1002
Fig 5: Brake Hold System - Circuit Diagram (5 Of 11)
G07566112Courtesy of © TOYOTA, LICENSE AGREEMENT TMS1002
Fig 6: Brake Hold System - Circuit Diagram (6 Of 11)
G07566113Courtesy of © TOYOTA, LICENSE AGREEMENT TMS1002
Fig 7: Brake Hold System - Circuit Diagram (7 Of 11)
G07566114Courtesy of © TOYOTA, LICENSE AGREEMENT TMS1002
Fig 8: Brake Hold System - Circuit Diagram (8 Of 11)
G07566115Courtesy of © TOYOTA, LICENSE AGREEMENT TMS1002
Fig 9: Brake Hold System - Circuit Diagram (9 Of 11)
G07566116Courtesy of © TOYOTA, LICENSE AGREEMENT TMS1002
Fig 10: Brake Hold System - Circuit Diagram (10 Of 11)
G07566117Courtesy of © TOYOTA, LICENSE AGREEMENT TMS1002
Fig 11: Brake Hold System - Circuit Diagram (11 Of 11)
G07566118Courtesy of © TOYOTA, LICENSE AGREEMENT TMS1002