LEMON Manuals: Even more car manuals for everyone: 1960-2025
Home >> Lexus >> 2011 >> LS 600hL >> Repair and Diagnosis >> Electrical >> Body Electrical >> OEM System Circuits >> Fog Light >> Notes
April 5, 2026: LEMON Manuals is launched! Read the announcement.

Fog Light: Notes

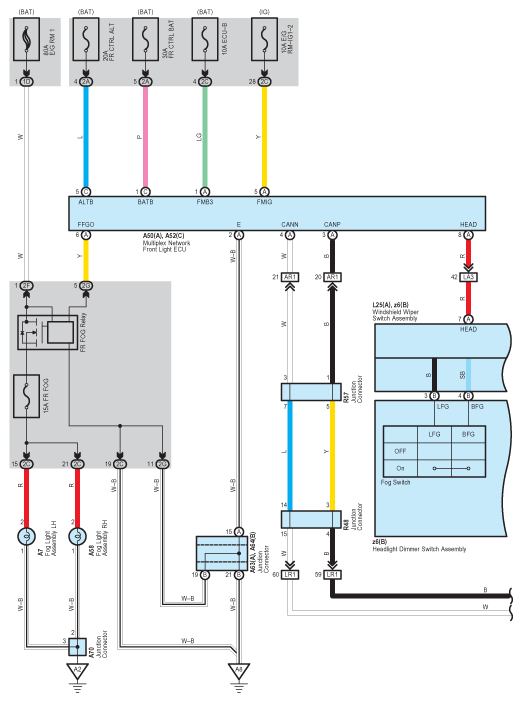
Fig 1: Fog Light - Circuit Diagram (1 Of 3)
G07566000Courtesy of © TOYOTA, LICENSE AGREEMENT TMS1002
Fig 2: Fog Light - Circuit Diagram (2 Of 3)
G07566001Courtesy of © TOYOTA, LICENSE AGREEMENT TMS1002
Fig 3: Fog Light - Circuit Diagram (3 Of 3)
G07566002Courtesy of © TOYOTA, LICENSE AGREEMENT TMS1002