LEMON Manuals: Even more car manuals for everyone: 1960-2025
Home >> Lexus >> 2011 >> LS 600hL >> Repair and Diagnosis >> Electrical >> Body Electrical >> OEM System Circuits >> Interior Light >> Notes
April 5, 2026: LEMON Manuals is launched! Read the announcement.

Interior Light: Notes

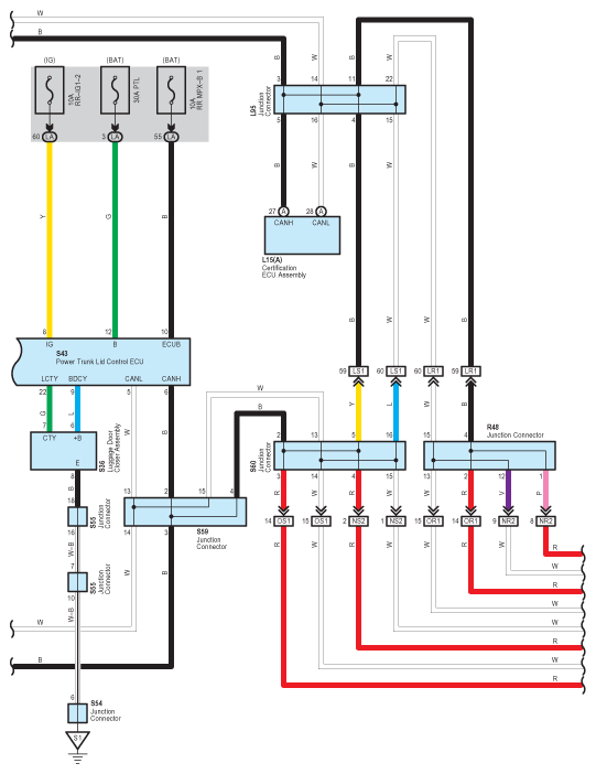
Fig 1: Interior Light - Circuit Diagram (1 Of 11)
G07565962Courtesy of © TOYOTA, LICENSE AGREEMENT TMS1002
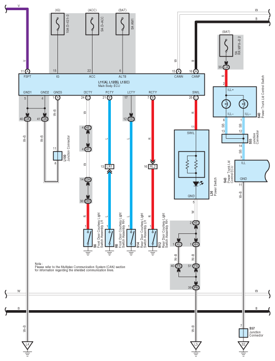
Fig 2: Interior Light - Circuit Diagram (2 Of 11)
G07565963Courtesy of © TOYOTA, LICENSE AGREEMENT TMS1002
Fig 3: Interior Light - Circuit Diagram (3 Of 11)
G07565964Courtesy of © TOYOTA, LICENSE AGREEMENT TMS1002
Fig 4: Interior Light - Circuit Diagram (4 Of 11)
G07565965Courtesy of © TOYOTA, LICENSE AGREEMENT TMS1002
Fig 5: Interior Light - Circuit Diagram (5 Of 11)
G07565966Courtesy of © TOYOTA, LICENSE AGREEMENT TMS1002
Fig 6: Interior Light - Circuit Diagram (6 Of 11)
G07565967Courtesy of © TOYOTA, LICENSE AGREEMENT TMS1002
Fig 7: Interior Light - Circuit Diagram (7 Of 11)
G07565968Courtesy of © TOYOTA, LICENSE AGREEMENT TMS1002
Fig 8: Interior Light - Circuit Diagram (8 Of 11)
G07565969Courtesy of © TOYOTA, LICENSE AGREEMENT TMS1002
Fig 9: Interior Light - Circuit Diagram (9 Of 11)
G07565970Courtesy of © TOYOTA, LICENSE AGREEMENT TMS1002
Fig 10: Interior Light - Circuit Diagram (10 Of 11)
G07565971Courtesy of © TOYOTA, LICENSE AGREEMENT TMS1002
Fig 11: Interior Light - Circuit Diagram (11 Of 11)
G07565972Courtesy of © TOYOTA, LICENSE AGREEMENT TMS1002