LEMON Manuals: Even more car manuals for everyone: 1960-2025
Home >> Lexus >> 2011 >> LX 570 >> Repair and Diagnosis >> Electrical >> Body Electrical >> OEM System Circuits >> Pre-Collision System >> Notes
April 5, 2026: LEMON Manuals is launched! Read the announcement.

Pre-Collision System: Notes

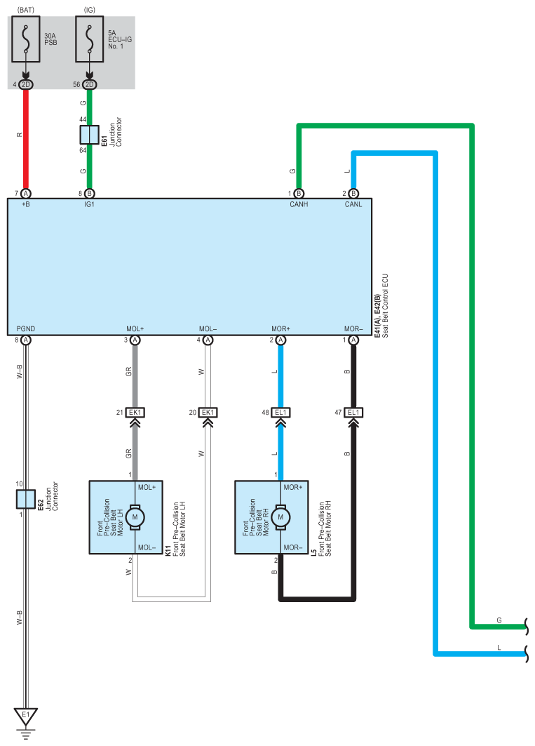
Fig 1: Pre-Collision System - Circuit Diagram (1 Of 5)
G07575621Courtesy of © TOYOTA, LICENSE AGREEMENT TMS1002
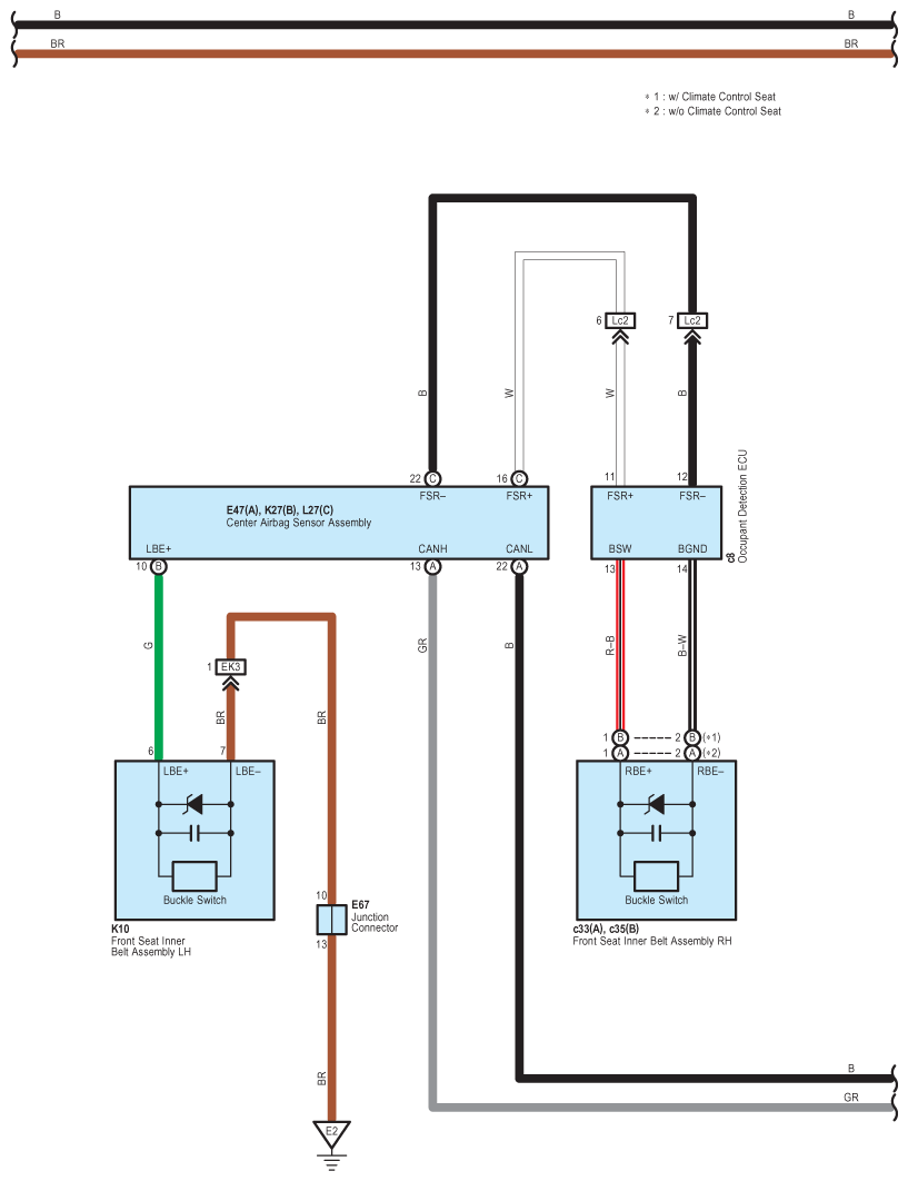
Fig 2: Pre-Collision System - Circuit Diagram (2 Of 5)
G07575622Courtesy of © TOYOTA, LICENSE AGREEMENT TMS1002
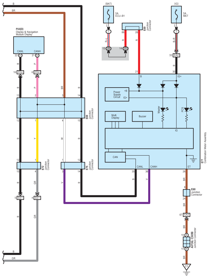
Fig 3: Pre-Collision System - Circuit Diagram (3 Of 5)
G07575623Courtesy of © TOYOTA, LICENSE AGREEMENT TMS1002
Fig 4: Pre-Collision System - Circuit Diagram (4 Of 5)
G07575624Courtesy of © TOYOTA, LICENSE AGREEMENT TMS1002
Fig 5: Pre-Collision System - Circuit Diagram (5 Of 5)
G07575625Courtesy of © TOYOTA, LICENSE AGREEMENT TMS1002