LEMON Manuals: Even more car manuals for everyone: 1960-2025
Home >> Lexus >> 2011 >> LX 570 >> Repair and Diagnosis >> Electrical >> Body Electrical >> OEM System Circuits >> Trailer Towing >> Notes
April 5, 2026: LEMON Manuals is launched! Read the announcement.

Trailer Towing: Notes

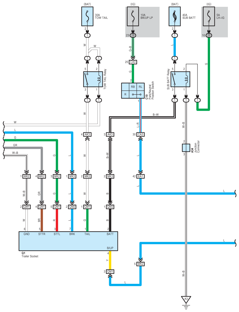
Fig 1: Trailer Towing - Circuit Diagram (1 Of 4)
G07575534Courtesy of © TOYOTA, LICENSE AGREEMENT TMS1002
Fig 2: Trailer Towing - Circuit Diagram (2 Of 4)
G07575535Courtesy of © TOYOTA, LICENSE AGREEMENT TMS1002
Fig 3: Trailer Towing - Circuit Diagram (3 Of 4)
G07575536Courtesy of © TOYOTA, LICENSE AGREEMENT TMS1002
Fig 4: Trailer Towing - Circuit Diagram (4 Of 4)
G07575537Courtesy of © TOYOTA, LICENSE AGREEMENT TMS1002