LEMON Manuals: Even more car manuals for everyone: 1960-2025
Home >> Lexus >> 2011 >> RX 350 AWD >> Repair and Diagnosis >> External Pages >> Different car >> Section 107 (OEM System Circuits) >> Cruise Control >> Notes
April 5, 2026: LEMON Manuals is launched! Read the announcement.

Cruise Control: Notes

WARNING: This page is about a different car, the 2010 Lexus RX 350. However, it is still accessible from the selected car via links, so may be relevant.
Fig 1: Cruise Control - Circuit Diagram (1 Of 10)
G07573839Courtesy of © TOYOTA, LICENSE AGREEMENT TMS1002
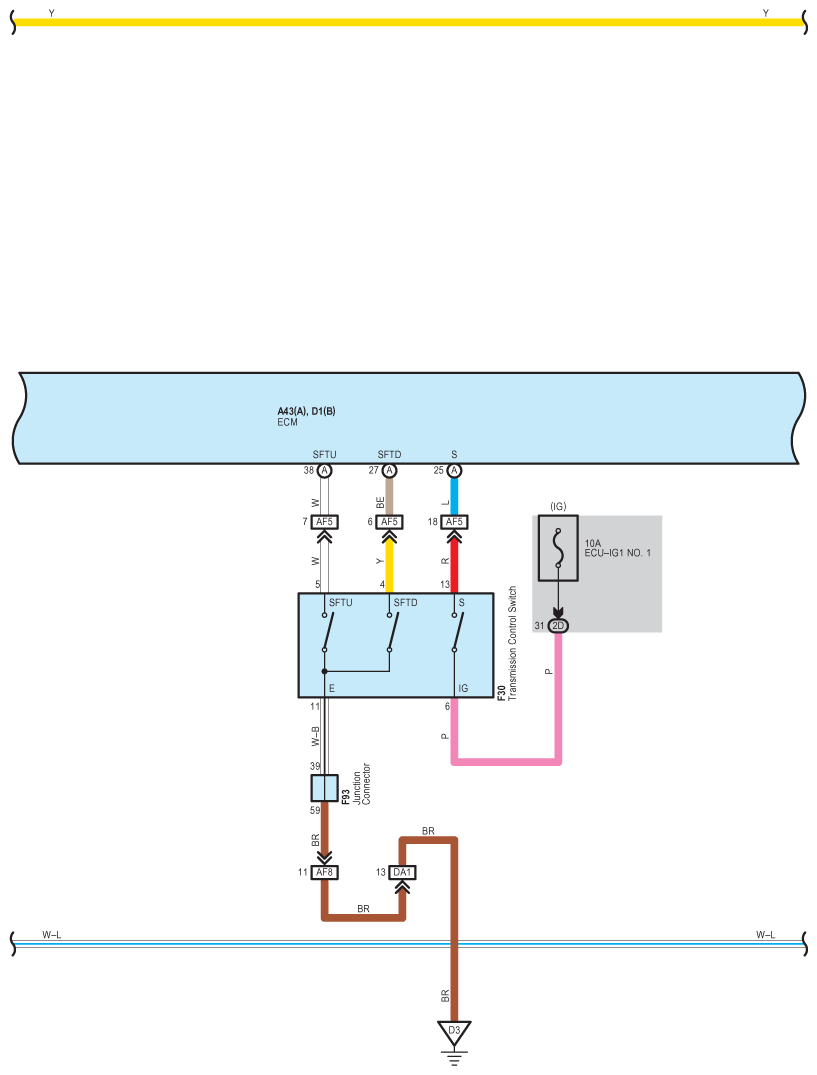
Fig 2: Cruise Control - Circuit Diagram (2 Of 10)
G07573840Courtesy of © TOYOTA, LICENSE AGREEMENT TMS1002
Fig 3: Cruise Control - Circuit Diagram (3 Of 10)
G07573841Courtesy of © TOYOTA, LICENSE AGREEMENT TMS1002
Fig 4: Cruise Control - Circuit Diagram (4 Of 10)
G07573842Courtesy of © TOYOTA, LICENSE AGREEMENT TMS1002
Fig 5: Cruise Control - Circuit Diagram (5 Of 10)
G07573843Courtesy of © TOYOTA, LICENSE AGREEMENT TMS1002
Fig 6: Cruise Control - Circuit Diagram (6 Of 10)
G07573844Courtesy of © TOYOTA, LICENSE AGREEMENT TMS1002
Fig 7: Cruise Control - Circuit Diagram (7 Of 10)
G07573845Courtesy of © TOYOTA, LICENSE AGREEMENT TMS1002
Fig 8: Cruise Control - Circuit Diagram (8 Of 10)
G07573846Courtesy of © TOYOTA, LICENSE AGREEMENT TMS1002
Fig 9: Cruise Control - Circuit Diagram (9 Of 10)
G07573847Courtesy of © TOYOTA, LICENSE AGREEMENT TMS1002
Fig 10: Cruise Control - Circuit Diagram (10 Of 10)
G07573848Courtesy of © TOYOTA, LICENSE AGREEMENT TMS1002