LEMON Manuals: Even more car manuals for everyone: 1960-2025
Home >> Lexus >> 2012 >> CT 200h Base >> Repair and Diagnosis >> Electrical >> Body Electrical >> OEM System Circuits >> Dock Lock Control >> Notes
April 5, 2026: LEMON Manuals is launched! Read the announcement.

Dock Lock Control: Notes

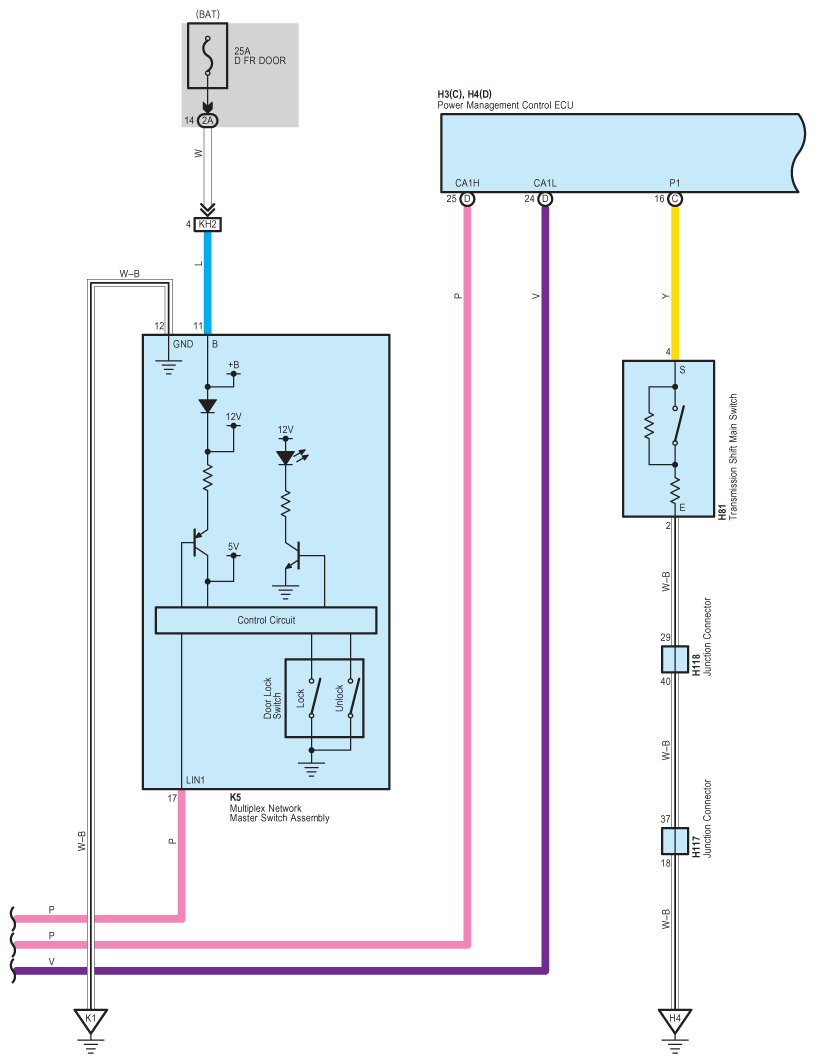
Fig 1: Dock Lock Control - Wiring Diagram (1 Of 8)
G08934558Courtesy of © TOYOTA, LICENSE AGREEMENT TMS1002
Fig 2: Dock Lock Control - Wiring Diagram (2 Of 8)
G08934559Courtesy of © TOYOTA, LICENSE AGREEMENT TMS1002
Fig 3: Dock Lock Control - Wiring Diagram (3 Of 8)
G08934560Courtesy of © TOYOTA, LICENSE AGREEMENT TMS1002
Fig 4: Dock Lock Control - Wiring Diagram (4 Of 8)
G08934561Courtesy of © TOYOTA, LICENSE AGREEMENT TMS1002
Fig 5: Dock Lock Control - Wiring Diagram (5 Of 8)
G08934562Courtesy of © TOYOTA, LICENSE AGREEMENT TMS1002
Fig 6: Dock Lock Control - Wiring Diagram (6 Of 8)
G08934563Courtesy of © TOYOTA, LICENSE AGREEMENT TMS1002
Fig 7: Dock Lock Control - Wiring Diagram (7 Of 8)
G08934564Courtesy of © TOYOTA, LICENSE AGREEMENT TMS1002
Fig 8: Dock Lock Control - Wiring Diagram (8 Of 8)
G08934565Courtesy of © TOYOTA, LICENSE AGREEMENT TMS1002