System Diagram
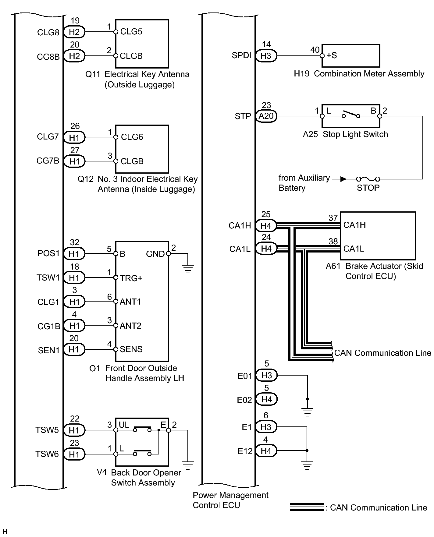
Fig 1: Identifying Smart Access System With Push-Button Start (For Start Function) Wiring Diagram (1 of 3)
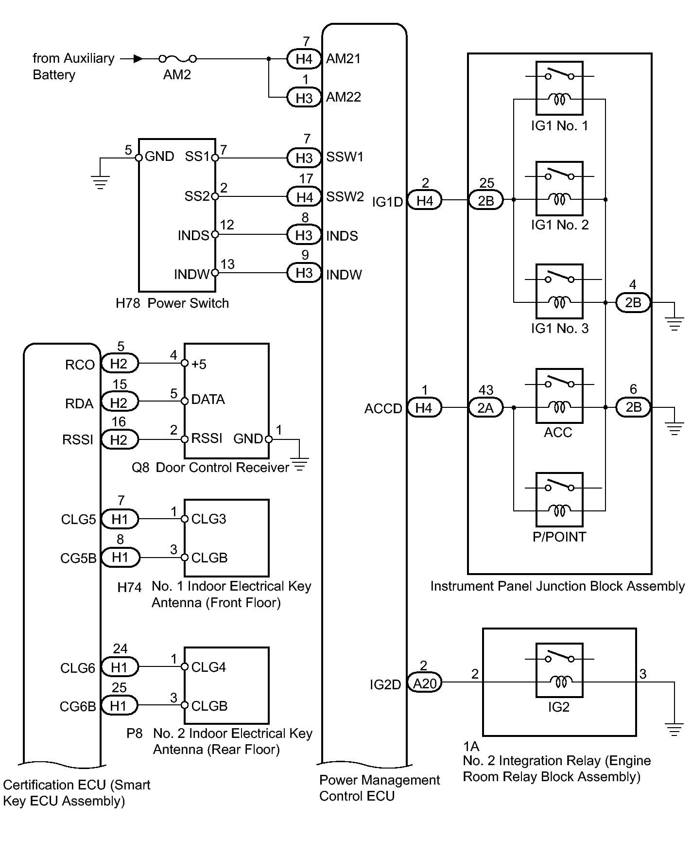
Fig 2: Identifying Smart Access System With Push-Button Start (For Start Function) Wiring Diagram (2 of 3)
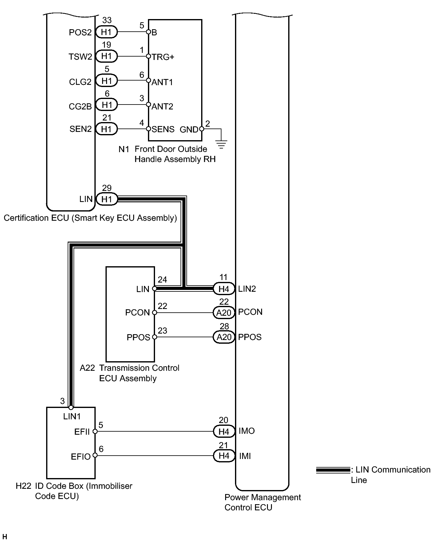
Fig 3: Identifying Smart Access System With Push-Button Start (For Start Function) Wiring Diagram (3 of 3)
| Component | Outline |
|---|---|
Power switch
|
|
| Certification ECU |
|
| ID code box |
|
| Power management control ECU |
|
| Transmission control ECU assembly |
|
| Combination meter |
|
| Security indicator light | Blinks when the engine immobilizer system is set (the hybrid control system cannot be started) according to certification ECU (smart key ECU assembly) control (immobilizer function). |
| IG, ACC relay | Turns on/off according to power management control ECU control and provides power to each system. |
| Stop light switch assembly | Detects that the brake pedal has been depressed (switch is on) and outputs a signal to the power management control ECU. |
| Front door outside handle assembly LH/RH | Sends request signals from the door electrical oscillator via the built-in electrical key antenna and forms the vehicle exterior detection area. Door lock sensor operation signals to the certification ECU (smart key ECU assembly) (entry lock function). Uses the built-in touch sensor to detect the operation of the front door outside handle assembly and sends signals to the certification ECU (smart key ECU assembly) (entry unlock function). |
| Door electrical oscillator | Sends request signals from the certification ECU (smart key ECU assembly) to the electrical key antenna built into the front door outside handle assembly. |
| No. 1 indoor electrical key antenna assembly (front floor) No. 2 indoor electrical key antenna assembly (center floor) |
Sends the request code from the certification ECU (smart key ECU assembly) and forms the vehicle interior detection area. |
| No. 3 indoor electrical key antenna assembly (inside luggage) | Sends the request code from the certification ECU (smart key ECU assembly) and forms the luggage compartment interior detection area. |
| Electrical key antenna (outside luggage) | Sends the request code from the certification ECU (smart key ECU assembly) and forms the luggage compartment exterior detection area. |
| Back door opener switch | Sends switch operation signals to the certification ECU (smart key ECU assembly). |
| Door control receiver | Receives the smart access system with push-button start code/ wireless code sent from the key and sends it to the certification ECU (smart key ECU assembly). |
| Electrical key | Sends the ID code upon receiving a request signal. |