LEMON Manuals: Even more car manuals for everyone: 1960-2025
Home >> Lexus >> 2012 >> IS 250 Base, AWD >> Repair and Diagnosis >> Electrical >> Body Electrical >> OEM System Circuits >> Interior Light >> Notes
April 5, 2026: LEMON Manuals is launched! Read the announcement.

Interior Light: Notes

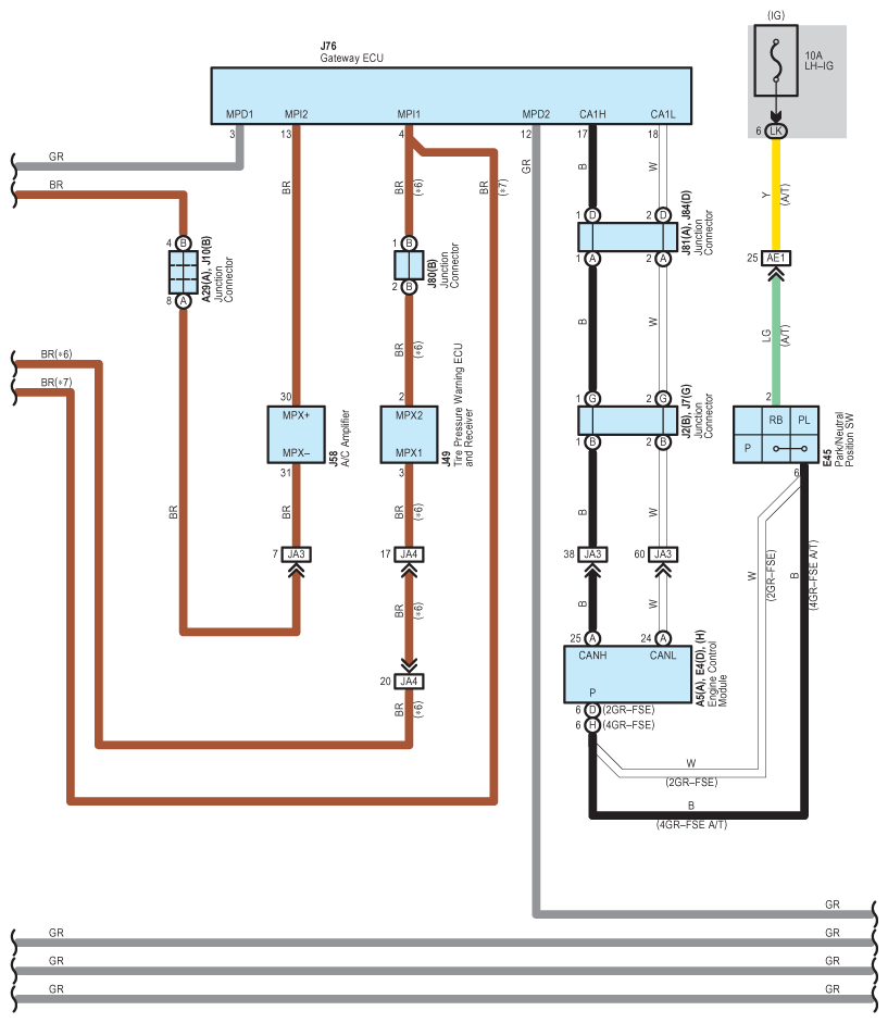
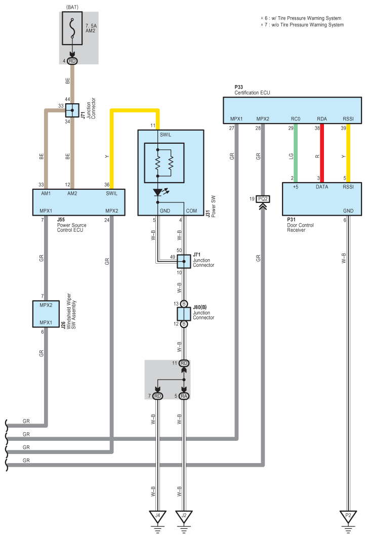
Fig 1: Interior Light - Wiring Diagram (1 Of 12)
G08935440Courtesy of © TOYOTA, LICENSE AGREEMENT TMS1002
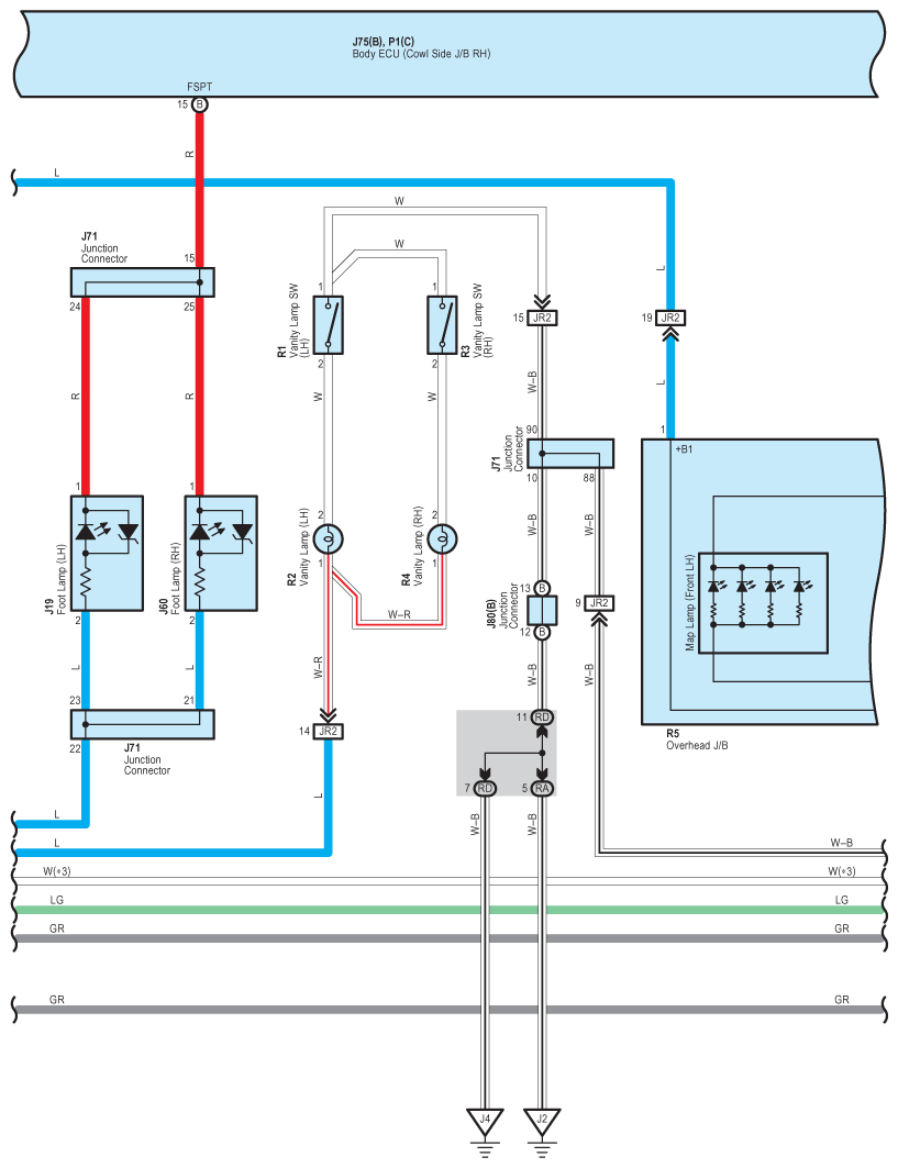
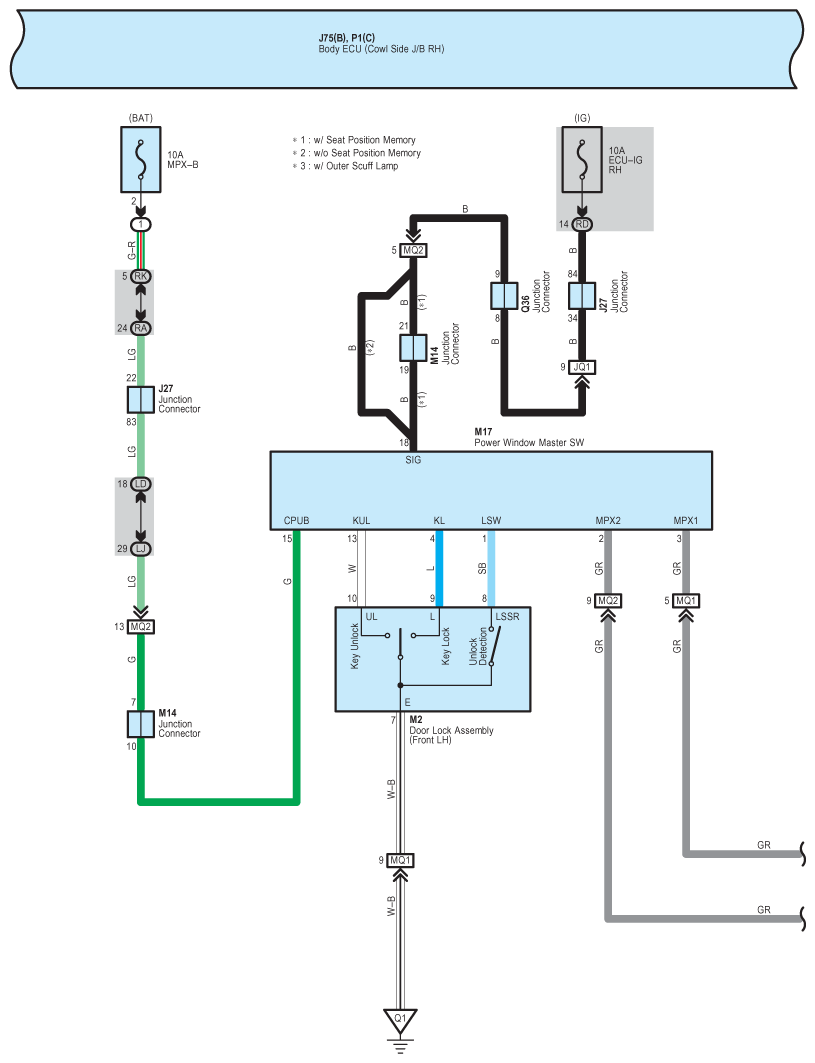
Fig 2: Interior Light - Wiring Diagram (2 Of 12)
G08935441Courtesy of © TOYOTA, LICENSE AGREEMENT TMS1002
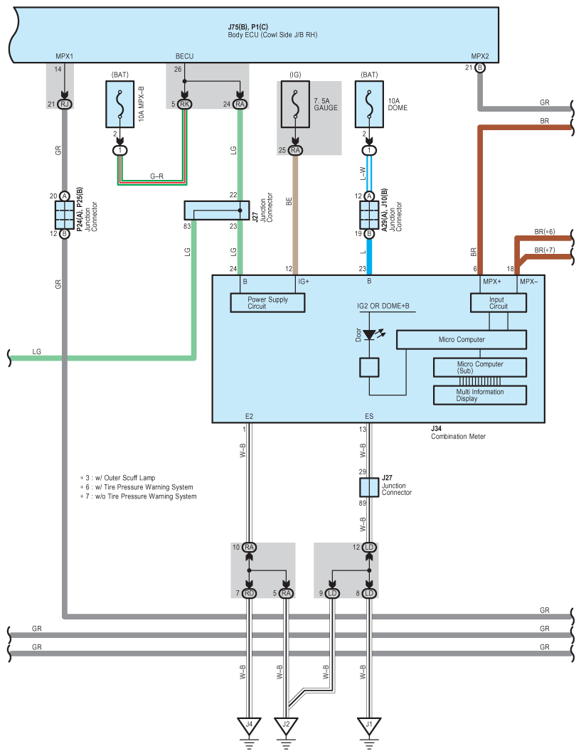
Fig 3: Interior Light - Wiring Diagram (3 Of 12)
G08935442Courtesy of © TOYOTA, LICENSE AGREEMENT TMS1002
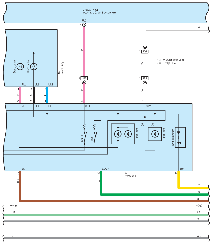
Fig 4: Interior Light - Wiring Diagram (4 Of 12)
G08935443Courtesy of © TOYOTA, LICENSE AGREEMENT TMS1002
Fig 5: Interior Light - Wiring Diagram (5 Of 12)
G08935444Courtesy of © TOYOTA, LICENSE AGREEMENT TMS1002
Fig 6: Interior Light - Wiring Diagram (6 Of 12)
G08935445Courtesy of © TOYOTA, LICENSE AGREEMENT TMS1002
Fig 7: Interior Light - Wiring Diagram (7 Of 12)
G08935446Courtesy of © TOYOTA, LICENSE AGREEMENT TMS1002
Fig 8: Interior Light - Wiring Diagram (8 Of 12)
G08935447Courtesy of © TOYOTA, LICENSE AGREEMENT TMS1002
Fig 9: Interior Light - Wiring Diagram (9 Of 12)
G08935448Courtesy of © TOYOTA, LICENSE AGREEMENT TMS1002
Fig 10: Interior Light - Wiring Diagram (10 Of 12)
G08935449Courtesy of © TOYOTA, LICENSE AGREEMENT TMS1002
Fig 11: Interior Light - Wiring Diagram (11 Of 12)
G08935450Courtesy of © TOYOTA, LICENSE AGREEMENT TMS1002
Fig 12: Interior Light - Wiring Diagram (12 Of 12)
G08935451Courtesy of © TOYOTA, LICENSE AGREEMENT TMS1002