LEMON Manuals: Even more car manuals for everyone: 1960-2025
Home >> Lexus >> 2012 >> IS 350 Base, RWD >> Repair and Diagnosis (Single Page) >> Electrical >> Body Electrical >> OEM System Circuits >> Engine Immobiliser System, Smart Access System with Push-Button Start, Starting, Steering Lock and Wireless Door Lock Control >> Notes
April 5, 2026: LEMON Manuals is launched! Read the announcement.

Engine Immobiliser System, Smart Access System with Push-Button Start, Starting, Steering Lock and Wireless Door Lock Control: Notes

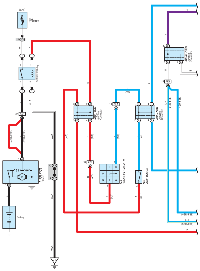
Fig 1: Engine Immobiliser System, Smart Access System With Push-Button Start, Starting, Steering Lock And Wireless Door Lock Control - Wiring Diagram (1 Of 20)
G08935365Courtesy of © TOYOTA, LICENSE AGREEMENT TMS1002
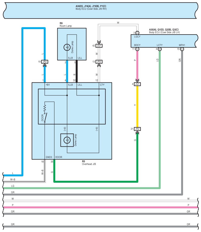
Fig 2: Engine Immobiliser System, Smart Access System With Push-Button Start, Starting, Steering Lock And Wireless Door Lock Control - Wiring Diagram (2 Of 20)
G08935366Courtesy of © TOYOTA, LICENSE AGREEMENT TMS1002
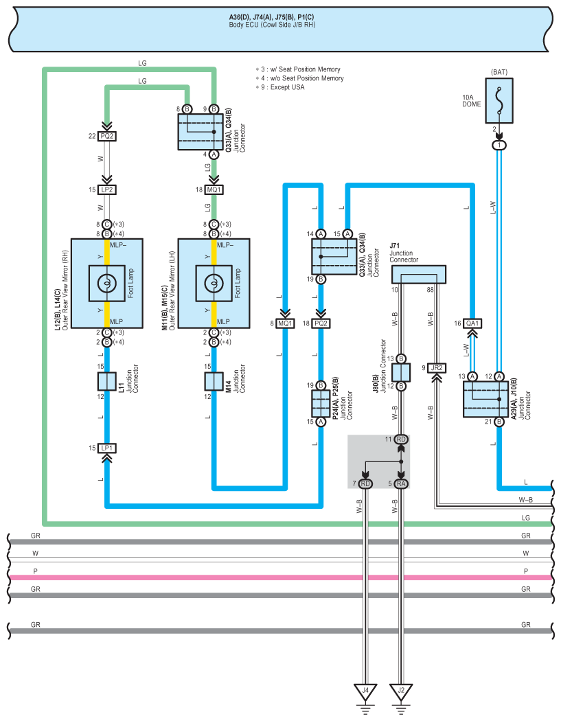
Fig 3: Engine Immobiliser System, Smart Access System With Push-Button Start, Starting, Steering Lock And Wireless Door Lock Control - Wiring Diagram (3 Of 20)
G08935367Courtesy of © TOYOTA, LICENSE AGREEMENT TMS1002
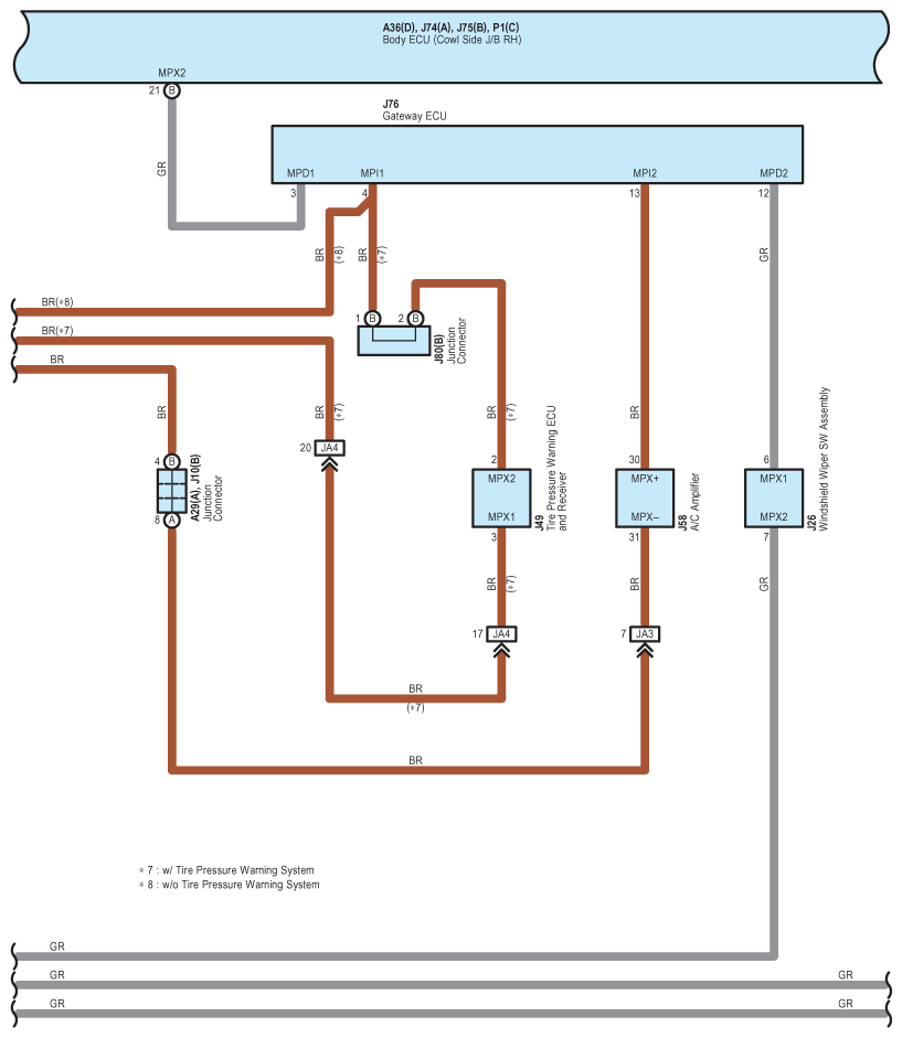
Fig 4: Engine Immobiliser System, Smart Access System With Push-Button Start, Starting, Steering Lock And Wireless Door Lock Control - Wiring Diagram (4 Of 20)
G08935368Courtesy of © TOYOTA, LICENSE AGREEMENT TMS1002
Fig 5: Engine Immobiliser System, Smart Access System With Push-Button Start, Starting, Steering Lock And Wireless Door Lock Control - Wiring Diagram (5 Of 20)
G08935369Courtesy of © TOYOTA, LICENSE AGREEMENT TMS1002
Fig 6: Engine Immobiliser System, Smart Access System With Push-Button Start, Starting, Steering Lock And Wireless Door Lock Control - Wiring Diagram (6 Of 20)
G08935370Courtesy of © TOYOTA, LICENSE AGREEMENT TMS1002
Fig 7: Engine Immobiliser System, Smart Access System With Push-Button Start, Starting, Steering Lock And Wireless Door Lock Control - Wiring Diagram (7 Of 20)
G08935371Courtesy of © TOYOTA, LICENSE AGREEMENT TMS1002
Fig 8: Engine Immobiliser System, Smart Access System With Push-Button Start, Starting, Steering Lock And Wireless Door Lock Control - Wiring Diagram (8 Of 20)
G08935372Courtesy of © TOYOTA, LICENSE AGREEMENT TMS1002
Fig 9: Engine Immobiliser System, Smart Access System With Push-Button Start, Starting, Steering Lock And Wireless Door Lock Control - Wiring Diagram (9 Of 20)
G08935373Courtesy of © TOYOTA, LICENSE AGREEMENT TMS1002
Fig 10: Engine Immobiliser System, Smart Access System With Push-Button Start, Starting, Steering Lock And Wireless Door Lock Control - Wiring Diagram (10 Of 20)
G08935374Courtesy of © TOYOTA, LICENSE AGREEMENT TMS1002
Fig 11: Engine Immobiliser System, Smart Access System With Push-Button Start, Starting, Steering Lock And Wireless Door Lock Control - Wiring Diagram (11 Of 20)
G08935375Courtesy of © TOYOTA, LICENSE AGREEMENT TMS1002
Fig 12: Engine Immobiliser System, Smart Access System With Push-Button Start, Starting, Steering Lock And Wireless Door Lock Control - Wiring Diagram (12 Of 20)
G08935376Courtesy of © TOYOTA, LICENSE AGREEMENT TMS1002
Fig 13: Engine Immobiliser System, Smart Access System With Push-Button Start, Starting, Steering Lock And Wireless Door Lock Control - Wiring Diagram (13 Of 20)
G08935377Courtesy of © TOYOTA, LICENSE AGREEMENT TMS1002
Fig 14: Engine Immobiliser System, Smart Access System With Push-Button Start, Starting, Steering Lock And Wireless Door Lock Control - Wiring Diagram (14 Of 20)
G08935378Courtesy of © TOYOTA, LICENSE AGREEMENT TMS1002
Fig 15: Engine Immobiliser System, Smart Access System With Push-Button Start, Starting, Steering Lock And Wireless Door Lock Control - Wiring Diagram (15 Of 20)
G08935379Courtesy of © TOYOTA, LICENSE AGREEMENT TMS1002
Fig 16: Engine Immobiliser System, Smart Access System With Push-Button Start, Starting, Steering Lock And Wireless Door Lock Control - Wiring Diagram (16 Of 20)
G08935380Courtesy of © TOYOTA, LICENSE AGREEMENT TMS1002
Fig 17: Engine Immobiliser System, Smart Access System With Push-Button Start, Starting, Steering Lock And Wireless Door Lock Control - Wiring Diagram (17 Of 20)
G08935381Courtesy of © TOYOTA, LICENSE AGREEMENT TMS1002
Fig 18: Engine Immobiliser System, Smart Access System With Push-Button Start, Starting, Steering Lock And Wireless Door Lock Control - Wiring Diagram (18 Of 20)
G08935382Courtesy of © TOYOTA, LICENSE AGREEMENT TMS1002
Fig 19: Engine Immobiliser System, Smart Access System With Push-Button Start, Starting, Steering Lock And Wireless Door Lock Control - Wiring Diagram (19 Of 20)
G08935383Courtesy of © TOYOTA, LICENSE AGREEMENT TMS1002
Fig 20: Engine Immobiliser System, Smart Access System With Push-Button Start, Starting, Steering Lock And Wireless Door Lock Control - Wiring Diagram (20 Of 20)
G08935384Courtesy of © TOYOTA, LICENSE AGREEMENT TMS1002