LEMON Manuals: Even more car manuals for everyone: 1960-2025
Home >> Lexus >> 2012 >> IS 350C >> Repair and Diagnosis >> Electrical >> Body Electrical >> OEM System Circuits >> Pre-Collision System >> Notes
April 5, 2026: LEMON Manuals is launched! Read the announcement.

Pre-Collision System: Notes

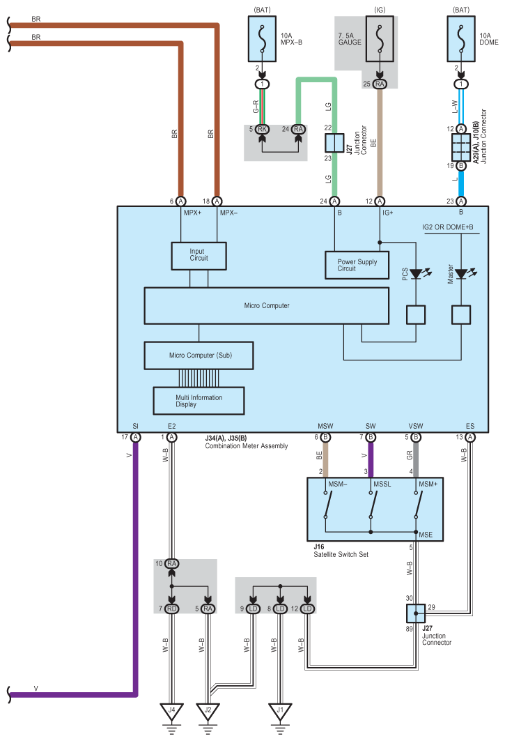
Fig 1: Pre-Collision System - Wiring Diagram (1 Of 4)
G08938806Courtesy of © TOYOTA, LICENSE AGREEMENT TMS1002
Fig 2: Pre-Collision System - Wiring Diagram (2 Of 4)
G08938807Courtesy of © TOYOTA, LICENSE AGREEMENT TMS1002
Fig 3: Pre-Collision System - Wiring Diagram (3 Of 4)
G08938808Courtesy of © TOYOTA, LICENSE AGREEMENT TMS1002
Fig 4: Pre-Collision System - Wiring Diagram (4 Of 4)
G08938809Courtesy of © TOYOTA, LICENSE AGREEMENT TMS1002