LEMON Manuals: Even more car manuals for everyone: 1960-2025
Home >> Lexus >> 2012 >> IS 350C >> Repair and Diagnosis >> Electrical >> Body Electrical >> OEM System Circuits >> Retractable Hardtop >> Notes
April 5, 2026: LEMON Manuals is launched! Read the announcement.

Retractable Hardtop: Notes

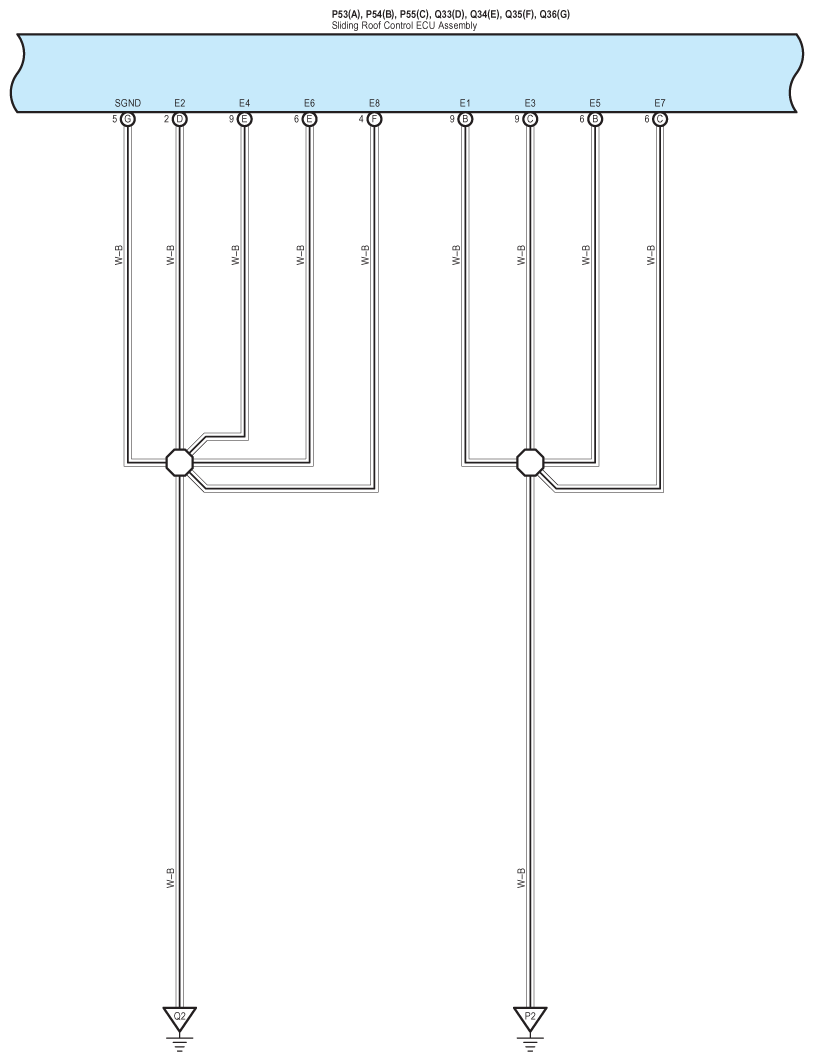
Fig 1: Retractable Hardtop - Wiring Diagram (1 Of 19)
G08938819Courtesy of © TOYOTA, LICENSE AGREEMENT TMS1002
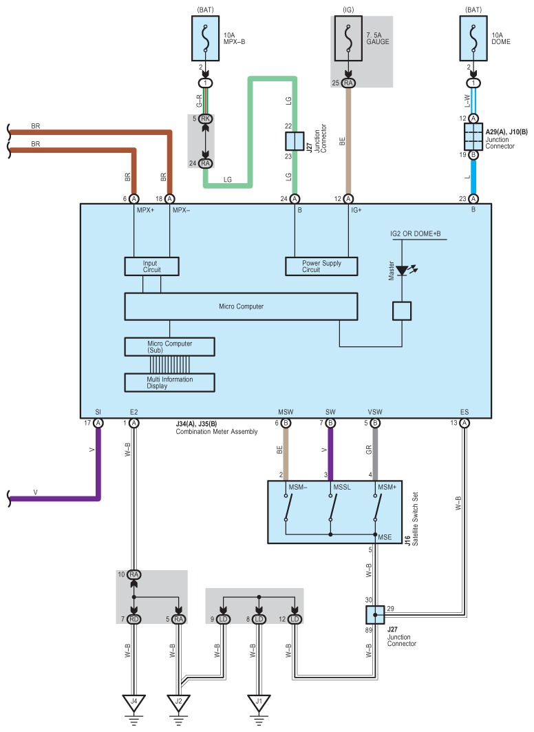
Fig 2: Retractable Hardtop - Wiring Diagram (2 Of 19)
G08938820Courtesy of © TOYOTA, LICENSE AGREEMENT TMS1002
Fig 3: Retractable Hardtop - Wiring Diagram (3 Of 19)
G08938821Courtesy of © TOYOTA, LICENSE AGREEMENT TMS1002
Fig 4: Retractable Hardtop - Wiring Diagram (4 Of 19)
G08938822Courtesy of © TOYOTA, LICENSE AGREEMENT TMS1002
Fig 5: Retractable Hardtop - Wiring Diagram (5 Of 19)
G08938823Courtesy of © TOYOTA, LICENSE AGREEMENT TMS1002
Fig 6: Retractable Hardtop - Wiring Diagram (6 Of 19)
G08938824Courtesy of © TOYOTA, LICENSE AGREEMENT TMS1002
Fig 7: Retractable Hardtop - Wiring Diagram (7 Of 19)
G08938825Courtesy of © TOYOTA, LICENSE AGREEMENT TMS1002
Fig 8: Retractable Hardtop - Wiring Diagram (8 Of 19)
G08938826Courtesy of © TOYOTA, LICENSE AGREEMENT TMS1002
Fig 9: Retractable Hardtop - Wiring Diagram (9 Of 19)
G08938827Courtesy of © TOYOTA, LICENSE AGREEMENT TMS1002
Fig 10: Retractable Hardtop - Wiring Diagram (10 Of 19)
G08938828Courtesy of © TOYOTA, LICENSE AGREEMENT TMS1002
Fig 11: Retractable Hardtop - Wiring Diagram (11 Of 19)
G08938829Courtesy of © TOYOTA, LICENSE AGREEMENT TMS1002
Fig 12: Retractable Hardtop - Wiring Diagram (12 Of 19)
G08938830Courtesy of © TOYOTA, LICENSE AGREEMENT TMS1002
Fig 13: Retractable Hardtop - Wiring Diagram (13 Of 19)
G08938831Courtesy of © TOYOTA, LICENSE AGREEMENT TMS1002
Fig 14: Retractable Hardtop - Wiring Diagram (14 Of 19)
G08938832Courtesy of © TOYOTA, LICENSE AGREEMENT TMS1002
Fig 15: Retractable Hardtop - Wiring Diagram (15 Of 19)
G08938833Courtesy of © TOYOTA, LICENSE AGREEMENT TMS1002
Fig 16: Retractable Hardtop - Wiring Diagram (16 Of 19)
G08938834Courtesy of © TOYOTA, LICENSE AGREEMENT TMS1002
Fig 17: Retractable Hardtop - Wiring Diagram (17 Of 19)
G08938835Courtesy of © TOYOTA, LICENSE AGREEMENT TMS1002
Fig 18: Retractable Hardtop - Wiring Diagram (18 Of 19)
G08938836Courtesy of © TOYOTA, LICENSE AGREEMENT TMS1002
Fig 19: Retractable Hardtop - Wiring Diagram (19 Of 19)
G08938837Courtesy of © TOYOTA, LICENSE AGREEMENT TMS1002