LEMON Manuals: Even more car manuals for everyone: 1960-2025
Home >> Lexus >> 2012 >> IS F >> Repair and Diagnosis >> Electrical >> Motors, Switches, Relays >> OEM System Circuits >> Audio System (w/LEXUS Navigation System), LEXUS Navigation System and Parking Assist (Rear View Monitor) >> Notes
April 5, 2026: LEMON Manuals is launched! Read the announcement.

Audio System (w/LEXUS Navigation System), LEXUS Navigation System and Parking Assist (Rear View Monitor): Notes

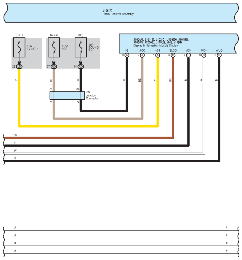
Fig 1: Audio System (W/ LEXUS Navigation System), LEXUS Navigation System And Parking Assist (Rear View Monitor) - Wiring Diagram (1 Of 17)
G08939853Courtesy of © TOYOTA, LICENSE AGREEMENT TMS1002
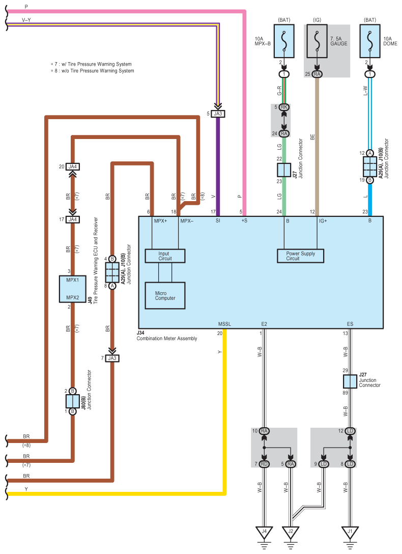
Fig 2: Audio System (W/ LEXUS Navigation System), LEXUS Navigation System And Parking Assist (Rear View Monitor) - Wiring Diagram (2 Of 17)
G08939854Courtesy of © TOYOTA, LICENSE AGREEMENT TMS1002
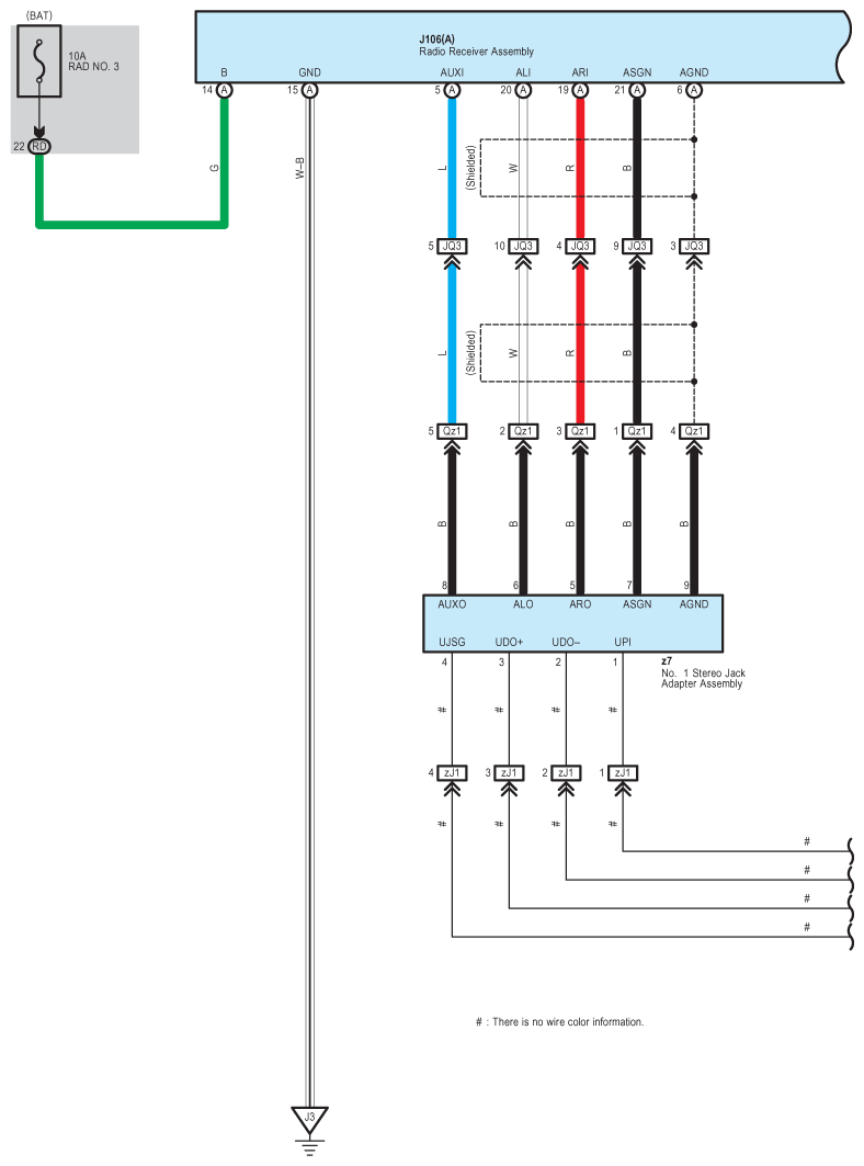
Fig 3: Audio System (W/ LEXUS Navigation System), LEXUS Navigation System And Parking Assist (Rear View Monitor) - Wiring Diagram (3 Of 17)
G08939855Courtesy of © TOYOTA, LICENSE AGREEMENT TMS1002
Fig 4: Audio System (W/ LEXUS Navigation System), LEXUS Navigation System And Parking Assist (Rear View Monitor) - Wiring Diagram (4 Of 17)
G08939856Courtesy of © TOYOTA, LICENSE AGREEMENT TMS1002
Fig 5: Audio System (W/ LEXUS Navigation System), LEXUS Navigation System And Parking Assist (Rear View Monitor) - Wiring Diagram (5 Of 17)
G08939857Courtesy of © TOYOTA, LICENSE AGREEMENT TMS1002
Fig 6: Audio System (W/ LEXUS Navigation System), LEXUS Navigation System And Parking Assist (Rear View Monitor) - Wiring Diagram (6 Of 17)
G08939858Courtesy of © TOYOTA, LICENSE AGREEMENT TMS1002
Fig 7: Audio System (W/ LEXUS Navigation System), LEXUS Navigation System And Parking Assist (Rear View Monitor) - Wiring Diagram (7 Of 17)
G08939859Courtesy of © TOYOTA, LICENSE AGREEMENT TMS1002
Fig 8: Audio System (W/ LEXUS Navigation System), LEXUS Navigation System And Parking Assist (Rear View Monitor) - Wiring Diagram (8 Of 17)
G08939860Courtesy of © TOYOTA, LICENSE AGREEMENT TMS1002
Fig 9: Audio System (W/ LEXUS Navigation System), LEXUS Navigation System And Parking Assist (Rear View Monitor) - Wiring Diagram (9 Of 17)
G08939861Courtesy of © TOYOTA, LICENSE AGREEMENT TMS1002
Fig 10: Audio System (W/ LEXUS Navigation System), LEXUS Navigation System And Parking Assist (Rear View Monitor) - Wiring Diagram (10 Of 17)
G08939862Courtesy of © TOYOTA, LICENSE AGREEMENT TMS1002
Fig 11: Audio System (W/ LEXUS Navigation System), LEXUS Navigation System And Parking Assist (Rear View Monitor) - Wiring Diagram (11 Of 17)
G08939863Courtesy of © TOYOTA, LICENSE AGREEMENT TMS1002
Fig 12: Audio System (W/ LEXUS Navigation System), LEXUS Navigation System And Parking Assist (Rear View Monitor) - Wiring Diagram (12 Of 17)
G08939864Courtesy of © TOYOTA, LICENSE AGREEMENT TMS1002
Fig 13: Audio System (W/ LEXUS Navigation System), LEXUS Navigation System And Parking Assist (Rear View Monitor) - Wiring Diagram (13 Of 17)
G08939865Courtesy of © TOYOTA, LICENSE AGREEMENT TMS1002
Fig 14: Audio System (W/ LEXUS Navigation System), LEXUS Navigation System And Parking Assist (Rear View Monitor) - Wiring Diagram (14 Of 17)
G08939866Courtesy of © TOYOTA, LICENSE AGREEMENT TMS1002
Fig 15: Audio System (W/ LEXUS Navigation System), LEXUS Navigation System And Parking Assist (Rear View Monitor) - Wiring Diagram (15 Of 17)
G08939867Courtesy of © TOYOTA, LICENSE AGREEMENT TMS1002
Fig 16: Audio System (W/ LEXUS Navigation System), LEXUS Navigation System And Parking Assist (Rear View Monitor) - Wiring Diagram (16 Of 17)
G08939868Courtesy of © TOYOTA, LICENSE AGREEMENT TMS1002
Fig 17: Audio System (W/ LEXUS Navigation System), LEXUS Navigation System And Parking Assist (Rear View Monitor) - Wiring Diagram (17 Of 17)
G08939869Courtesy of © TOYOTA, LICENSE AGREEMENT TMS1002