LEMON Manuals: Even more car manuals for everyone: 1960-2025
Home >> Lexus >> 2012 >> IS F >> Repair and Diagnosis >> Steering >> Steering Column >> Steering Lock System (Diagnostics & Circuit Tests) >> Steering Lock System >> Circuit Tests >> Power Source Circuit >> Wiring Diagram
April 5, 2026: LEMON Manuals is launched! Read the announcement.

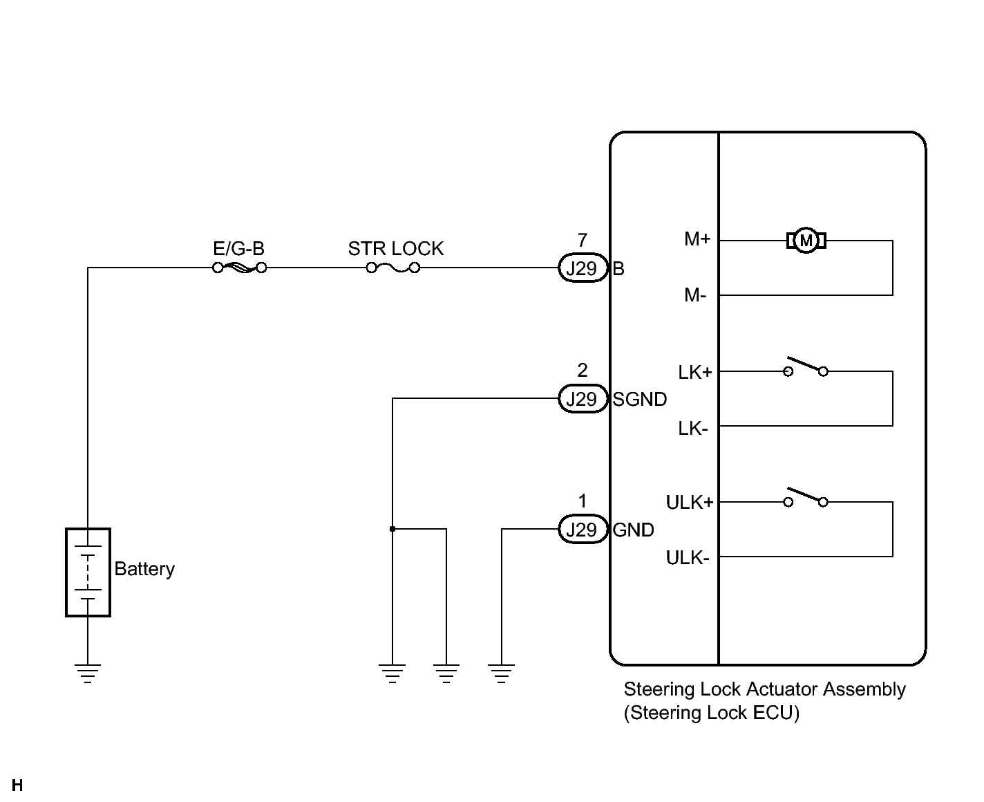
Power Source Circuit: Wiring Diagram

Fig 1: Steering Lock ECU - Wiring Diagram
GTY113524Courtesy of © TOYOTA, LICENSE AGREEMENT TMS1002