LEMON Manuals: Even more car manuals for everyone: 1960-2025
Home >> Lexus >> 2012 >> LS 460 AWD >> Repair and Diagnosis >> Electrical >> Body Electrical >> OEM System Circuits >> Air Conditioning >> Notes
April 5, 2026: LEMON Manuals is launched! Read the announcement.

Air Conditioning: Notes

Fig 1: Air Conditioning - Wiring Diagram (1 Of 15)
G08941042Courtesy of © TOYOTA, LICENSE AGREEMENT TMS1002
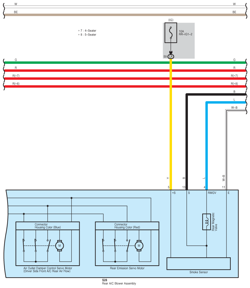
Fig 2: Air Conditioning - Wiring Diagram (2 Of 15)
G08941043Courtesy of © TOYOTA, LICENSE AGREEMENT TMS1002
Fig 3: Air Conditioning - Wiring Diagram (3 Of 15)
G08941044Courtesy of © TOYOTA, LICENSE AGREEMENT TMS1002
Fig 4: Air Conditioning - Wiring Diagram (4 Of 15)
G08941045Courtesy of © TOYOTA, LICENSE AGREEMENT TMS1002
Fig 5: Air Conditioning - Wiring Diagram (5 Of 15)
G08941046Courtesy of © TOYOTA, LICENSE AGREEMENT TMS1002
Fig 6: Air Conditioning - Wiring Diagram (6 Of 15)
G08941047Courtesy of © TOYOTA, LICENSE AGREEMENT TMS1002
Fig 7: Air Conditioning - Wiring Diagram (7 Of 15)
G08941048Courtesy of © TOYOTA, LICENSE AGREEMENT TMS1002
Fig 8: Air Conditioning - Wiring Diagram (8 Of 15)
G08941049Courtesy of © TOYOTA, LICENSE AGREEMENT TMS1002
Fig 9: Air Conditioning - Wiring Diagram (9 Of 15)
G08941050Courtesy of © TOYOTA, LICENSE AGREEMENT TMS1002
Fig 10: Air Conditioning - Wiring Diagram (10 Of 15)
G08941051Courtesy of © TOYOTA, LICENSE AGREEMENT TMS1002
Fig 11: Air Conditioning - Wiring Diagram (11 Of 15)
G08941052Courtesy of © TOYOTA, LICENSE AGREEMENT TMS1002
Fig 12: Air Conditioning - Wiring Diagram (12 Of 15)
G08941053Courtesy of © TOYOTA, LICENSE AGREEMENT TMS1002
Fig 13: Air Conditioning - Wiring Diagram (13 Of 15)
G08941054Courtesy of © TOYOTA, LICENSE AGREEMENT TMS1002
Fig 14: Air Conditioning - Wiring Diagram (14 Of 15)
G08941055Courtesy of © TOYOTA, LICENSE AGREEMENT TMS1002
Fig 15: Air Conditioning - Wiring Diagram (15 Of 15)
G08941056Courtesy of © TOYOTA, LICENSE AGREEMENT TMS1002