LEMON Manuals: Even more car manuals for everyone: 1960-2025
Home >> Lexus >> 2012 >> LS 460 AWD >> Repair and Diagnosis >> Electrical >> Body Electrical >> OEM System Circuits >> Back-Up Light >> Notes
April 5, 2026: LEMON Manuals is launched! Read the announcement.

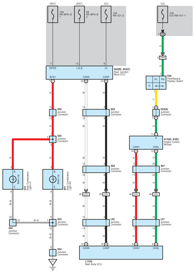
Back-Up Light: Notes

Fig 1: Back-Up Light - Wiring Diagram
G08940673Courtesy of © TOYOTA, LICENSE AGREEMENT TMS1002