LEMON Manuals: Even more car manuals for everyone: 1960-2025
Home >> Lexus >> 2012 >> LS 460 AWD >> Repair and Diagnosis >> Electrical >> Body Electrical >> OEM System Circuits >> Combination Meter >> Notes
April 5, 2026: LEMON Manuals is launched! Read the announcement.

Combination Meter: Notes

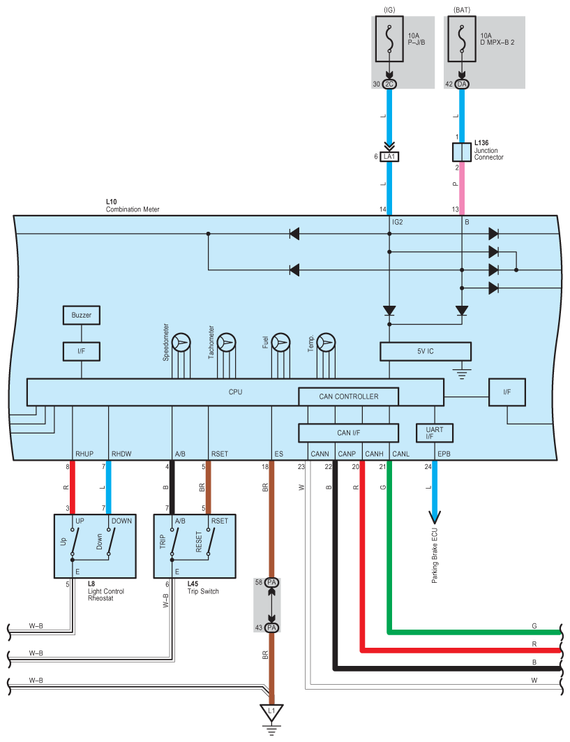
Fig 1: Combination Meter - Wiring Diagram (1 Of 12)
G08941027Courtesy of © TOYOTA, LICENSE AGREEMENT TMS1002
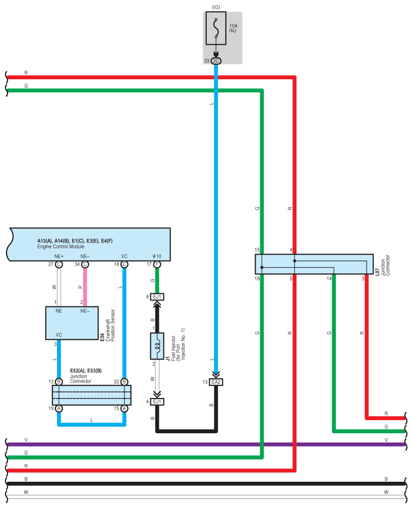
Fig 2: Combination Meter - Wiring Diagram (2 Of 12)
G08941028Courtesy of © TOYOTA, LICENSE AGREEMENT TMS1002
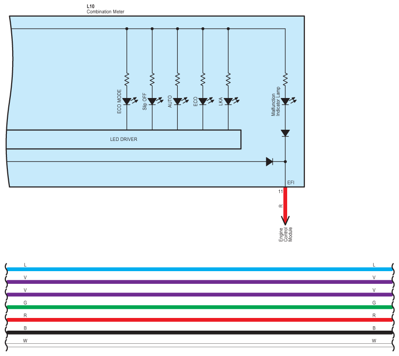
Fig 3: Combination Meter - Wiring Diagram (3 Of 12)
G08941029Courtesy of © TOYOTA, LICENSE AGREEMENT TMS1002
Fig 4: Combination Meter - Wiring Diagram (4 Of 12)
G08941030Courtesy of © TOYOTA, LICENSE AGREEMENT TMS1002
Fig 5: Combination Meter - Wiring Diagram (5 Of 12)
G08941031Courtesy of © TOYOTA, LICENSE AGREEMENT TMS1002
Fig 6: Combination Meter - Wiring Diagram (6 Of 12)
G08941032Courtesy of © TOYOTA, LICENSE AGREEMENT TMS1002
Fig 7: Combination Meter - Wiring Diagram (7 Of 12)
G08941033Courtesy of © TOYOTA, LICENSE AGREEMENT TMS1002
Fig 8: Combination Meter - Wiring Diagram (8 Of 12)
G08941034Courtesy of © TOYOTA, LICENSE AGREEMENT TMS1002
Fig 9: Combination Meter - Wiring Diagram (9 Of 12)
G08941035Courtesy of © TOYOTA, LICENSE AGREEMENT TMS1002
Fig 10: Combination Meter - Wiring Diagram (10 Of 12)
G08941036Courtesy of © TOYOTA, LICENSE AGREEMENT TMS1002
Fig 11: Combination Meter - Wiring Diagram (11 Of 12)
G08941037Courtesy of © TOYOTA, LICENSE AGREEMENT TMS1002
Fig 12: Combination Meter - Wiring Diagram (12 Of 12)
G08941038Courtesy of © TOYOTA, LICENSE AGREEMENT TMS1002