LEMON Manuals: Even more car manuals for everyone: 1960-2025
Home >> Lexus >> 2012 >> LS 460 AWD >> Repair and Diagnosis >> Electrical >> Body Electrical >> OEM System Circuits >> Vehicle Dynamics Integrated Management >> Notes
April 5, 2026: LEMON Manuals is launched! Read the announcement.

Vehicle Dynamics Integrated Management: Notes

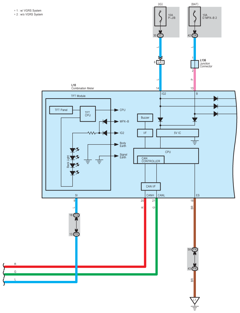
Fig 1: Vehicle Dynamics Integrated Management - Wiring Diagram (1 Of 15)
G08940780Courtesy of © TOYOTA, LICENSE AGREEMENT TMS1002
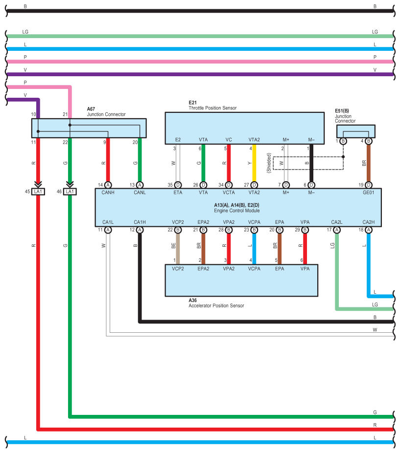
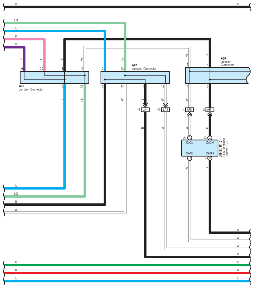
Fig 2: Vehicle Dynamics Integrated Management - Wiring Diagram (2 Of 15)
G08940781Courtesy of © TOYOTA, LICENSE AGREEMENT TMS1002
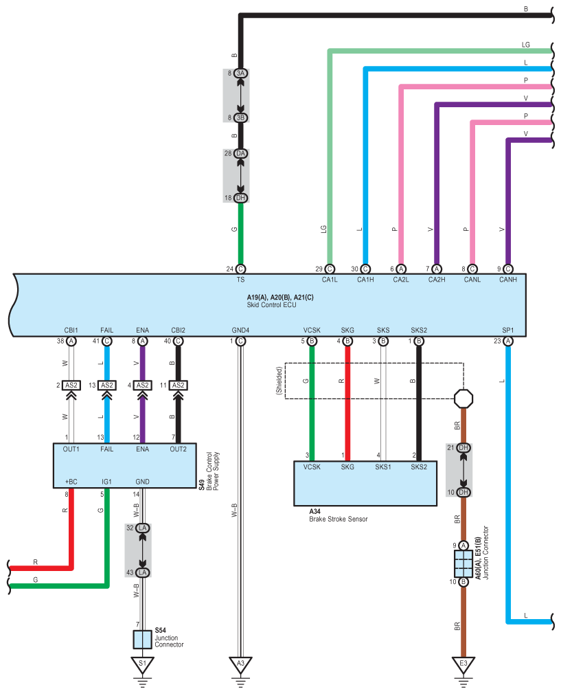
Fig 3: Vehicle Dynamics Integrated Management - Wiring Diagram (3 Of 15)
G08940782Courtesy of © TOYOTA, LICENSE AGREEMENT TMS1002
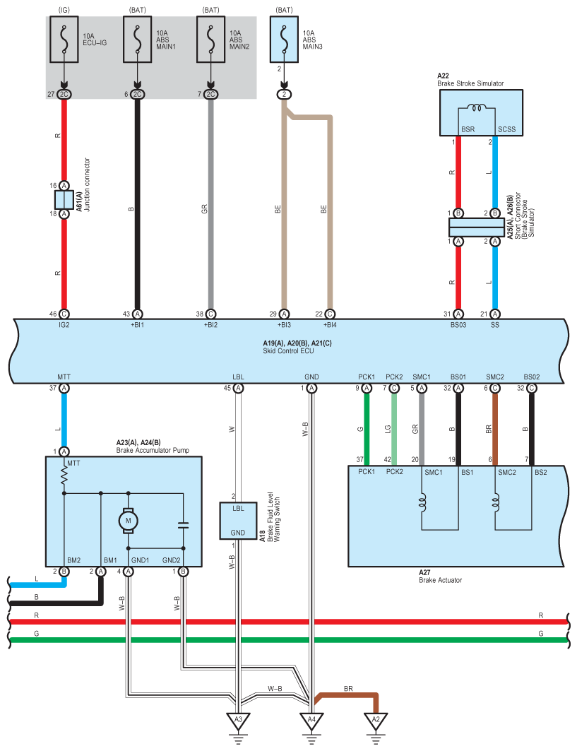
Fig 4: Vehicle Dynamics Integrated Management - Wiring Diagram (4 Of 15)
G08940783Courtesy of © TOYOTA, LICENSE AGREEMENT TMS1002
Fig 5: Vehicle Dynamics Integrated Management - Wiring Diagram (5 Of 15)
G08940784Courtesy of © TOYOTA, LICENSE AGREEMENT TMS1002
Fig 6: Vehicle Dynamics Integrated Management - Wiring Diagram (6 Of 15)
G08940785Courtesy of © TOYOTA, LICENSE AGREEMENT TMS1002
Fig 7: Vehicle Dynamics Integrated Management - Wiring Diagram (7 Of 15)
G08940786Courtesy of © TOYOTA, LICENSE AGREEMENT TMS1002
Fig 8: Vehicle Dynamics Integrated Management - Wiring Diagram (8 Of 15)
G08940787Courtesy of © TOYOTA, LICENSE AGREEMENT TMS1002
Fig 9: Vehicle Dynamics Integrated Management - Wiring Diagram (9 Of 15)
G08940788Courtesy of © TOYOTA, LICENSE AGREEMENT TMS1002
Fig 10: Vehicle Dynamics Integrated Management - Wiring Diagram (10 Of 15)
G08940789Courtesy of © TOYOTA, LICENSE AGREEMENT TMS1002
Fig 11: Vehicle Dynamics Integrated Management - Wiring Diagram (11 Of 15)
G08940790Courtesy of © TOYOTA, LICENSE AGREEMENT TMS1002
Fig 12: Vehicle Dynamics Integrated Management - Wiring Diagram (12 Of 15)
G08940791Courtesy of © TOYOTA, LICENSE AGREEMENT TMS1002
Fig 13: Vehicle Dynamics Integrated Management - Wiring Diagram (13 Of 15)
G08940792Courtesy of © TOYOTA, LICENSE AGREEMENT TMS1002
Fig 14: Vehicle Dynamics Integrated Management - Wiring Diagram (14 Of 15)
G08940793Courtesy of © TOYOTA, LICENSE AGREEMENT TMS1002
Fig 15: Vehicle Dynamics Integrated Management - Wiring Diagram (15 Of 15)
G08940794Courtesy of © TOYOTA, LICENSE AGREEMENT TMS1002