LEMON Manuals: Even more car manuals for everyone: 1960-2025
Home >> Lexus >> 2012 >> LS 600hL >> Repair and Diagnosis >> Electrical >> Body Electrical >> OEM System Circuits >> Active Stabilizer Suspension System >> Notes
April 5, 2026: LEMON Manuals is launched! Read the announcement.

Active Stabilizer Suspension System: Notes

Fig 1: Active Stabilizer Suspension System - Wiring Diagram (1 Of 8)
G08936967Courtesy of © TOYOTA, LICENSE AGREEMENT TMS1002
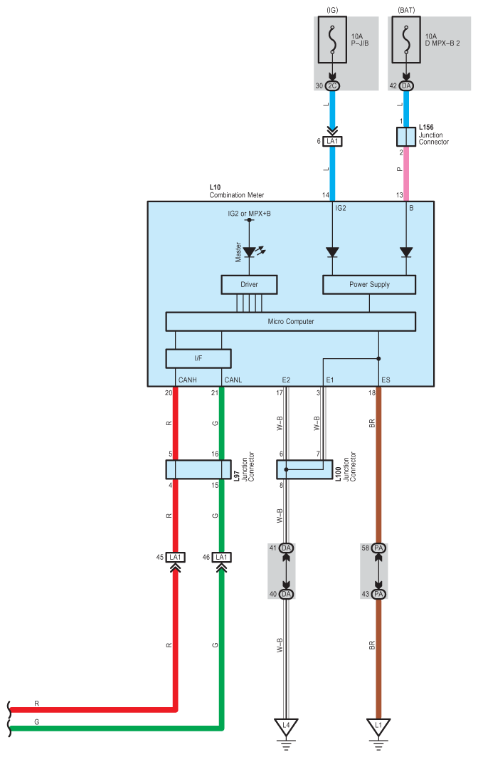
Fig 2: Active Stabilizer Suspension System - Wiring Diagram (2 Of 8)
G08936968Courtesy of © TOYOTA, LICENSE AGREEMENT TMS1002
Fig 3: Active Stabilizer Suspension System - Wiring Diagram (3 Of 8)
G08936969Courtesy of © TOYOTA, LICENSE AGREEMENT TMS1002
Fig 4: Active Stabilizer Suspension System - Wiring Diagram (4 Of 8)
G08936970Courtesy of © TOYOTA, LICENSE AGREEMENT TMS1002
Fig 5: Active Stabilizer Suspension System - Wiring Diagram (5 Of 8)
G08936971Courtesy of © TOYOTA, LICENSE AGREEMENT TMS1002
Fig 6: Active Stabilizer Suspension System - Wiring Diagram (6 Of 8)
G08936972Courtesy of © TOYOTA, LICENSE AGREEMENT TMS1002
Fig 7: Active Stabilizer Suspension System - Wiring Diagram (7 Of 8)
G08936973Courtesy of © TOYOTA, LICENSE AGREEMENT TMS1002
Fig 8: Active Stabilizer Suspension System - Wiring Diagram (8 Of 8)
G08936974Courtesy of © TOYOTA, LICENSE AGREEMENT TMS1002