LEMON Manuals: Even more car manuals for everyone: 1960-2025
Home >> Lexus >> 2012 >> LS 600hL >> Repair and Diagnosis >> Electrical >> Body Electrical >> OEM System Circuits >> Air Conditioning >> Notes
April 5, 2026: LEMON Manuals is launched! Read the announcement.

Air Conditioning: Notes

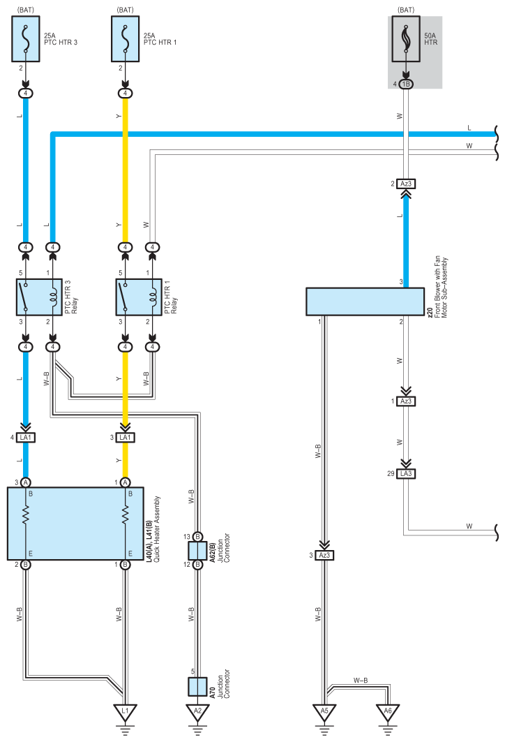
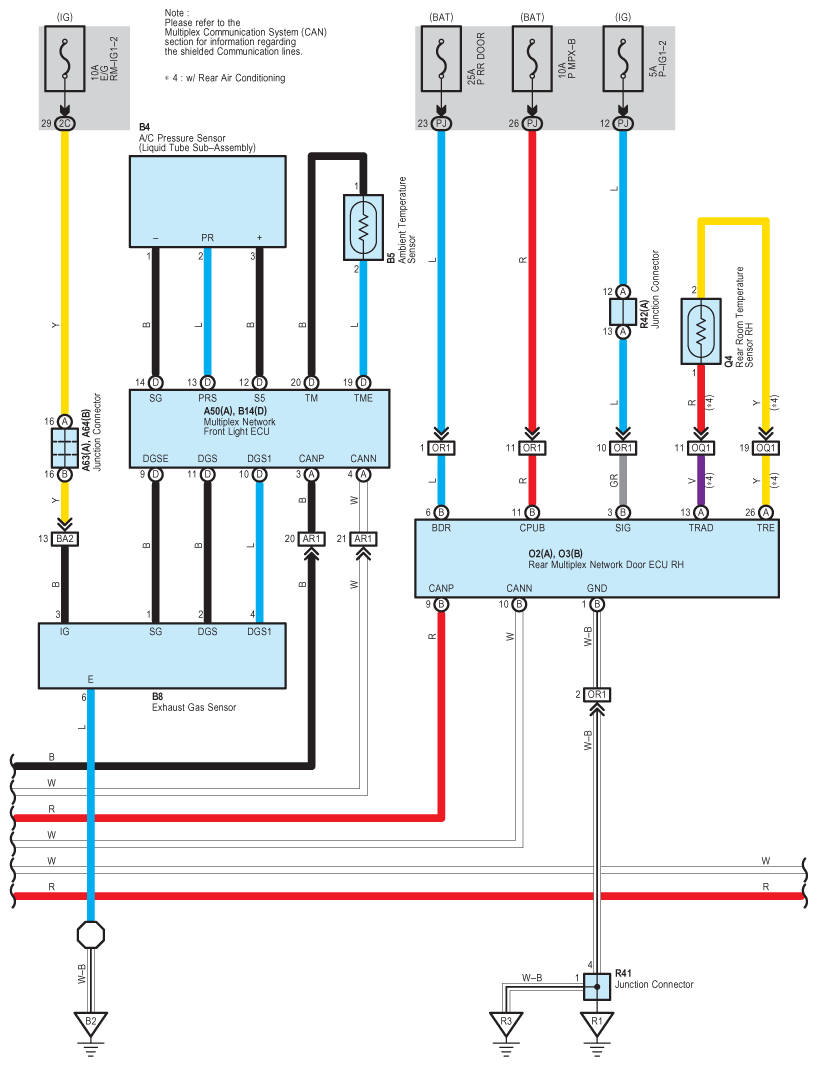
Fig 1: Air Conditioning - Wiring Diagram (1 Of 17)
G08937149Courtesy of © TOYOTA, LICENSE AGREEMENT TMS1002
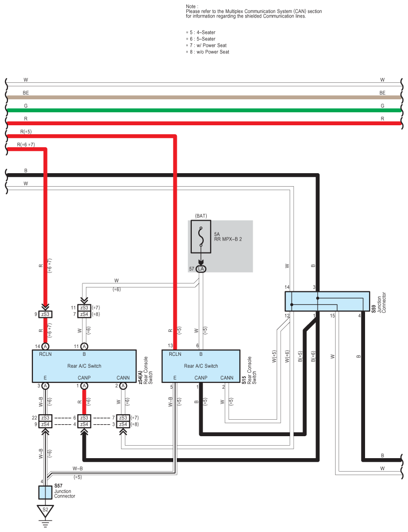
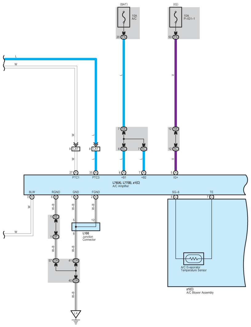
Fig 2: Air Conditioning - Wiring Diagram (2 Of 17)
G08937150Courtesy of © TOYOTA, LICENSE AGREEMENT TMS1002
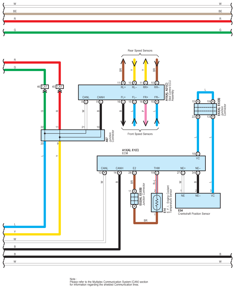
Fig 3: Air Conditioning - Wiring Diagram (3 Of 17)
G08937151Courtesy of © TOYOTA, LICENSE AGREEMENT TMS1002
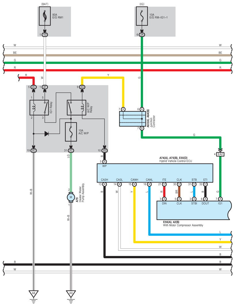
Fig 4: Air Conditioning - Wiring Diagram (4 Of 17)
G08937152Courtesy of © TOYOTA, LICENSE AGREEMENT TMS1002
Fig 5: Air Conditioning - Wiring Diagram (5 Of 17)
G08937153Courtesy of © TOYOTA, LICENSE AGREEMENT TMS1002
Fig 6: Air Conditioning - Wiring Diagram (6 Of 17)
G08937154Courtesy of © TOYOTA, LICENSE AGREEMENT TMS1002
Fig 7: Air Conditioning - Wiring Diagram (7 Of 17)
G08937155Courtesy of © TOYOTA, LICENSE AGREEMENT TMS1002
Fig 8: Air Conditioning - Wiring Diagram (8 Of 17)
G08937156Courtesy of © TOYOTA, LICENSE AGREEMENT TMS1002
Fig 9: Air Conditioning - Wiring Diagram (9 Of 17)
G08937157Courtesy of © TOYOTA, LICENSE AGREEMENT TMS1002
Fig 10: Air Conditioning - Wiring Diagram (10 Of 17)
G08937158Courtesy of © TOYOTA, LICENSE AGREEMENT TMS1002
Fig 11: Air Conditioning - Wiring Diagram (11 Of 17)
G08937159Courtesy of © TOYOTA, LICENSE AGREEMENT TMS1002
Fig 12: Air Conditioning - Wiring Diagram (12 Of 17)
G08937160Courtesy of © TOYOTA, LICENSE AGREEMENT TMS1002
Fig 13: Air Conditioning - Wiring Diagram (13 Of 17)
G08937161Courtesy of © TOYOTA, LICENSE AGREEMENT TMS1002
Fig 14: Air Conditioning - Wiring Diagram (14 Of 17)
G08937162Courtesy of © TOYOTA, LICENSE AGREEMENT TMS1002
Fig 15: Air Conditioning - Wiring Diagram (15 Of 17)
G08937163Courtesy of © TOYOTA, LICENSE AGREEMENT TMS1002
Fig 16: Air Conditioning - Wiring Diagram (16 Of 17)
G08937164Courtesy of © TOYOTA, LICENSE AGREEMENT TMS1002
Fig 17: Air Conditioning - Wiring Diagram (17 Of 17)
G08937165Courtesy of © TOYOTA, LICENSE AGREEMENT TMS1002