LEMON Manuals: Even more car manuals for everyone: 1960-2025
Home >> Lexus >> 2012 >> LS 600hL >> Repair and Diagnosis >> Electrical >> Body Electrical >> OEM System Circuits >> Audio System and LEXUS Navigation System >> Notes
April 5, 2026: LEMON Manuals is launched! Read the announcement.

Audio System and LEXUS Navigation System: Notes

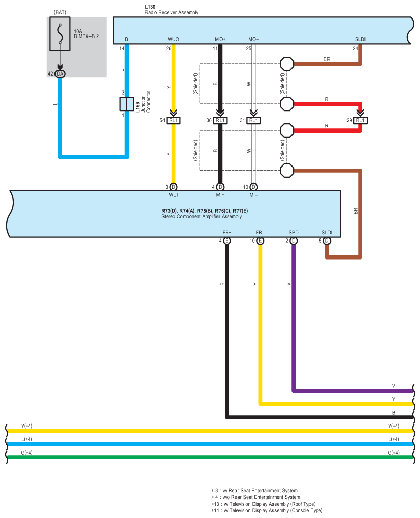
Fig 1: Audio System And LEXUS Navigation System - Wiring Diagram (1 Of 24)
G08937083Courtesy of © TOYOTA, LICENSE AGREEMENT TMS1002
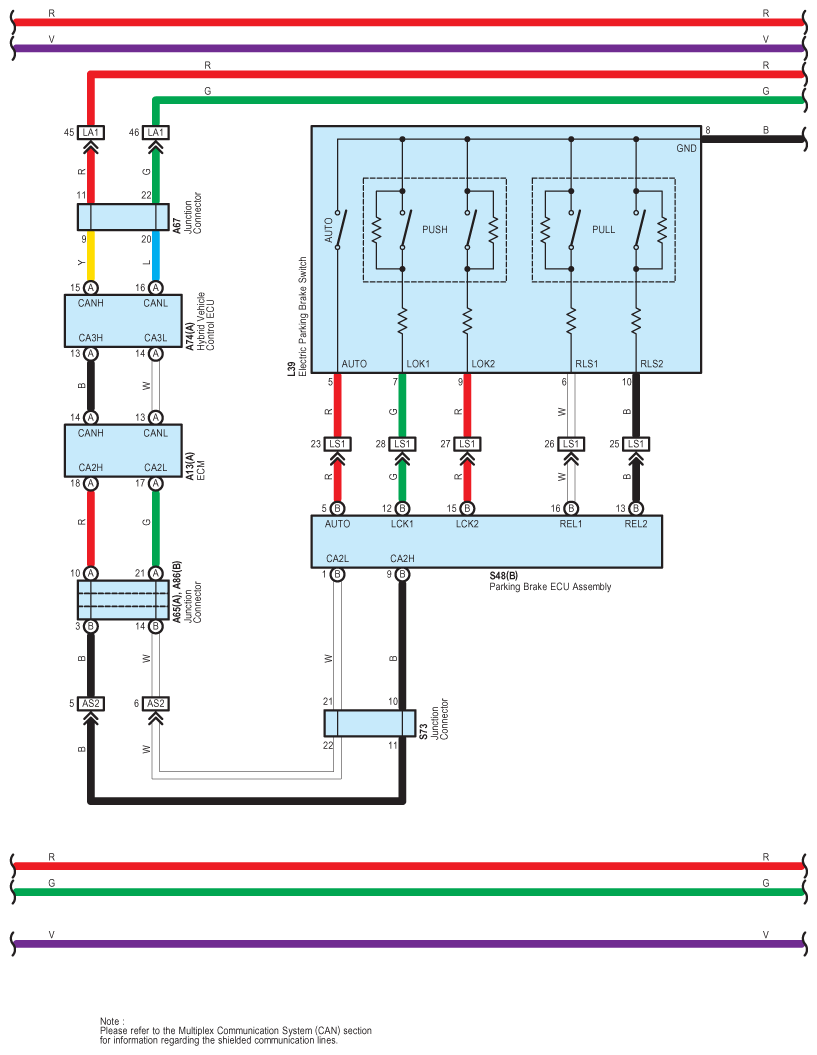
Fig 2: Audio System And LEXUS Navigation System - Wiring Diagram (2 Of 24)
G08937084Courtesy of © TOYOTA, LICENSE AGREEMENT TMS1002
Fig 3: Audio System And LEXUS Navigation System - Wiring Diagram (3 Of 24)
G08937085Courtesy of © TOYOTA, LICENSE AGREEMENT TMS1002
Fig 4: Audio System And LEXUS Navigation System - Wiring Diagram (4 Of 24)
G08937086Courtesy of © TOYOTA, LICENSE AGREEMENT TMS1002
Fig 5: Audio System And LEXUS Navigation System - Wiring Diagram (5 Of 24)
G08937087Courtesy of © TOYOTA, LICENSE AGREEMENT TMS1002
Fig 6: Audio System And LEXUS Navigation System - Wiring Diagram (6 Of 24)
G08937088Courtesy of © TOYOTA, LICENSE AGREEMENT TMS1002
Fig 7: Audio System And LEXUS Navigation System - Wiring Diagram (7 Of 24)
G08937089Courtesy of © TOYOTA, LICENSE AGREEMENT TMS1002
Fig 8: Audio System And LEXUS Navigation System - Wiring Diagram (8 Of 24)
G08937090Courtesy of © TOYOTA, LICENSE AGREEMENT TMS1002
Fig 9: Audio System And LEXUS Navigation System - Wiring Diagram (9 Of 24)
G08937091Courtesy of © TOYOTA, LICENSE AGREEMENT TMS1002
Fig 10: Audio System And LEXUS Navigation System - Wiring Diagram (10 Of 24)
G08937092Courtesy of © TOYOTA, LICENSE AGREEMENT TMS1002
Fig 11: Audio System And LEXUS Navigation System - Wiring Diagram (11 Of 24)
G08937093Courtesy of © TOYOTA, LICENSE AGREEMENT TMS1002
Fig 12: Audio System And LEXUS Navigation System - Wiring Diagram (12 Of 24)
G08937094Courtesy of © TOYOTA, LICENSE AGREEMENT TMS1002
Fig 13: Audio System And LEXUS Navigation System - Wiring Diagram (13 Of 24)
G08937095Courtesy of © TOYOTA, LICENSE AGREEMENT TMS1002
Fig 14: Audio System And LEXUS Navigation System - Wiring Diagram (14 Of 24)
G08937096Courtesy of © TOYOTA, LICENSE AGREEMENT TMS1002
Fig 15: Audio System And LEXUS Navigation System - Wiring Diagram (15 Of 24)
G08937097Courtesy of © TOYOTA, LICENSE AGREEMENT TMS1002
Fig 16: Audio System And LEXUS Navigation System - Wiring Diagram (16 Of 24)
G08937098Courtesy of © TOYOTA, LICENSE AGREEMENT TMS1002
Fig 17: Audio System And LEXUS Navigation System - Wiring Diagram (17 Of 24)
G08937099Courtesy of © TOYOTA, LICENSE AGREEMENT TMS1002
Fig 18: Audio System And LEXUS Navigation System - Wiring Diagram (18 Of 24)
G08937100Courtesy of © TOYOTA, LICENSE AGREEMENT TMS1002
Fig 19: Audio System And LEXUS Navigation System - Wiring Diagram (19 Of 24)
G08937101Courtesy of © TOYOTA, LICENSE AGREEMENT TMS1002
Fig 20: Audio System And LEXUS Navigation System - Wiring Diagram (20 Of 24)
G08937102Courtesy of © TOYOTA, LICENSE AGREEMENT TMS1002
Fig 21: Audio System And LEXUS Navigation System - Wiring Diagram (21 Of 24)
G08937103Courtesy of © TOYOTA, LICENSE AGREEMENT TMS1002
Fig 22: Audio System And LEXUS Navigation System - Wiring Diagram (22 Of 24)
G08937104Courtesy of © TOYOTA, LICENSE AGREEMENT TMS1002
Fig 23: Audio System And LEXUS Navigation System - Wiring Diagram (23 Of 24)
G08937105Courtesy of © TOYOTA, LICENSE AGREEMENT TMS1002
Fig 24: Audio System And LEXUS Navigation System - Wiring Diagram (24 Of 24)
G08937106Courtesy of © TOYOTA, LICENSE AGREEMENT TMS1002