LEMON Manuals: Even more car manuals for everyone: 1960-2025
Home >> Lexus >> 2012 >> LS 600hL >> Repair and Diagnosis >> Electrical >> Body Electrical >> OEM System Circuits >> Engine Control >> Notes
April 5, 2026: LEMON Manuals is launched! Read the announcement.

Engine Control: Notes

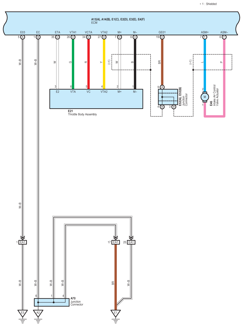
Fig 1: Engine Control - Wiring Diagram (1 Of 24)
G08936707Courtesy of © TOYOTA, LICENSE AGREEMENT TMS1002
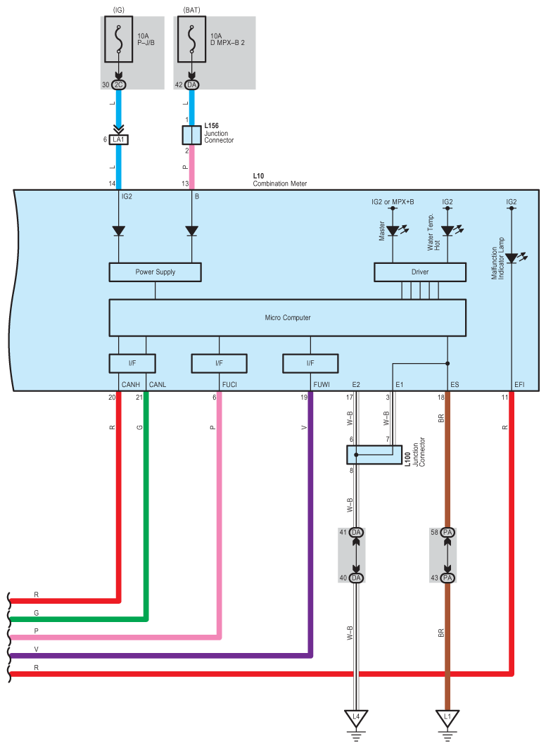
Fig 2: Engine Control - Wiring Diagram (2 Of 24)
G08936708Courtesy of © TOYOTA, LICENSE AGREEMENT TMS1002
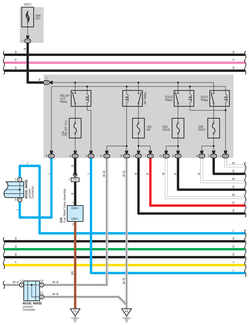
Fig 3: Engine Control - Wiring Diagram (3 Of 24)
G08936709Courtesy of © TOYOTA, LICENSE AGREEMENT TMS1002
Fig 4: Engine Control - Wiring Diagram (4 Of 24)
G08936710Courtesy of © TOYOTA, LICENSE AGREEMENT TMS1002
Fig 5: Engine Control - Wiring Diagram (5 Of 24)
G08936711Courtesy of © TOYOTA, LICENSE AGREEMENT TMS1002
Fig 6: Engine Control - Wiring Diagram (6 Of 24)
G08936712Courtesy of © TOYOTA, LICENSE AGREEMENT TMS1002
Fig 7: Engine Control - Wiring Diagram (7 Of 24)
G08936713Courtesy of © TOYOTA, LICENSE AGREEMENT TMS1002
Fig 8: Engine Control - Wiring Diagram (8 Of 24)
G08936714Courtesy of © TOYOTA, LICENSE AGREEMENT TMS1002
Fig 9: Engine Control - Wiring Diagram (9 Of 24)
G08936715Courtesy of © TOYOTA, LICENSE AGREEMENT TMS1002
Fig 10: Engine Control - Wiring Diagram (10 Of 24)
G08936716Courtesy of © TOYOTA, LICENSE AGREEMENT TMS1002
Fig 11: Engine Control - Wiring Diagram (11 Of 24)
G08936717Courtesy of © TOYOTA, LICENSE AGREEMENT TMS1002
Fig 12: Engine Control - Wiring Diagram (12 Of 24)
G08936718Courtesy of © TOYOTA, LICENSE AGREEMENT TMS1002
Fig 13: Engine Control - Wiring Diagram (13 Of 24)
G08936719Courtesy of © TOYOTA, LICENSE AGREEMENT TMS1002
Fig 14: Engine Control - Wiring Diagram (14 Of 24)
G08936720Courtesy of © TOYOTA, LICENSE AGREEMENT TMS1002
Fig 15: Engine Control - Wiring Diagram (15 Of 24)
G08936721Courtesy of © TOYOTA, LICENSE AGREEMENT TMS1002
Fig 16: Engine Control - Wiring Diagram (16 Of 24)
G08936722Courtesy of © TOYOTA, LICENSE AGREEMENT TMS1002
Fig 17: Engine Control - Wiring Diagram (17 Of 24)
G08936723Courtesy of © TOYOTA, LICENSE AGREEMENT TMS1002
Fig 18: Engine Control - Wiring Diagram (18 Of 24)
G08936724Courtesy of © TOYOTA, LICENSE AGREEMENT TMS1002
Fig 19: Engine Control - Wiring Diagram (19 Of 24)
G08936725Courtesy of © TOYOTA, LICENSE AGREEMENT TMS1002
Fig 20: Engine Control - Wiring Diagram (20 Of 24)
G08936726Courtesy of © TOYOTA, LICENSE AGREEMENT TMS1002
Fig 21: Engine Control - Wiring Diagram (21 Of 24)
G08936727Courtesy of © TOYOTA, LICENSE AGREEMENT TMS1002
Fig 22: Engine Control - Wiring Diagram (22 Of 24)
G08936728Courtesy of © TOYOTA, LICENSE AGREEMENT TMS1002
Fig 23: Engine Control - Wiring Diagram (23 Of 24)
G08936729Courtesy of © TOYOTA, LICENSE AGREEMENT TMS1002
Fig 24: Engine Control - Wiring Diagram (24 Of 24)
G08936730Courtesy of © TOYOTA, LICENSE AGREEMENT TMS1002