LEMON Manuals: Even more car manuals for everyone: 1960-2025
Home >> Lexus >> 2012 >> LS 600hL >> Repair and Diagnosis >> Electrical >> Body Electrical >> OEM System Circuits >> Multiplex Communication System (CAN) >> Notes
April 5, 2026: LEMON Manuals is launched! Read the announcement.

Multiplex Communication System (CAN): Notes

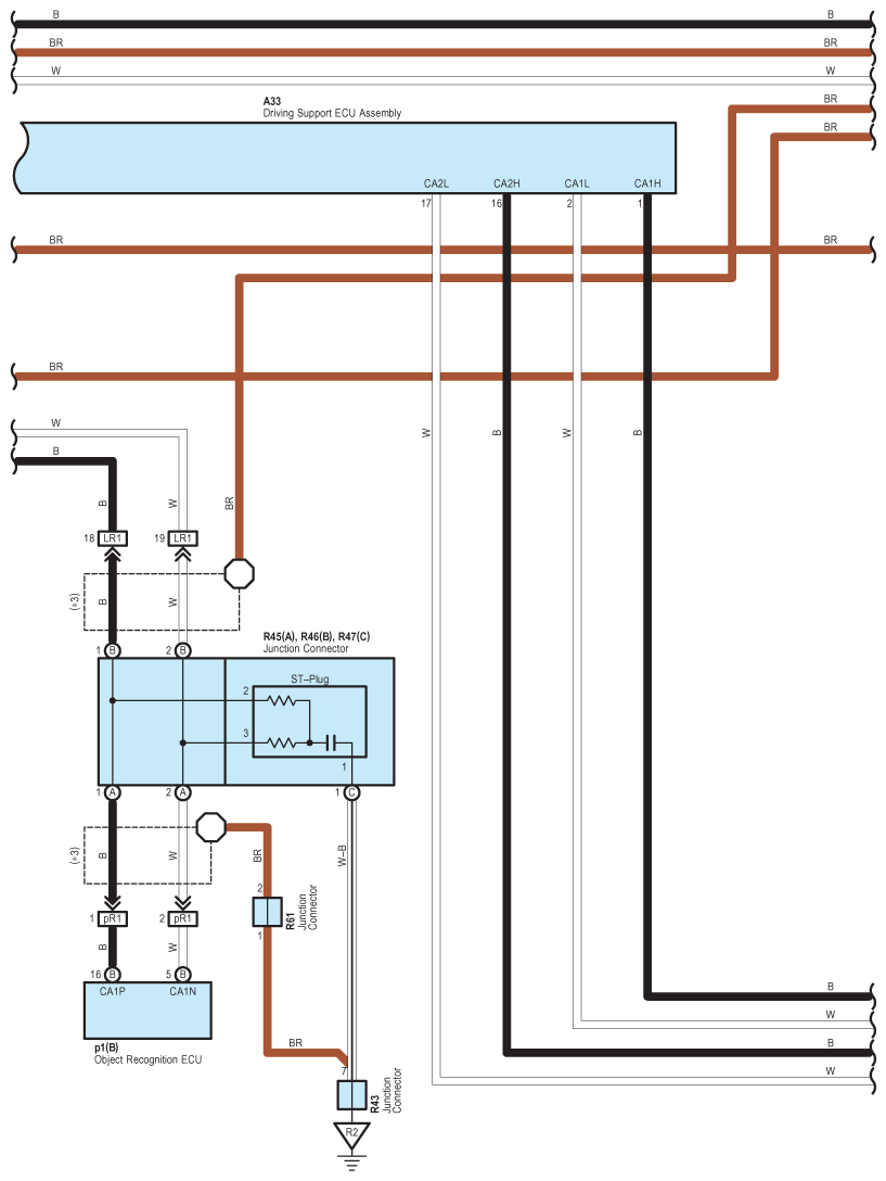
Fig 1: Multiplex Communication System (CAN) - Wiring Diagram (1 Of 18)
G08936732Courtesy of © TOYOTA, LICENSE AGREEMENT TMS1002
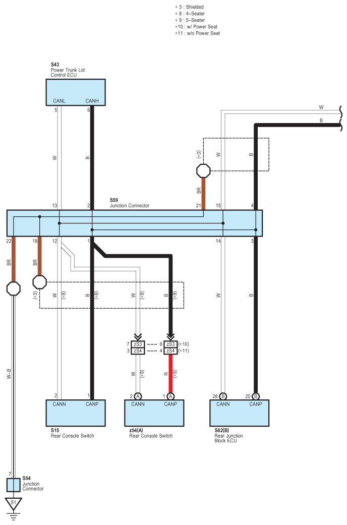
Fig 2: Multiplex Communication System (CAN) - Wiring Diagram (2 Of 18)
G08936733Courtesy of © TOYOTA, LICENSE AGREEMENT TMS1002
Fig 3: Multiplex Communication System (CAN) - Wiring Diagram (3 Of 18)
G08936734Courtesy of © TOYOTA, LICENSE AGREEMENT TMS1002
Fig 4: Multiplex Communication System (CAN) - Wiring Diagram (4 Of 18)
G08936735Courtesy of © TOYOTA, LICENSE AGREEMENT TMS1002
Fig 5: Multiplex Communication System (CAN) - Wiring Diagram (5 Of 18)
G08936736Courtesy of © TOYOTA, LICENSE AGREEMENT TMS1002
Fig 6: Multiplex Communication System (CAN) - Wiring Diagram (6 Of 18)
G08936737Courtesy of © TOYOTA, LICENSE AGREEMENT TMS1002
Fig 7: Multiplex Communication System (CAN) - Wiring Diagram (7 Of 18)
G08936738Courtesy of © TOYOTA, LICENSE AGREEMENT TMS1002
Fig 8: Multiplex Communication System (CAN) - Wiring Diagram (8 Of 18)
G08936739Courtesy of © TOYOTA, LICENSE AGREEMENT TMS1002
Fig 9: Multiplex Communication System (CAN) - Wiring Diagram (9 Of 18)
G08936740Courtesy of © TOYOTA, LICENSE AGREEMENT TMS1002
Fig 10: Multiplex Communication System (CAN) - Wiring Diagram (10 Of 18)
G08936741Courtesy of © TOYOTA, LICENSE AGREEMENT TMS1002
Fig 11: Multiplex Communication System (CAN) - Wiring Diagram (11 Of 18)
G08936742Courtesy of © TOYOTA, LICENSE AGREEMENT TMS1002
Fig 12: Multiplex Communication System (CAN) - Wiring Diagram (12 Of 18)
G08936743Courtesy of © TOYOTA, LICENSE AGREEMENT TMS1002
Fig 13: Multiplex Communication System (CAN) - Wiring Diagram (13 Of 18)
G08936744Courtesy of © TOYOTA, LICENSE AGREEMENT TMS1002
Fig 14: Multiplex Communication System (CAN) - Wiring Diagram (14 Of 18)
G08936745Courtesy of © TOYOTA, LICENSE AGREEMENT TMS1002
Fig 15: Multiplex Communication System (CAN) - Wiring Diagram (15 Of 18)
G08936746Courtesy of © TOYOTA, LICENSE AGREEMENT TMS1002
Fig 16: Multiplex Communication System (CAN) - Wiring Diagram (16 Of 18)
G08936747Courtesy of © TOYOTA, LICENSE AGREEMENT TMS1002
Fig 17: Multiplex Communication System (CAN) - Wiring Diagram (17 Of 18)
G08936748Courtesy of © TOYOTA, LICENSE AGREEMENT TMS1002
Fig 18: Multiplex Communication System (CAN) - Wiring Diagram (18 Of 18)
G08936749Courtesy of © TOYOTA, LICENSE AGREEMENT TMS1002